时间:2025-06-09 14:25
人气:
作者:admin
中微爱芯推出具有低功耗模式的12键电容式触摸按键电路AiP5912,该电路典型最小工作电流仅23uA,典型待机电流仅1uA。
AiP5912还拥有标准IIC通信接口、触摸通道可独立控制、触摸通道可复用、触摸灵敏度全局与局部可调、触摸按键任意组合、环境温湿度自适应等特点,使用灵活度高,应用范围广。同时还具备优异的可靠性性能。
主要特点
超低功耗:
-工作频率1MHz,典型工作电流70uA
-工作频率500KHz,典型工作电流43uA
-工作频率250KHz,典型工作电流30uA
-工作频率125KHz,典型工作电流23uA
-静态待机电流1uA
触摸通道独立控制:12个触摸均有唯一的控制位,互不影响
触摸通道复用:12个通道可做触摸输入,也可做通用IO扩展,使用灵活
灵敏度可调:全局灵敏度硬件、软件可调,12个通道灵敏度在全局灵敏度的基础上独立可调,对触摸位置分布不均的应用场景具备超强的适应能力
标准通信接口:IIC通信接口,从机地址可选,附带一个按键结果指示端口,可做系统中断信号
温湿度自适应:可根据环境温湿度自动调整参数,确保环境剧烈变化时的工作稳定
宽工作电压范围:2.2V~5.5V
工作温度范围:-40℃~85℃
多封装选择:QFN20、SSOP20、TSSOP20
高可靠性:
-ESD测试HBM模式4000V
-ESD测试CDM模式2000V
-Latch-up测试 400mA
-EFT测试4800V
-CS测试10V
引脚排列图

QFN20

SSOP20/TSSOP20
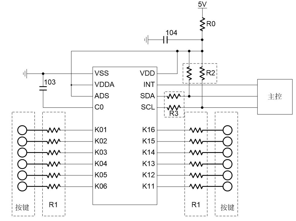
典型应用

*电源端的电阻R0和104电容可以提高抗干扰能力,R0推荐阻值22Ω
*按键端串接的电阻R1可以提高抗干扰能力,推荐阻值范围1K~20KΩ
*SDA、SCL端口上拉电阻R2,推荐阻值5K~10KΩ
*SDA、SCL端口串接的电阻R3,推荐阻值200~2000Ω
产品优势
超低功耗:AiP5912典工作电流型仅23uA(125KHz工作频率下),静态待机电流仅1uA,同时拥有按键指示输出口,配合MCU睡眠唤醒功能,保证设备的待机状态的长期低功耗运行,完全适合在锂电、干电池供电的场景下使用。
强适应性:得益于AiP5912的按键灵敏度局部调节功能与温湿度自适应功能,使得AiP5912在大跨度触摸布局、环境温度变化大与环境湿度变化大的场景下也拥有良好的触摸识别能力,保证整机设备优秀的交互体验。
高灵活性:AiP5912触摸输入口可自定义复用,当无需12个触摸按键时,可以选择将触摸通道当做标准IO口使用。在MCU IO资源紧张的场景下,可以使用AiP5912的剩余触摸输入口当作MCU IO拓展口使用,及当做触摸按键电路也当IO拓展电路。
应用领域
AiP5912在需要电容式触摸输入的应用中可用于以下场景:
1、常规的设备触摸交互面板。
2、在电池供电且有低功耗需求的触摸应用当中,如指纹电子门锁、触摸式遥控器、触摸式线控器、可互动的陪伴机器人玩具等,AiP5912本身超低工作电流,可确保设备长期运行。
3、在MCU IO资源紧张的触摸应用当中,AiP5912可以充当IO拓展电路的角色,降低整机的物料成本。
4、在触摸感应区域相隔较远,按键交互多组合,且按键分布不均的应用当中,AiP5912触摸灵敏度独立可调,且支持多按键自由组合,可以大大降低开发难度。
结语
AiP5912是一款低功耗的电容式触摸按键电路,具有超低功耗、强适应性、高灵活性等特点,使其在触摸应用领域中拥有广泛的适用场景。
中微爱芯电容式触摸芯片选型表如下:

如需了解更多产品资讯,请联系我司授权代理商或销售工程师。
关于中微爱芯
无锡中微爱芯电子有限公司成立于2004年,是一家以集成电路设计、测试、方案开发、销售和服务为主的高新技术企业,是工信部认定的集成电路设计企业,是国家鼓励的重点集成电路设计企业。产品已形成MCU、LCD显示、LED显示、通用逻辑、信号链、马达&栅驱动、功率器件、电源、音响、遥控器、通信、配套等多个系列几千款产品,覆盖消费电子、网通产品、工业设备、新能源、汽车电子等多个领域。