时间:2022-12-09 10:35
人气:
作者:admin
简介
在我们的日常生活中,电容式触摸控制无处不在。空气炸锅、洗衣机、空调、遥控器等家用电器都会用到电容式触摸按键。传统的机械按键时间一长触点就容易接触不良,造成按键失灵。相比于机械按键,电容式触摸按键不仅寿命长、操作方便而且具有防水和强抗干扰能力,增强了用户的交互式体验感。
下面将以无锡中微爱芯电子有限公司AiP8F32XX DEMO板为例,简要说明下电容式触摸按键的设计要点,以方便工程人员开发电容式触摸按键方案。
电容式触摸方案PCB设计要点
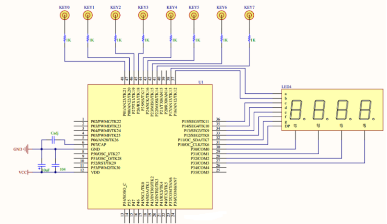
触控MCUAiP8F32XX应用电路

注:Cadj为基准电容
匹配电阻及基准电容Cadj的选择
匹配电阻应该尽可能的靠近触摸芯片的引脚位置,这样可以提高芯片的抗干扰能力,电阻的阻值推荐1K-2K,默认使用1.5K。基准电容Cadj应该尽可能的靠近MCU引脚和GND。推荐电容为温度系数小的NPO电容,容值为5.6nF-22nF,推荐使用10nF。触摸芯片的的放置位置尽量处于所有TouchPad的中间,这样可以使得每个TouchPad到芯片引脚的距离一致,有利于减小触摸差异。
触摸走线设计要求
TouchPad到MCU触摸引脚的走线TKline要尽量短和细(建议7-10mil),以确保信号的稳定,同时TKline彼此间的距离尽量大,尽量保证在2倍线宽以上。
TKline的正上方或者正下方尽量避免VDD、Digital信号线重叠。
当TKline与 VDD、Digital信号线在同一个Layer时,尽量将两个信号线间的距离大于4倍线宽。
若因Board 面积有限,TKline与其他信号线在同一层,且距离较近则中间建议用GND隔开,GND宽度建议2倍以上TKline宽度。

触摸走线示意图
多个KEY走线时,TouchPad到MCU触摸引脚的走线尽量做到长短一致。由于实际应用中导线相当于电容,不同长度走线容易产生多余寄生电容,造成各个按键检测电容不一致。

理想的布局方式
各个TouchPad的通道走线彼此间要尽量远离,且需同时远离其他元件和走线,尤其是远离信号线(例如IIC、SPI、UART等高频通信走线)。在没法避免的情况下,请让两者垂直布线,禁止平行走线。

触摸通道线与通讯线不同层的处理
TouchPad设计
TouchPad可采用外接铜箔、金属片、弹簧、导电棉等形式。若采用PCB铜箔形式,其中形状一般为方形、圆形和灯形状。TouchPad的面积一般为8mm×8mm至15mm×15mm,面板厚度不同TouchPad面积也有所差别,下表列出了面板厚度与TouchPad面积的对应关系,若在TouchPad中开孔或者放置LED等,需增大TouchPad面积。

面板厚度与感应盘面积
铺地层
若产品在触摸按键正背面无大的干扰源,且与其他电源板相隔大于5mm,则背面可不铺地。
如若铺地,则为了使寄生电容最小化,推荐在触摸按键所在的层进行40%的铺地(触摸按键层Grid Size = 24mil,Track Width = 8mil),而非触摸按键所在层则进行60%-80%的铺地(Grid Size = 14mil,Track Width = 8mil)。如下图所示:

按键顶层与底层铺地示意图
AiP8F32XX产品简介
产品特点

内部框图

AiP8F3208

AiP8F3216/ AiP8F3216E

AiP8F3264
总结
电容式触摸按键应用范围广泛,无锡中微爱芯的AiP8F32XX MCU触摸端口数量多,可适用于多按键的触摸应用场景。集成了诸如AD、LED、LCD、I2C、SPI、UART等众多外设,功能强大应用范围广,更多详情可咨询我司销售。
审核编辑:汤梓红