时间:2023-01-16 12:00
人气:
作者:admin
海凌科2023年首款新品推出,指纹蓝牙二合一模块——HLK-FPM133,瑞典 FPC 面阵式指纹传感器,支持 BLE 5.1 通讯,存储 100 枚指纹特征,小体积低功耗高性价比,应用领域广泛。

1
HLK-FPM133模块特点
1、小体积低功耗
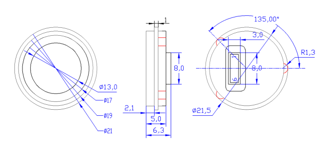
HLK-FPM133模组体积小巧,仅Ø21mm×6mm。因而十分适合应用于门锁、读卡器和保险箱等体积较小、使用电池供电的设备中。供电电流≤300mA,供电电压典型值3.3V,休眠模式的典型值为10uA。模块在低功耗的同时还可以保持优异的反应性能及高速的识别速度。

2、支持存储 100 枚指纹特征
HLK-FPM133指纹模块是一款瑞典 FPC 面阵式指纹传感器,支持存储100枚指纹,支持指纹拼接,拼接最大次数6 次。同时,该指纹模块的使用次数大于百万次,HLK-FPM133指纹模块完全可适用于中小型公司的考勤门禁使用。
3、支持 BLE 5.1 通讯
HLK-FPM133指纹模块对比HLK-FPM383C指纹模块最大的特点在于,HLK-FPM133指纹模块兼容BLE 5.1通讯,可以通过手机蓝牙接收指纹模块的指令信息,控制指纹模块解锁。

4、0.3S极速解锁
HLK-FPM133指纹模块无需联网,离线识别,集本地采集、存储和识别于一体。模块响应速度快,特征提取时间<0.30s,单枚匹配时间<0.002s。模块的指纹匹配时间短,解锁速度快,使用方便。
5、安全可靠,不易损坏
HLK-FPM133 模块使用 1.0mm 连接器,可以使用普通线缆进行连接,增强连接可靠性。
HLK-FPM133 模块的认假率FAR(False Acceptance Rate)<1/1000000,拒真率 FAR(False Rejection Rate)<1%。模块的识别准确性高,安全性高。
除此以外,HLK-FPM133 模块采用电容式指纹传感器,通过测量指纹信号,可以有效检测假手指问题。指纹传感器表面使用高硬度涂层,在日常使用中,可以极大的减少对指纹传感器的磨损。
2
HLK-FPM133模块应用场景
HLK-FPM133 模块适用于指纹门锁、保险柜、首饰盒等安全领域,授权许可、管理软件等管理领域,门禁系统、POS机考勤机等身份认证领域。HLK-FPM133 能承受 15KV 的静电,这在冬天或者北方等静电比较高地区使用时, 不容易损坏指纹传感器。因而可使用于-20-55℃的工作环境下,适用于多种气候环境。
小体积低功耗,0.3秒极速解锁,识别准确率高,安全可靠,性价比高,应用场景广泛。HLK-FPM133模块是现有指纹模块中的不二之选。