时间:2022-06-02 15:16
人气:
作者:admin
产品概述:
PT8026S 是一款电容式触摸控制 ASIC,支持 6 通道触摸输入,一对一同步 CMOS 输出。算法带有自补偿功能,高抗干扰(可通过 10V 动态 CS 测试)、宽工作电压范围、高穿透力的突出优势。广泛应用于小家电、智能安防、物联网控制等工业级应用领域。
主要特性:
工作电压范围:2.4~5.5V
工作电流:4.5mA(正常模式)@VDD=5V&CMOD=10nF
6 通道触摸输入
一对一直接同步 CMOS 输出,未按键时为高电平输出,按键为低电平输出
算法可自补偿修正触摸通道差异或走线长短不一致情况
CMOD 脚外接电容可调节灵敏度,电容越大灵敏度越高
具有防水功能,当水漫或成片水珠覆盖在触摸面板时,按键仍可有效判别
内置稳压源、上电复位和低压复位等硬件模块
内置实时环境自适应、高效数字滤波等软件算法
抗电源纹波能力强,可抵抗<0.5V 的电源纹波,不影响芯片正常工作,不误动
超强抗 EMC 能力,可通过 10V 动态 CS 测试
抗 RF 干扰能力强,同类型产品中,抗对讲机等大功率 RF 发射设备的干扰时具有优异表现。
HBM ESD 优于 5KV
封装及引脚说明:


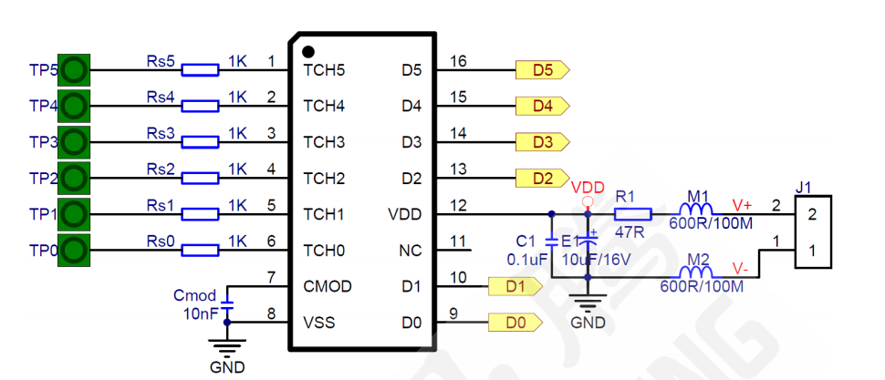
应用电路:

功能介绍:
芯片采用一对一直接输出,未按键时为高电平输出,按键为低电平输出
按键有效输出连续超过 10 秒,芯片复位
可分辨水与手指差异,当水漫或成片水珠覆盖在触摸面板时,按键仍可有效判别。但水不可于
触摸按键盘上形成“水柱”
环境自适应功能,可随环境的温湿度变化调整参考值,确保按键判断正常工作
内置稳压源及抗电源纹波的滤波算法程序,对电源纹波的干扰有很好的耐受能力
算法可自补偿修正触摸通道差异或走线长短不一致情况,使每路通道灵敏度保持一致
审核编辑:汤梓红