时间:2022-07-21 16:41
人气:
作者:admin
中颖MCU集成有触摸模块。触摸分为两大类。一类触摸需要外接电容C,另一类无需外接电容C。
本文主要介绍有C系列触摸使用方法。
有C系列的触摸应用框图如下所示,外接10nF-100nF之间的电容C1即可实现触摸检测功能。

图1-1 Touch应用框图
如图1-2所示为Touch应用参考原理图,主要由以下几个部分组成:

图1-2 Touch应用原理图
仿真调试:
1)仿真接口ISP :VDD,SWE,GND
2)参数调试UART接口P1:VDD,RX,TX,GND
为方便开发,建议预留仿真及参数调试接口,可通过中颖提供 “STouch”软件观测触摸检测数据观测软件。
触摸电路:
1)外接触摸电容C1。选择nF级(103,223,333,473等)电容 (材质X7R等常规电容即可,对温度范围要求较广的场合例如-30℃建议使用NPO电容)。
2)触摸引脚根据实际需要可增加或删减按键个数。在触摸口可调整的情况下,建议与高频IO口(SPI/I2C/UART等)隔开,以便于PCB走线。
电源电路
3)触摸引脚与PAD之间串一个1~4.7K的抗干扰电阻(建议选择4.7K)。
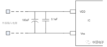
电源电路:
电源需要接大小电容滤波,推荐为100uF+100nF+100nF,100nF靠近电源输入端,100uF+100nF靠近IC,电源上面越多的电容,抗干扰能力越强。

图1-3 滤波电容放置
PCB布板注意事项:
为了触控效果达到最佳,除了要遵循通用的布线规则之外,在PCB设计上有一些参考建议,请使用者画板时注意。
1)外接触摸按键电容C1,串联电阻靠近MCU引脚,可增强抗干扰。

图1-4外接电容C与抗干扰电阻位置
2)尽量将按键线与按键线之间以及按键线与其它走线之间的间距拉开,并行距离不能小于20mil,越大越好。

图1-5 线间距
3)由于电容式触控按键属于高阻抗特性,容易受到高频信号源(SPI/I2C/UART/PWM/LED等)干扰,因而尽量避免高频信号线接近按键走线,感应盘到触摸芯片的连线不要跨越强干扰、高频的信号线。在无法避免的情况下,两者垂直走线。如果PCB受限一定要并行走,需要里面加GND线隔离。


图1-6 触摸按键走线与其它高频信号走线
4)按键与IC脚之间的信号线尽量不要靠近PCB板边,板边的干扰会较大,且人手容易接触到板边。如果为双面板,触摸按键的走线位于PCB上与触摸按键不同的一面可减少手指接触走线的影响。
5)触摸按键传感器下面不能走其它触摸按键的走线。

图1-7 触摸按键走线
软件配置:
1)中颖提供完整的高抗干扰性触摸库,用户只需进行简单的参数配置即可实现正常的触摸及功能。
2)中颖“STouch”软件可用于触摸数据观测以及校准等(需与触摸库配合使用)。
如需获取详细触摸库及STouch软件相关资料,请与中颖工程师联系。
审核编辑:汤梓红下一篇:浅谈人脸识别技术的应用领域