时间:2022-08-20 15:44
人气:
作者:admin
指纹锁、保险柜、考勤门禁等产品开发,这款指纹模块就够了~
HLK-FM383C指纹识别准率高,识别速度仅0.2S,安全系数高,芯片算法中提取了指纹特征,防范暴力破解。
因而FM383C非常适用于做各种指纹锁,有博主用FM383C做了一个电动车指纹锁。
1、基于FM383C做的电动车指纹锁
该用户基于FM383C指纹模块,结合点灯科技APP,开发出电动车指纹锁模型,同时源码开源。
2、FM383C指纹模块优势
FM383C之所以能受到很多开发者的喜爱,除了其安全系数高识别速度快之后,还得益于其小体积低功耗高性价比等特点~
> 低功耗高耐用性 <
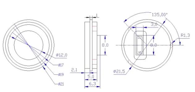
HLK-FM383C是一款面阵式半导体指纹识别模块,体积21x21x6mm,工作电流仅0.04A,集成度高,体积小巧低功耗。
指纹模块表面覆盖保护涂层,ESD防护等级>15KV,RGB三色LED灯,UART接口,1.0mm连接器,支持可靠连接。产品具备防雾防尘防破坏能力,有效解决了人体静电的影响、提高了产品采像质量、增加了产品耐用性。

(模组正面结构尺寸)
> 指纹识别快速准确 <
指纹模块识别准确度,认假率FAR:<1/1000000,拒真率FRR:<1.5%;响应速度快,特征提取时间<0.20s,单枚匹配时间<0.002s。

(模组规格定义)
> 使用范围广 <
除此以外,这款指纹模块可存储60枚指纹特征;支持指纹拼接,拼接最大次数6次。因而,完全满足指纹门锁、首饰盒、小型公司考勤机等等产品的使用。
审核编辑:刘清