时间:2022-03-21 09:52
人气:
作者:admin
产品型号:VK1072B VK1072C VK1072D
产品品牌:永嘉微电/VINKA
封装形式:SOP28 SSOP28
VK1072B/C/D概述:
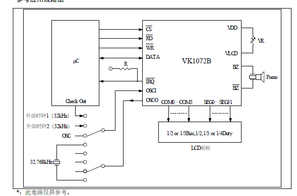
VK1072B/C /D是一个18*4的LCD驱动器,可软体程式控制使其适用于多样化的LCD应用线路,仅用到3条讯号线便可控制LCD驱动器,除此之外也可介由指令使其进入省电模式。
特色:
工作电压:2.4-5.2V
内建256KHz RC oscillator
可选择1/2,1/3 偏压,也可选择1/2,1/3或1/4的COM周期
省电模式, 节电命令可用于减少功耗
内 嵌 时 基 发 生 器 和 看 门 狗 定 时 器(WDT)
内建time base generator
18X4 LCD 驱动器VLCD 脚位可用来调整LCD输
叁种数据访问模式
内建32X4 bit 显示记忆体
叁线串行接口
软体程式控制
资料及指令模式
自动增加读写位址
提供VLCD 脚位可用来调整LCD输出电压
此篇产品叙述为功能简介,如需要完整产品PDF资料可以联系
HCH433


触摸触控IC系列简介如下:
标准触控IC-电池供电系列:
VKD223EB --- 工作电压/电流:2.0V-5.5V/5uA-3V 感应通道数:1 通讯接口
最长响应时间快速模式60mS,低功耗模式220ms 封装:SOT23-6
VKD223B --- 工作电压/电流:2.0V-5.5V/5uA-3V 感应通道数:1 通讯接口
最长响应时间快速模式60mS,低功耗模式220ms 封装:SOT23-6
VKD233DB --- 工作电压/电流:2.4V-5.5V/2.5uA-3V 1感应按键 封装:SOT23-6
通讯接口:直接输出,锁存(toggle)输出 低功耗模式电流2.5uA-3V
VKD233DH ---工作电压/电流:2.4V-5.5V/2.5uA-3V 1感应按键 封装:SOT23-6
通讯接口:直接输出,锁存(toggle)输出 有效键最长时间检测16S
VKD233DS --- 工作电压/电流:2.4V-5.5V/2.5uA-3V 1感应按键 封装:DFN6(2*2超小封装)
通讯接口:直接输出,锁存(toggle)输出 低功耗模式电流2.5uA-3V
VKD233DR --- 工作电压/电流:2.4V-5.5V/1.5uA-3V 1感应按键 封装:DFN6(2*2超小封装)
通讯接口:直接输出,锁存(toggle)输出 低功耗模式电流1.5uA-3V
VKD233DG --- 工作电压/电流:2.4V-5.5V/2.5uA-3V 1感应按键 封装:DFN6(2*2超小封装)
通讯接口:直接输出,锁存(toggle)输出 低功耗模式电流2.5uA-3V
VKD233DQ --- 工作电压/电流:2.4V-5.5V/5uA-3V 1感应按键 封装:SOT23-6
通讯接口:直接输出,锁存(toggle)输出 低功耗模式电流5uA-3V
VKD233DM --- 工作电压/电流:2.4V-5.5V/5uA-3V 1感应按键 封装:SOT23-6 (开漏输出)
通讯接口:开漏输出,锁存(toggle)输出 低功耗模式电流5uA-3V
VKD232C --- 工作电压/电流:2.4V-5.5V/2.5uA-3V 感应通道数:2 封装:SOT23-6
通讯接口:直接输出,低电平有效 固定为多键输出模式,内建稳压电路
MTP触摸IC——VK36N系列抗电源辐射及手机干扰:
VK3601L --- 工作电压/电流:2.4V-5.5V/4UA-3V3 感应通道数:1 1对1直接输出
待机电流小,抗电源及手机干扰,可通过CAP调节灵敏 封装:SOT23-6
VK36N1D --- 工作电压/电流:2.2V-5.5V/7UA-3V3 感应通道数:1 1对1直接输出
触摸积水仍可操作,抗电源及手机干扰,可通过CAP调节灵敏封装:SOT23-6
VK36N2P --- 工作电压/电流:2.2V-5.5V/7UA-3V3 感应通道数:2 脉冲输出
触摸积水仍可操作,抗电源及手机干扰,可通过CAP调节灵敏封装:SOT23-6
VK3602XS ---工作电压/电流:2.4V-5.5V/60UA-3V 感应通道数:2 2对2锁存输出
低功耗模式电流8uA-3V,抗电源辐射干扰,宽供电电压 封装:SOP8
VK3602K --- 工作电压/电流:2.4V-5.5V/60UA-3V 感应通道数:2 2对2直接输出
低功耗模式电流8uA-3V,抗电源辐射干扰,宽供电电压 封装:SOP8
VK36N2D --- 工作电压/电流:2.2V-5.5V/7UA-3V3 感应通道数:2 1对1直接输出
触摸积水仍可操作,抗电源及手机干扰,可通过CAP调节灵敏封装:SOP8
VK36N3BT ---工作电压/电流:2.2V-5.5V/7UA-3V3 感应通道数:3 BCD码锁存输出
触摸积水仍可操作,抗电源及手机干扰,可通过CAP调节灵敏 封装:SOP8
VK36N3BD ---工作电压/电流:2.2V-5.5V/7UA-3V3 感应通道数:3 BCD码直接输出
触摸积水仍可操作,抗电源及手机干扰,可通过CAP调节灵敏 封装:SOP8
VK36N3BO ---工作电压/电流:2.2V-5.5V/7UA-3V3 感应通道数:3 BCD码开漏输出
触摸积水仍可操作,抗电源及手机干扰 封装:SOP8/DFN8(超小超薄体积)
VK36N3D --- 工作电压/电流:2.2V-5.5V/7UA-3V3 感应通道数:3 1对1直接输出
触摸积水仍可操作,抗电源及手机干扰 封装:SOP16/DFN16(超小超薄体积)
VK36N4B ---工作电压/电流:2.2V-5.5V/7UA-3V3 感应通道数:4 BCD输出
触摸积水仍可操作,抗电源及手机干扰 封装:SOP16/DFN16(超小超薄体积)
VK36N4I---工作电压/电流:2.2V-5.5V/7UA-3V3 感应通道数:4 I2C输出
触摸积水仍可操作,抗电源及手机干扰 封装:SOP16/DFN16(超小超薄体积)
VK36N5D ---工作电压/电流:2.2V-5.5V/7UA-3V3 感应通道数:5 1对1直接输出
触摸积水仍可操作,抗电源及手机干扰 封装:SOP16/DFN16(超小超薄体积)
VK36N5B ---工作电压/电流:2.2V-5.5V/7UA-3V3 感应通道数:5 BCD输出
触摸积水仍可操作,抗电源及手机干扰 封装:SOP16/DFN16(超小超薄体积)
VK36N5I ---工作电压/电流:2.2V-5.5V/7UA-3V3 感应通道数:5 I2C输出
触摸积水仍可操作,抗电源及手机干扰 封装:SOP16/DFN16(超小超薄体积)
VK36N6D --- 工作电压/电流:2.2V-5.5V/7UA-3V3 感应通道数:6 1对1直接输出
触摸积水仍可操作,抗电源及手机干扰 封装:SOP16/DFN16(超小超薄体积)
VK36N6B ---工作电压/电流:2.2V-5.5V/7UA-3V3 感应通道数:6 BCD输出
触摸积水仍可操作,抗电源及手机干扰 封装:SOP16/DFN16(超小超薄体积)
VK36N6I ---工作电压/电流:2.2V-5.5V/7UA-3V3 感应通道数:6 I2C输出
触摸积水仍可操作,抗电源及手机干扰 封装:SOP16/DFN16(超小超薄体积)
VK36N7B ---工作电压/电流:2.2V-5.5V/7UA-3V3 感应通道数:7 BCD输出
触摸积水仍可操作,抗电源及手机干扰 封装:SOP16/DFN16(超小超薄体积)
VK36N7I ---工作电压/电流:2.2V-5.5V/7UA-3V3 感应通道数:7 I2C输出
触摸积水仍可操作,抗电源及手机干扰 封装:SOP16/DFN16(超小超薄体积)
审核编辑:汤梓红