全球最实用的IT互联网信息网站!
AI人工智能P2P分享&下载搜索网页发布信息网站地图
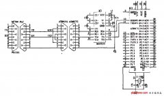
讲述如何实现单片机与触摸屏的通信
阅读全文2013-01-06
科普互电容式触控技术
智能手机的重要部分:触控技术了解
阅读全文2013-01-05
MPLS技术在云计算安全中的应用
阅读全文2012-12-29
详解确保云计算安全的四大解决方案
导入ARM的TEE核心 NFC手机毋须安全元件
阅读全文2012-12-28
应用新型充电方案,提高锂电子电池的充电安全
阅读全文2012-12-26
Cypress可望进一步扩大Gen4触控系列IC产品市场
阅读全文2012-12-25
令人拍案叫绝的智能包装印刷传感器系统!
阅读全文2012-12-24
隐藏在三星Galaxy Note II手机里传感器的秘密
阅读全文2012-12-21
浅谈瑞萨触摸芯片低功耗功能的实际应用
TDK触觉技术助力提升驾驶安全性
TITAN Haptics推出DRAKE LFi触觉马达,助力紧凑
基于生物识别的门禁系统解决方案
CPU | 内存 | 硬盘 | 显卡 | 显示器 | 主板 | 电源 | 键鼠 | 网站地图
Copyright © 2025-2035 诺佳网 版权所有 备案号:赣ICP备2025066733号 本站资料均来源互联网收集整理,作品版权归作者所有,如果侵犯了您的版权,请跟我们联系。