LM2578A是一个开关稳压器,可以轻松设置此类DC-DC电压 转换电路作为降压、升压和反相配置。该LM2578A具有独特的 比较器输入级,不仅具有用于反相和同相的单独引脚 输入,而且还为每个输入提供内部 1.0V 基准电压源,从而简化电路 设计和 PC 板布局。输出可以切换高达 750 mA 的电流,并具有输出引脚 集电极和发射极,以提高设计灵活性。外部限流端子可以是 参考地或 V在终端,具体取决于 应用。此外,LM2578A还有一个板载振荡器,用于设置开关 单个外部电容器的频率范围为 <1 Hz 至 100 kHz(典型值)。
LM2578A 是 LM2578 的改进版本,为 总电源电压和输出晶体管发射极和集电极电压。
*附件:lm2578a.pdf
特性
- 反相和同相反馈输入
- 输入端为1.0V基准电压源
- 工作电压为2V至40V
- 输出电流高达 750 mA,饱和度小于 0.9V
- 电流限制和热关断
- 占空比高达 90%
参数

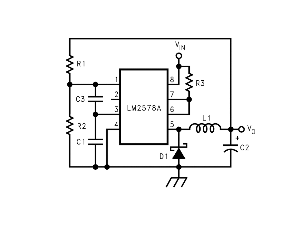
方框图

1. 产品概述
LM2578A/LM3578A是德州仪器(TI)推出的开关稳压器芯片,适用于多种DC-DC电压转换拓扑(如降压、升压、反压及单端变压器配置)。其核心特性包括:
- 宽输入电压范围:2V至40V
- 高输出电流:最大750mA(饱和电压<0.9V)
- 灵活反馈设计:支持同相/反相输入,内置1.0V基准电压
- 保护功能:电流限制、热关断
- 高占空比:最高90%
2. 关键特性
- 振荡器:通过外部电容可调频率(1Hz至100kHz)
- 输出晶体管:集电极和发射极独立引脚,支持设计灵活性
- 电流限制:可参考地或Vin引脚,支持瞬态抑制和电压倍增配置
- 工作温度:工业级(-40°C至+85°C)和商用级(0°C至+70°C)
3. 典型应用电路
- 降压(Buck) :15V转5V/350mA,效率75%
- 升压(Boost) :5V转15V/140mA,支持同步操作
- 反压(Inverting) :5V转-15V/300mA
- RS-232电源:5V输入生成±12V双输出,效率>70%
4. 设计要点
- 电感选择:通过伏秒积(E-Top)计算,示例中470μH用于降压电路
- 保护电路:欠压锁定、占空比限制(外部电阻调整)
- 同步功能:多器件同步需外部脉冲信号(1.5V-2.0V振幅)
5. 封装与版本
- 封装选项:PDIP-8(直插)、SOIC-8(表贴)
- 改进版本:LM2578A为LM2578的升级版,提高电压和温度规格
6. 文档结构
- 电气参数:详细列示振荡器频率、参考电压精度、饱和电压等
- 性能曲线:包括温度漂移、饱和电压与电流关系等
- 测试电路:提供参数测量参考设计