该TPS631000是一款恒频峰值电流模式控制降压-升压转换器。该器件具有 3A 峰值电流限制(典型值)和 1.6V 至 5.5V 输入电压范围。该TPS631000为系统预稳压器和稳压器提供电源解决方案。
根据输入电压,当输入电压大致等于输出电压时,TPS631000自动以升压、降压或3周期降压-升压模式运行。模式之间的转换发生在规定的占空比下,避免了模式内不必要的切换,从而减少了输出电压纹波。8μA 静态电流和省电模式功率可在轻度至空载条件下实现最高效率。
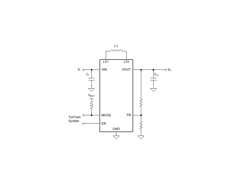
该TPS631000提供非常小的解决方案尺寸,采用1.2 mm×2.1 mm SOT-583封装、一个1 μH电感器和一个0805输出电容。
*附件:tps631000.pdf
特性
- 1.6V 至 5.5V 输入电压范围
- 1.2V 至 5.3V 输出电压范围(可调)
- 高输出电流能力,3A 峰值开关电流
- V 的 2A 输出电流
在 ≥ 3 V、V 外 = 3.3 伏 - 1.5A 输出电流,V
在 ≥ 2.7 V、V 外 = 3.3 伏
- 在整个负载范围内实现高效率
- 150 mV 负载阶跃响应,电流阶跃为 1A
- 峰值电流降压-升压模式架构
- 具有< 20 mV 输出纹波的无缝模式转换
- 正向和反向电流作
- 启动到预偏置输出
- 带 2 MHz 开关的固定频率作
- 安全和稳健的作特性
- 过流保护和短路保护
- 集成软启动,主动采用斜坡
- 过温保护和过压保护
- 带负载断开的真正关断功能
- 正向和反向电流限制
- 小解决方案尺寸
- 小型 1 μH 电感器
- 在全 V 电压内与一个 0805 输出电容器配合使用
外范围
参数

方框图

1. 产品概述
TPS631000 是德州仪器(TI)推出的一款高效、高功率密度的降压-升压(Buck-Boost)转换器,具有以下核心特性:
- 输入电压范围:1.6V 至 5.5V(启动时需 >1.65V)。
- 输出电压范围:1.2V 至 5.3V(可调)。
- 输出电流能力:峰值开关电流 3A,支持 1.5A 持续输出(VIN ≥ 2.7V,VOUT = 3.3V)。
- 高效率:轻载时静态电流仅 8μA,支持节能模式(Power Save Mode)。
- 快速响应:1A 负载阶跃时响应时间为 150mV。
2. 关键特性
- 工作模式:
- 自动切换降压、升压或三周期降压-升压模式(输入电压接近输出电压时)。
- 支持强制 PWM(FPWM)和自动 PFM 模式选择(通过 MODE 引脚控制)。
- 保护功能:
- 过流/短路保护、过温保护、输入/输出过压保护。
- 真实关断功能(负载断开)。
- 小型化设计:
- 采用 1.6mm × 2.1mm SOT-583 封装,仅需 1μH 电感和单颗 0805 输出电容。
3. 典型应用
- 场景:智能手机/平板预稳压、传感器供电、RF 放大器电源、电压稳定器等。
- 示例电路:
- 输入电容 22μF,输出电容 47μF,电感 1μH,电阻分压网络(如 3.3V 输出时 R1=511kΩ,R2=91kΩ)。
4. 设计要点
- 电感选择:需满足饱和电流 > 峰值电流(如 1μH/4.3A 规格)。
- 布局建议:输入/输出电容尽量靠近芯片,FB 引脚走线远离开关节点。
- 输出设置:通过外部电阻分压调节,公式为 R1 = R2 × (VOUT/0.5V - 1)。
5. 性能曲线
文档提供了效率、负载调整率、瞬态响应等实测数据(如 3.3V 输出时效率可达 95%)。