该TPS552882是一款同步四开关降压-升压转换器,能够将输出电压调节在输入电压、高于或低于输入电压。该TPS552882在2.7V至36V宽输入电压下工作,能够输出0.8V至22V电压,以支持各种应用。
该TPS552882集成了升压支路的两个 16A MOSFET,以平衡解决方案尺寸和效率。该TPS552882使用外部电阻分压器将输出电压设置为1.2V内部基准电压。该TPS552882能够在 12V 输入电压下提供 100 W 的功率。
*附件:tps552882.pdf
该TPS552882采用平均电流模式控制方案。开关频率可通过外部电阻器在 200 kHz 至 2.2 MHz 范围内进行编程,并可与外部时钟同步。该TPS552882还提供可选的扩频功能,以最大限度地降低峰值EMI。
该TPS552882提供输出过压保护、平均电感电流限制、逐周期峰值电流限制和输出短路保护。该TPS552882还通过可选的输出电流限制和打嗝模式保护确保在持续过载条件下的安全运行。
该TPS552882可以使用具有高开关频率的小型电感器和小型电容器。它采用 4.0 mm × 3.5 mm HotRod QFN 封装。
特性
- 宽输入和输出电压范围
- 宽输入电压范围:2.7 V 至 36 V
- 宽输出电压范围:0.8 V 至 22 V
- 在整个负载范围内效率高
- V 时效率为 97%
在 = 12 伏,伏 外 = 20 V 和 I 外 = 3 安 - 轻负载下的可编程 PFM 和 FPWM 模式
- 避免频率干扰和串扰
- 可选时钟同步
- 可编程开关频率范围为 200 kHz 至 2.2 MHz
- EMI 缓解
- 丰富的保护功能
- 输出过压保护
- 用于输出短路保护的打嗝模式
- 热关断保护
- 可编程平均电感电流限制高达 16 A
- 小解决方案尺寸
- 最大开关频率高达 2.2 MHz
- 4.0mm × 3.5mm HotRod™ QFN 封装
- 可调节的输出电压补偿,用于电缆上的电压下降
- 通过检测电阻器进行可编程输出电流限制
- ±5% 的精确输出电流监控
- ±1% 基准电压精度
- 固定的 4 ms 软启动时间
参数

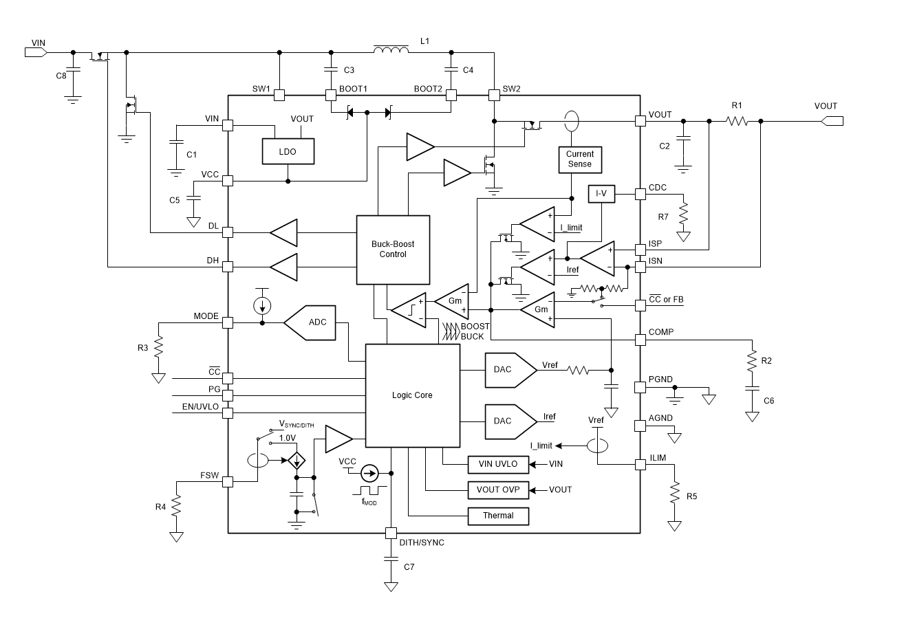
方框图

1. 核心特性
- 宽电压范围:输入2.7V至36V,输出0.8V至22V,支持USB PD、工业PC、无线充电等应用。
- 高效率:最高效率达97%(12V输入/20V输出/3A负载),支持可编程PFM/FPWM轻载模式。
- EMI优化:可选扩频调制(±7%频率抖动)和200kHz-2.2MHz可调开关频率,支持外部时钟同步。
- 保护功能:输出过压保护(23.5V阈值)、短路保护(打嗝模式)、热关断(175°C)及可编程平均电感电流限(最高16A)。
2. 关键设计参数
- 封装:4.0mm×3.5mm HotRod™ QFN封装,集成双16A MOSFET(升压侧)。
- 控制方案:平均电流模式控制,支持平滑切换降压/升压/升降压模式。
- 输出设置:通过外部电阻分压调节电压(1.2V基准),支持电缆压降补偿(CDC引脚)。
3. 典型应用电路
- 输入电容:推荐20μF陶瓷电容(低ESR)。
- 电感选择:1-10μH(如4.7μH),需满足饱和电流要求(如Coilcraft XAL1010-472)。
- 补偿设计:外置RC网络(COMP引脚),需兼顾降压/升压模式稳定性。
4. 布局与热管理
- 高频路径:缩短SW1/SW2引脚走线,输入/输出电容就近放置。
- 接地分离:功率地(PGND)与信号地(AGND)单点连接于VCC电容。
- 散热优化:底部散热焊盘需通过过孔连接至PCB地平面。