TPS6215x 系列是一款易于使用的同步降压直流/直流转换器,针对高功率密度应用进行了优化。典型值为 2.5 MHz 的高开关频率允许使用小型电感器,并通过使用 DCS 控制拓扑提供快速瞬态响应和高输出电压精度。
这些器件具有 3V 至 17V 的宽工作输入电压范围,非常适合由锂离子或其他电池以及 12V 中间电源轨供电的系统。这些器件在 0.9V 至 6V 的输出电压范围内(在 100% 占空比模式下)支持高达 1A 的连续输出电流。软启动引脚控制输出电压启动斜坡,允许作为独立电源或以跟踪配置运行。通过配置使能 (EN) 和开漏电源就绪 (PG) 引脚,也可以实现电源排序。
*附件:tps62151.pdf
在省电模式下,这些器件从 VIN 汲取约 17 μA 的静态电流。如果负载较小,则自动无缝进入省电模式,可在整个负载范围内保持高效率。在关断模式下,器件关断,电流消耗小于 2 μA。
该器件提供可调和固定输出电压版本,采用 3 × 3 mm (RGT) 的 16 引脚 VQFN 封装。
特性
- DCS-Control™ 拓扑
- 输入电压范围:3 V 至 17 V
- 高达 1A 的输出电流
- 0.9 V 至 6 V 的可调输出电压
- 引脚可选输出电压(标称值,+5%)
- 可编程软启动和跟踪
- 无缝省电模式转换
- 静态电流为 17 μA(典型值)
- 可选工作频率
- 电源正常输出
- 100% 占空比模式
- 短路保护
- 过热保护
- 与 TPS62130 和 TPS62140 引脚对引脚兼容
- 采用 3mm × 3mm VQFN-16 封装
- 使用 TPS82150 模块加快设计速度
参数

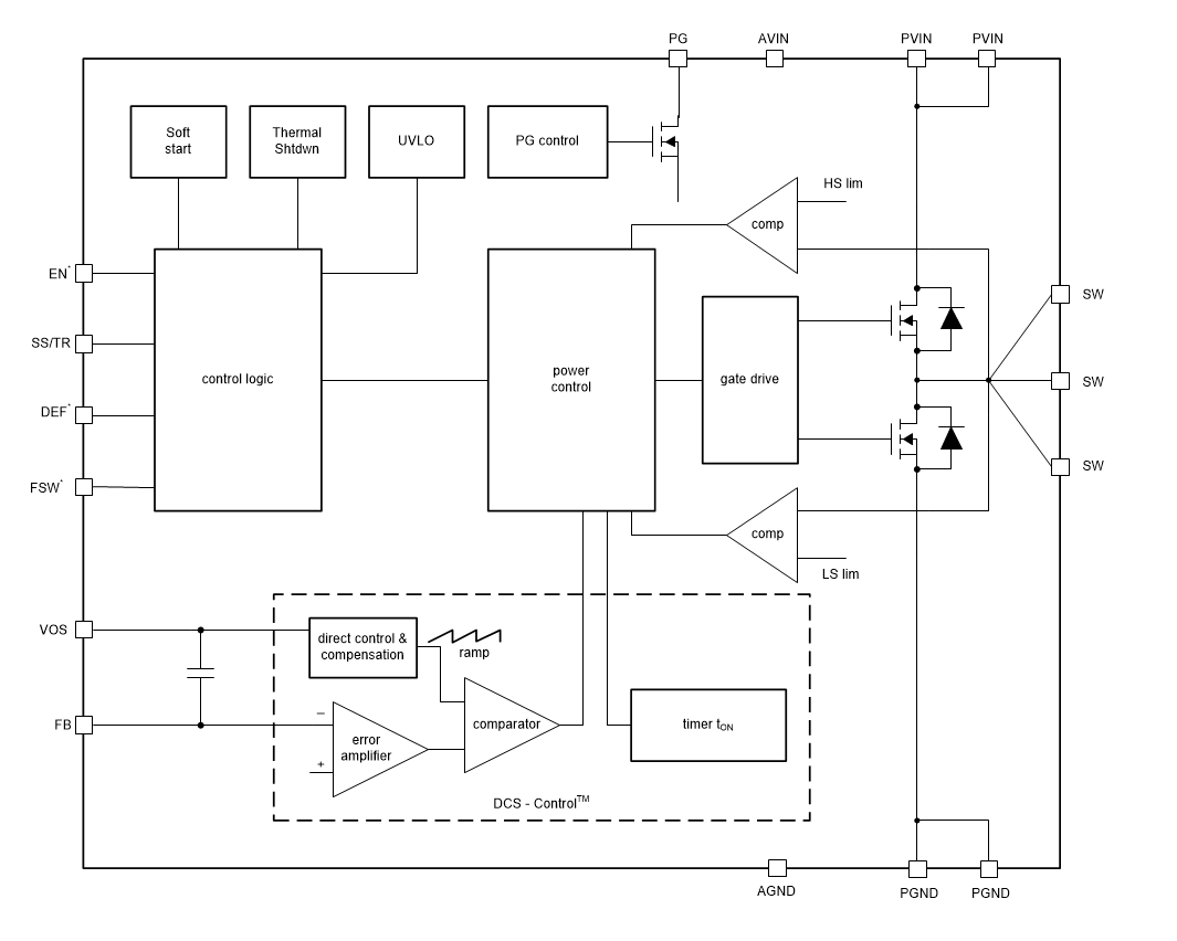
方框图

一、产品概述
TPS62151是一款高效能、易于使用的同步降压DC-DC转换器,专为高功率密度应用设计。该转换器提供宽输入电压范围(3V至17V)和高达1A的输出电流,支持固定输出电压1.8V,适用于多种便携式电子设备和其他需要高效电源管理的应用。
二、关键特性
- 宽输入电压范围:3V至17V,支持多种电源输入。
- 高输出电流:最大支持1A输出电流。
- 固定输出电压:标称输出电压为1.8V,精度高。
- 高效能:采用同步整流技术,提高能量转换效率。
- 快速瞬态响应:利用DCS-Control™拓扑结构,实现快速、稳定的负载瞬态响应。
- 低静态电流:在轻载或待机模式下,静态电流低至17μA,有助于延长电池寿命。
- 多种保护功能:包括短路保护、过温保护和过流保护,确保电路安全可靠。
- 小封装:采用3mm×3mm的VQFN-16封装,节省PCB空间。
三、引脚功能
- SW:开关节点,连接内部MOSFET开关。
- PG:开漏输出功率良好信号,用于指示输出电压就绪。
- FB:反馈电压引脚(内部下拉,固定输出版本可悬空)。
- SS/TR:软启动/跟踪引脚,控制输出电压启动斜坡。
- DEF:输出电压引脚选择(固定输出版本不适用)。
- FSW:开关频率选择引脚。
- AVIN、PVIN:控制电路和功率级供电引脚。
- EN:使能引脚,高电平有效。
- VOS:输出电压感应引脚。
- AGND、PGND:模拟地和功率地引脚。
四、工作模式
- PWM模式:在重载条件下工作,通过调节占空比来控制输出电压。
- 节电模式:轻载时自动进入,降低开关频率以减小损耗,提高效率。
- 100%占空比模式:当输入电压接近输出电压时,确保输出电压稳定。
- 软启动模式:启动时输出电压缓慢上升,避免浪涌电流对电路造成冲击。
五、设计指南
- 输出电压设置:固定输出版本无需设置,可调版本需通过电阻分压器调节FB引脚电压。
- 外部组件选择:根据应用需求选择合适的电感、输出电容和输入电容,确保电路稳定性和效率。
- 布局考虑:遵循数据手册中的布局指南,优化PCB布局以减小噪声和干扰。
- 热设计:考虑器件的热耗散,确保足够的散热措施,避免过热影响性能。
六、应用领域
- POL供电(来自单个或多个锂离子电池)
- 固态硬盘
- 嵌入式系统
- LDO替换
- 移动PC、平板电脑、调制解调器、相机等便携式电子设备
- 服务器、微服务器
- 数据终端、销售点(ePOS)系统等需要高效电源管理的应用