LMR33640 SIMPLE SWITCHER 稳压器是一款易于使用的同步降压 DC/DC 转换器,可为恶劣的工业应用提供一流的效率。该LMR33640可通过高达 36 V 的输入驱动高达 4 A 的负载电流。LMR33640 提供高轻载效率和输出精度。电源就绪标志和精密使能等功能为各种应用提供了灵活易用的解决方案。LMR33640 在轻负载时自动折返频率以提高效率。保护功能包括热关断、输入欠压锁定、逐周期电流限制和打嗝短路保护。集成和内部补偿消除了许多外部元件,并提供了专为简单 PCB 布局而设计的引脚排列。该器件的功能集旨在简化各种终端设备的实施。该LMR33640与 LMR33610、LMR33620、LMR33630(36 V、1 A/2、A/3 A)、LMR36510(65 V、1 A)和 LMR36520(65 V、2 A)引脚兼容,完善了可扩展的 SIMPLE SWITCHER 电源系列。这最大限度地减少了与电路板布局修改相关的成本和工作量。LMR33640采用 8 引脚 HSOIC 封装。
*附件:lmr33640.pdf
特性
- 功能安全
- 专为坚固耐用的工业应用而配置
- 输入电压范围:3.8 V 至 36 V
- 输出电压范围:1 V 至 24 V
- 峰值电流模式控制
- 结温范围:–40°C 至 +125°C
- 易于使用的 SOIC 封装
- 非常适合可扩展的工业电源
- 引脚兼容:
- LMR33610、LMR33620 和 LMR33630(36 V、1 A、2 A 或 3 A)
- LMR36510 和 LMR36520(65 V、1 A 或 2 A)
- 400 kHz 和 1 MHz 频率
- 集成补偿有助于减小解决方案尺寸、降低成本和设计复杂性
- 高效解决方案
- 峰值效率 > 95%
- 5 μA 的低关断静态电流
- 24 μA 的低工作静态电流
- 灵活的系统接口
参数

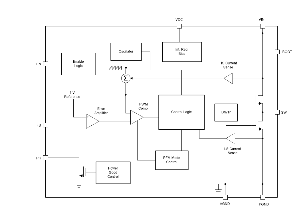
方框图

1. 产品概述
- 类型:同步降压DC/DC转换器
- 特点:高效率、易于使用、配置灵活、适用于工业应用
- 封装:8引脚HSOIC包装
- 应用:电机驱动系统、工厂和建筑自动化系统、宽VIN DC/DC电源供应等
2. 主要特性
- 输入电压范围:3.8V至36V
- 输出电压范围:1V至24V
- 输出电流:高达4A
- 开关频率:400kHz和1MHz可选
- 效率:峰值效率超过95%
- 保护功能:热关断、输入欠压锁定、逐周期电流限制、打嗝短路保护
- 接口:电源良好标志和精密使能
3. 引脚配置与功能
- 关键引脚:
- VIN:输入电源
- EN:使能输入
- SW:开关节点
- FB:反馈输入
- VCC:内部5V LDO输出
- BOOT:自举电源电压
- PG:电源良好标志输出
- AGND:模拟地
- PGND:功率地
4. 电气特性
- 绝对最大额定值:规定了各引脚电压和结温的最大值
- 推荐工作条件:明确了输入电压、输出电压和输出电流的范围
- 热信息:提供了热阻等热性能参数
- 电气特性:包括非切换输入电流、关机静态电流、使能阈值电压、内部LDO输出电压等详细参数
5. 功能描述
- 工作模式:支持PWM和PFM自动切换,以提高轻载效率
- 软启动:具有内部软启动功能,防止输出电压过冲和大电流冲击
- 电流限制和短路保护:采用逐周期电流限制和打嗝模式保护,防止过载和短路损坏
- 热关断:当结温超过阈值时自动关断,保护芯片免受过热损坏
- 电源良好标志:当输出电压稳定时,电源良好标志输出高电平,表示电源正常
6. 应用与实现
- 典型应用:提供了典型应用电路图,包括输入电容、输出电容、电感等关键组件的选择指南
- 设计步骤:详细介绍了如何根据应用需求选择合适的组件值,以实现最佳性能
- 布局指南:提供了PCB布局建议,以减小噪声和干扰,提高转换器的稳定性
7. 电源推荐
- 输入电源:要求输入电源稳定可靠,符合数据手册中的推荐工作条件
- 旁路电容:推荐使用高质量陶瓷电容对关键引脚进行旁路,以减小噪声和干扰
8. 文档与支持
- 相关文档:提供了应用报告、用户指南等相关文档的链接
- 支持资源:提到了TI E2E™支持论坛和WEBENCH® Power Designer工具,供工程师获取设计帮助和解答疑问
9. 封装与订购信息
- 封装类型:8引脚HSOIC封装
- 封装尺寸:详细尺寸信息在数据手册中提供
- 可订购部件号:列出了不同封装和温度等级的可订购部件号
LMR33640是一款高性能、易于使用的同步降压DC/DC转换器,适用于各种工业应用。其高效率、灵活的配置和完善的保护功能使其成为电机驱动系统、工厂和建筑自动化系统等领域的理想选择。