TPS20xxB 配电开关适用于可能遇到重电容负载和短路的应用。这些器件集成了 70mΩ N 沟道 MOSFET 功率开关,适用于需要在单个封装中集成多个功率开关的配电系统。每个开关都由一个逻辑使能输入控制。栅极驱动由内部电荷泵提供,旨在控制电源开关的上升时间和下降时间,以最大限度地减少开关期间的电流浪涌。该电荷泵无需外部元件,并允许在低至 2.7V 的电源下工作。
*附件:tps2054b.pdf
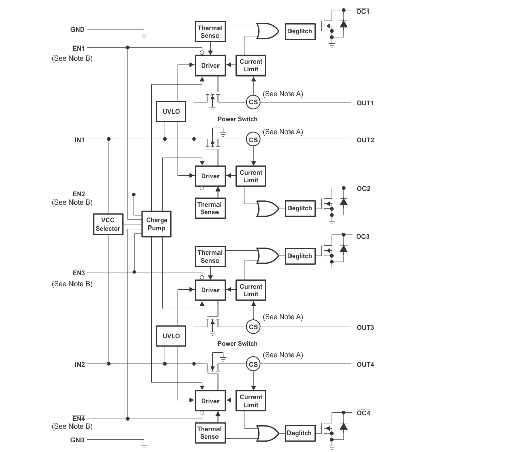
当输出负载超过限流阈值或出现短路时,该器件通过切换到恒流模式,将过流 (OCx) 逻辑输出拉低,将输出电流限制在安全水平。当持续的严重过载和短路增加开关中的功率耗散,导致结温升高时,热保护电路会关闭开关以防止损坏。一旦器件充分冷却,就会自动从热关断中恢复。内部电路确保开关保持关闭状态,直到出现有效的输入电压。该配电开关设计为将电流限制设置为 1A(典型值)。
特性
- 70mΩ 高侧 MOSFET
- 500mA 连续电流
- 热保护和短路保护
- 精确的电流限制(最小 0.75A,最大 1.25A)
- 工作范围:2.7V 至 5.5V
- 0.6ms 典型上升时间
- 欠压锁定
- 抗毛刺故障报告 ( OC)
- 上电期间无 OC 毛刺
- 最大待机电源电流:1μA (单通道、双通道) 或 2μA (三通道、四通道)
- 环境温度范围:–40°C 至 85°C
参数

方框图

1. 产品概述
TPS2054B是一款电流限制型电源分配开关,专为处理重电容负载和提供短路保护而设计。该设备集成了70mΩ的N通道MOSFET,适用于需要多个电源开关的电源分配系统。
2. 主要特性
- 高电流能力:提供500mA的连续负载电流。
- 精确电流限制:电流限制范围在0.75A至1.25A之间,可准确控制输出电流。
- 宽电压范围:支持2.7V至5.5V的操作电压范围。
- 快速响应:典型上升时间为0.6ms,有助于减少开关时的电流冲击。
- 多重保护:包括热保护、短路保护和欠压锁定(UVLO),确保设备安全稳定运行。
- 低功耗:在待机状态下,最大供电电流仅为2μA(四通道模式)。
- 环境适应性:可在-40°C至85°C的环境温度下正常工作。
- UL认证:获得UL认可,文件编号为E169910。
3. 功能描述
- 电源开关:采用N通道MOSFET作为电源开关,具有低导通电阻和高效率。
- 电荷泵:内置电荷泵提供驱动电源,无需外部组件,支持低至2.7V的输入电压。
- 电流感应:使用感应FET检测过电流情况,避免使用电流感应电阻增加串联电阻。
- 热保护:当结温升至约140°C时,热保护电路将关闭开关,防止设备损坏。
- 欠压锁定:当输入电压低于约2V时,UVLO电路将关闭电源开关,确保设备在安全电压范围内工作。
4. 应用领域
- 电源分配系统:适用于需要多个电源开关和电流限制的电源分配系统。
- USB设备:满足USB接口对电流限制和过流报告的要求,保护USB设备和主机免受损坏。
- 热插拔应用:通过控制电流和电压的上升时间,提供热插拔功能,保护设备免受电流冲击。
5. 封装与尺寸
TPS2054B提供多种封装选项,包括SOIC和HVSSOP等,具体封装尺寸和引脚配置请参考数据手册。
6. 设计指南
- 电源去耦:建议在输入和地之间放置0.1μF的陶瓷旁路电容器,以减少电源噪声。
- 输出电容:在输出引脚上放置高值电解电容器,以减少短路时的电压下冲。
- 布局与布线:遵循推荐的布局和布线指南,确保电源PAD直接连接到PCB地平面,以最小化热阻和电磁干扰。
- 热设计:根据功率耗散和封装热阻计算结温,确保设备在允许的温度范围内工作。
7. 注意事项
- 在设计电路时,应确保不超过TPS2054B的绝对最大额定值。
- 在处理敏感电子元件时,应采取适当的静电放电(ESD)防护措施。
- 在实际应用中,应根据具体需求选择合适的封装和引脚配置。