TPS20xxB 配电开关适用于可能遇到重电容负载和短路的应用。这些器件集成了 70mΩ N 沟道 MOSFET 功率开关,适用于需要在单个封装中集成多个功率开关的配电系统。每个开关都由一个逻辑使能输入控制。栅极驱动由内部电荷泵提供,旨在控制电源开关的上升时间和下降时间,以最大限度地减少开关期间的电流浪涌。该电荷泵无需外部元件,并允许在低至 2.7V 的电源下工作。
*附件:tps2053b.pdf
当输出负载超过限流阈值或出现短路时,该器件通过切换到恒流模式,将过流 (OCx) 逻辑输出拉低,将输出电流限制在安全水平。当持续的严重过载和短路增加开关中的功率耗散,导致结温升高时,热保护电路会关闭开关以防止损坏。一旦器件充分冷却,就会自动从热关断中恢复。内部电路确保开关保持关闭状态,直到出现有效的输入电压。该配电开关设计为将电流限制设置为 1A(典型值)。
特性
- 70mΩ 高侧 MOSFET
- 500mA 连续电流
- 热保护和短路保护
- 精确的电流限制(最小 0.75A,最大 1.25A)
- 工作范围:2.7V 至 5.5V
- 0.6ms 典型上升时间
- 欠压锁定
- 抗毛刺故障报告 ( OC)
- 上电期间无 OC 毛刺
- 最大待机电源电流:1μA (单通道、双通道) 或 2μA (三通道、四通道)
- 环境温度范围:–40°C 至 85°C
参数

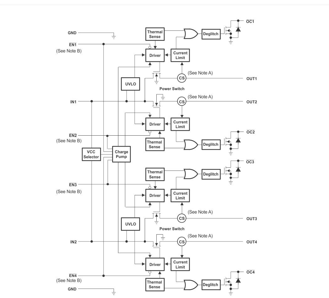
方框图

1. 概述
TPS2053B是一款限流型电源分配开关,适用于可能遇到重电容负载和短路的应用。该设备集成了70mΩ的N通道MOSFET功率开关,并具有多个电源开关集成在一个封装中的特点。
2. 主要特性
- 高侧MOSFET:70mΩ
- 连续电流:500mA
- 热保护和短路保护
- 准确电流限制:0.75A至1.25A
- 工作范围:2.7V至5.5V
- 典型上升时间:0.6ms
- 欠压锁定
- 去抖动故障报告
- 最大待机供电电流:1μA(单/双)或2μA(三/四)
- 环境温度范围:-40°C至85°C
- UL认证:文件编号E169910
3. 应用
4. 功能描述
4.1 电源开关
- TPS2053B中的电源开关是一个N通道MOSFET,具有低导通电阻,配置为高侧开关。
- 当禁用时,电源开关可防止电流从OUT流向IN或从IN流向OUT。
4.2 电荷泵
- 电荷泵提供门极驱动,控制电源开关的上升和下降时间,以最小化切换期间的电流涌浪。
- 电荷泵不需要外部组件,并允许从低至2.7V的电源操作。
4.3 电流感应
- 设备具有电流感应功能,当输出负载超过电流限制阈值或存在短路时,设备将输出电流限制在安全水平。
4.4 热感应
- TPS2053B实现热感应来监测电源分配开关的工作温度。在过流或短路条件下,结温升高,当结温升至约140°C时,内部热感应电路将关闭开关以防止损坏。
4.5 欠压锁定
- 欠压锁定功能确保在输入电压低于某个阈值时开关保持关闭状态。
5. 封装与尺寸
TPS2053B提供多种封装选项,包括SOIC(16引脚)、HVSSOP(8引脚)和SON(8引脚)等,具体尺寸和封装信息请参考数据表。
6. 电气特性
- 供电电流:在低电平输出和无负载条件下,供电电流典型值为0.52μA,最大值为10μA。
- 关断电流:在OCx输出为5V或3.3V时,关断电流为1μA。
- 热关断阈值:135°C,恢复阈值125°C,滞回10°C。
7. 应用曲线与典型特性
数据表中提供了多种应用曲线和典型特性图,包括开启时间、供电电流与结温关系、短路输出电流与结温关系等,这些曲线和特性图有助于用户更好地理解和应用TPS2053B。
8. 布局指南
- 推荐将电源和地平面连接到PCB的宽而短的铜迹线上。
- 提供了布局示例和功率耗散计算方法。
9. 文档与支持
- TI提供文档更新通知、支持资源、商标信息、静电放电警告和术语表等。