时间:2023-11-16 18:18
人气:
作者:admin
紧凑型 100 瓦电源的应用范围不断增加,从 AC-DC 充电器和适配器、USB 供电 (PD) 充电器和快速充电(QC) 适配器,到 LED 照明、白色家电、电机驱动、智能仪表和工业系统等。对于这些离线反激式电源的设计者来说,面临的挑战是如何确保稳健性和可靠性,同时继续降低成本,提高效率,缩小外形尺寸以提高功率密度。
为了解决其中的许多问题,设计者可以用基于宽带隙 (WBG) 技术的器件 (GaN) 来取代硅 (Si) 功率开关。这样做直接转化为提高电源效率和减少对散热器的需求,从而实现更高的功率密度。然而,与硅相比,氮化镓开关更难驱动。
设计师可以克服与快速开关速度有关的问题,如杂散电感和电容以及高频振荡,但这样做需要增加开发时间和成本。相反,设计者可以转向高度集成的离线反激式转换开关 IC,其内部装有氮化镓功率器件。
本文简要讨论了氮化镓的优势及其设计挑战。然后,介绍了Power Integrations的三个带有内部氮化镓功率开关的集成离线反激式转换开关 IC 平台,并说明如何使用它们来制作高效率的电源转换器设计。最后讨论了互补的MinE-CAP大容量电容器小型化和浪涌管理 IC,以及一个有用的在线设计环境。
什么是 GaN,它有什么好处?
GaN(氮化镓)是一种 WBG 半导体材料,与硅相比,它具有低“导通”电阻、高击穿强度、快速开关速度和高热导率等优势。使用氮化镓代替硅,可以制造出在开启和关闭期间具有更低开关损耗的开关。此外,具有等效导通电阻的氮化镓器件比它们的同类产品小得多。因此,在既定芯片尺寸下,氮化镓功率开关具有较低的综合传导损耗和开关损耗(图 1)。

图 1:在给定的芯片尺寸下,与硅 MOSFET 相比,GaN 器件的导通电阻更低,导致总损耗更低。(图片来源:Power Integrations)
虽然氮化镓具有明显的优势,但它在设计上可能具有挑战性。例如,由于 GaN 器件的开关速度极快,驱动电路布局对来自印刷电路板和分立 GaN 封装的杂散电感和电容可能非常敏感。驱动 GaN 器件时可能出现的快速电压波动 (dv/dt) 和高频振荡会产生更多的电磁干扰 (EMI),需要将其过滤掉以防止转换器效率降低。另外,氮化镓器件的快速开关特性使得保护它们不受故障条件的影响变得很困难,因为它们损坏器件的速度比保护电路的反应还要快。
简洁而不牺牲性能
Power Integrations 通过其准谐振 InnoSwitch3-CP、InnoSwitch3-EP 和 InnoSwitch3-Pro PowiGaN 转换开关 IC(图 2)解决了这些复杂问题。PowiGaN 是 Power Integrations 内部开发的 GaN 电源开关技术,它取代了 InnoSwitch3 离线反激式转换开关 IC 初级侧的传统硅晶体管。相反,它将初级、次级和反馈电路集成在一个单一表面贴装器件 (SMD) InSOP-24D 封装中。这样一来,这些器件减少了驱动器布局的复杂性和EMI 的产生,同时也减少了传导和开关损耗,使得适配器和充电器以及开放式框架电源更有效、更轻、更小。
使用这种方法可以使电源设计者专注于电源传输、热性能、外形尺寸和其他应用考虑,而不会被具有挑战性的 GaN 技术所干扰。
采用 PowiGaN 技术的三个 InnoSwitch3 系列针对特定的应用类别进行了优化。
● InnoSwitch3-CP 适用于电池充电等应用,可以从恒定的功率曲线中受益。
● InnoSwitch3-EP 适用于一系列消费和工业应用中的开放式 AC-DC 电源。
● InnoSwitch3-Pro 器件包括一个 I²C 数字接口,可实现恒压 (CV) 和恒流 (CC) 设定点、安全模式选项和异常处理的软件控制。
InnoSwitch3 IC 具有准谐振控制功能,在整个负载范围内效率高达 95%,支持精确 CV、CC 和恒定功率 (CP) 输出,以满足各种应用需求,并包含无损电流感应技术。后者消除了对降低效率的外部电流感应电阻的需要,这些电阻甚至可以超过许多分立设计中的 GaN 开关的电阻。
该开关的其他主要特性包括二次侧感应、专用同步整流 MOSFET 驱动器、一次侧和二次侧控制器间的集成 FluxLink 电感耦合反馈连接、》4,000 伏交流电 (VAC) 的隔离、符合全球能效要求、低 EMI、符合安全和法规(UL1577 和 TUV(EN60950 和EN62368)安全认证)以及 100% 载荷步的瞬态响应。
数字可控的离线 CV/CC QR 反激式转换开关 IC
多化学和多协议电池充电器、可调 CV 和 CC LED 镇流器、高效USB PD 3.0+ 可编程电源 (PPS)、QC 适配器和类似应用的设计者可以从使用完全可编程的 InnoSwitch3-Pro IC 中受益,包括可用于提供高达 90 瓦的 AC-DC 适配器和高达 100 瓦的开放式框架 AC-DC 电源的 INN3378C、INN3379C 和 INN3370C(表 1)。当需要对输出电流和电压调整进行精细控制时,这些器件也很有用(支持 10 毫伏 (mV) 和 50 毫安 (mA) 的步阶)。

表 1:InnoSwitch3-Pro IC 的额定工作电压为 230VAC ±15% 输入和 85 至 265 VAC 输入。(表格来源:Power Integrations)
InnoSwitch3-Pro 器件中的 I²C 接口简化了完全可编程电源的开发和生产(图 4)。它能对输出电流和电压进行动态控制。它可以用来配置电源、控制 CV、CC 和 CP 设置点、保护设置,如过压和欠压阈值,并处理故障报告。集成的 3.6 伏电源可用于为外部微控制器 (MCU) 供电。此外,《30 毫瓦 (mW) 的空载功耗(包括传感线路和 MCU)符合所有全球能源效率要求。

图 3:InnoSwitch3-Pro IC 包括一个 I²C 接口,用于全数字控制和监测,以及一个集成的 3.6 伏电源 (uVCC),为外部MCU 供电。(图片来源:Power Integrations)
硬件可配置解决方案
针对不需要数字编程或监控的应用,Power Integrations 提供了 InnoSwitch3-CP(图 5)和 -EP 系列硬件可配置解决方案。与 InnoSwitch3-Pro 一样,InnoSwitch3-CP 和 InnoSwitch-EP 器件包括主控制器和辅助控制器,并在单个 IC 中实现了额定电压 》4000 VAC 的增强隔离。保护功能包括输出过压和过流限制,交流线路过压和欠压保护,以及超温关断。这些器件具有高抗噪能力,能够让设计实现 EN61000-4 “A” 级性能水平。

图 4:显示的是 InnoSwitch3-CP 的典型应用,在一次侧和二次侧控制器之间有 FluxLink 电感耦合反馈连接(虚线)。(图片来源:Power Integrations)
对于最高 100 瓦的高效反激式转换器的设计者来说,如要让设计用于诸如 USB PD、QC 适配器之类应用,就可以使用 InnoSwitch3-CP 器件,如 INN3278C、INN3279C 和 INN3270C(表 2)。这些 QR 转换开关 IC 具有 CV 和 CC 模式,带有恒定的电源配置文件,支持锁存和自动重启标准组合。电缆掉线补偿是一个可选功能。

表 2:用于适配器和开放式设计的 InnoSwitch3-CP 系列额定功率(表格来源:Power Integrations)
对于像水电气表、工业和智能电网电源、白色家电的待机和偏置电源、消费产品以及不使用恒定功率操作的计算机这样的应用,设计人员可选择的 InnoSwitch3-EP 器件如 INN3678C、INN3679C 和 INN3670C(表 3)。

表 3:InnoSwitch3-EP IC 在 230 VAC ±15% 电压实现全额定功率,在 85 至 265 VAC 的宽输入范围内则降额输出。(表格来源:Power Integrations)
InnoSwitch3-EP 器件支持良好的多输出交叉调节。输出电流感应可通过一个外部电阻调节,而 CV/CC 性能非常准确,不受任何外部元件影响。这些 QR 反激式转换开关 IC 可选择自动重启输出欠压保护,并可订购标准或峰值功率传输选项。
大容量电容器的小型化和浪涌管理
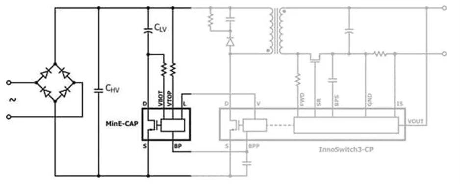
为了进一步减少元件数量并提高 AC-DC 电源的性能,使用 InnoSwitch3 PowiGaN IC 的设计人员还可以使用互补的 MinE-CAP 大容量电容器小型化和浪涌管理 IC 来实现非常高的功率密度设计(图 8)。MinE-CAP 可以将输入大容量电容器的体积最高减少 50%,而且它不需要限制浪涌电流的负温度系数 (NTC) 热敏电阻。MinE-CAP 的使用也降低了输入桥式整流器和熔断器的压力,从而提高了电源的可靠性。

图 5:MinE-CAP 大容量电容器小型化和浪涌管理 IC 是高密度 AC-DC 电源中InnoSwitch3 离线反激式转换开关 IC 的自然补充。(图片来源:Power Integrations)
与 InnoSwitch3 IC 一样,MinE-CAP 利用 PowiGaN 器件的小尺寸和低导通电阻来提高系统性能。MinE-CAP 根据交流线路电压条件,自动连接和断开大容量电容器网络的各个部分。这样设计者就能够使用最小的大容量电容器(图 8 中的 CHV)进行高交流线路电压操作,同时将大部分能量储存放在较低电压的电容器(CLV) 中,供低线路电压条件下使用。由于低电压电容器比高电压电容器小得多,使用 MinE-CAP 可以减少大容量输入电容器的整体尺寸,而效率没有降低,输出纹波没有增加,也不需要重新设计电源变压器。
使用 MinE-CAP 可以减少电源的尺寸,就像增加开关频率以缩小变压器尺寸一样有效。MinE-CAP解决方案使用了更少的元件,并消除了高频设计的挑战,如变压器钳位耗散增加和 EMI 更高。
在线设计工具
Power Integrations 还提供一个叫 PI Expert 的工具,以加快使用 InnoSwitch3 系列 PowiGaN 集成离线反激式转换开关 IC 的离线反激式电源的设计。围绕着一个自动化的图形用户界面 (GUI),PI Expert 使用电源规格来自动生成一个电源转换解决方案。它为设计者提供了构建和测试一个原型电源转换器所需的所有细节。使用 PI Expert,设计师可以在几分钟内完成一个完整的设计。
使用基于 PowiGaN 的 InnoSwitch3 IC 进行设计与使用基于硅的 InnoSwitch3 器件相同。在优化 PowiGaN 和硅器件的开关频率、EMI 滤波、变压器设计、偏置和同步整流时,PI Expert 的作用是相同的。该工具自动实现任何必要的更改,以适应基于 PowiGaN 的设计的高功率要求。该工具会输出一个交互式电路原理图、完整的 BOM、详细电气参数以及对印刷电路板布局的建议。结果还包括完整的磁设计,包括磁芯尺寸、导线厚度、并行导线数、每个绕组的匝数以及机械装配的绕组说明。
结语
对于应用范围包括 AC-DC 充电器和适配器到工业系统的离线 100 瓦电源来说,设计者面临着需要提高功率密度,降低成本,以及减少开发时间的挑战。使用 GaN WGB 技术可以提供帮助,但使用 GaN 设计需要仔细考虑电路板布局以及与高速开关有关的其他问题。
如上所述,基于 InnoSwitch3 QR 反激式转换开关 IC 的更多集成方法,能够让设计者开发出优雅、高效的电源转换器,获得氮化镓开关的性能优势,同时降低了通常与采用新技术有关的风险。
使用 InnoSwitch3,结合 Power Integrations 的 MinE-CAP 浪涌电流管理和大容量电容器微型化 IC,以及该公司的 PI Expert 在线设计工具,设计者可以更快速地打造出紧凑、坚固、经济的电源,元器件数量更少,又符合全球效率标准。
上一篇:自走式电器上的电池放电保护说明