时间:2023-09-26 12:23
人气:
作者:admin
近年来,随着大数据、云计算的快速发展,通信基站及数据中心的需求呈几何式增长。为适配通信设备和数据中心的快速发展,DC-DC电源管理芯片在提供稳定电源输出的同时,更需具备高功率密度、高转换效率和更低的能耗。因此,高功率密度、高效率、高稳定性的DC/DC电源芯片成了满足大数据、人工智能和云计算需求的关键指标。
产品介绍
长工微推出一款高度集成的非隔离双路输出DC-DC转换器——IS6620A。该芯片通过优化的电路设计,改进的晶圆生产工艺及采用最先进的封装技术,使得器件的功率密度和转换效率更高,抗干扰能力更强,输出电压更稳定。该器件支持宽输入电压范围(4.5V-18V),可配置为两个独立的双路6A或者单路双相12A电源。产品特征如下:
具有内部补偿的Pseudo-Current Control Mode
输出电流高达6A的双路输出
输出电流高达12A的双相单路输出
输出电压0.5V~5.5V,90%最大占空比
使用SYNC同步到外部时钟
可选择的开关频率分别为500KHz、1MHz、1.5MHz和2MHz
两个模式选择引脚(MODE1和MODE2)用于选择开关频率、配置、时钟相位延迟和内部补偿
支持安全的预偏置启动
内部集成OCP、NOCP、OVP、UVP、OTP、软启动保护等保护功能
3 mm x 5 mm,25Pin FC-QFN 封装

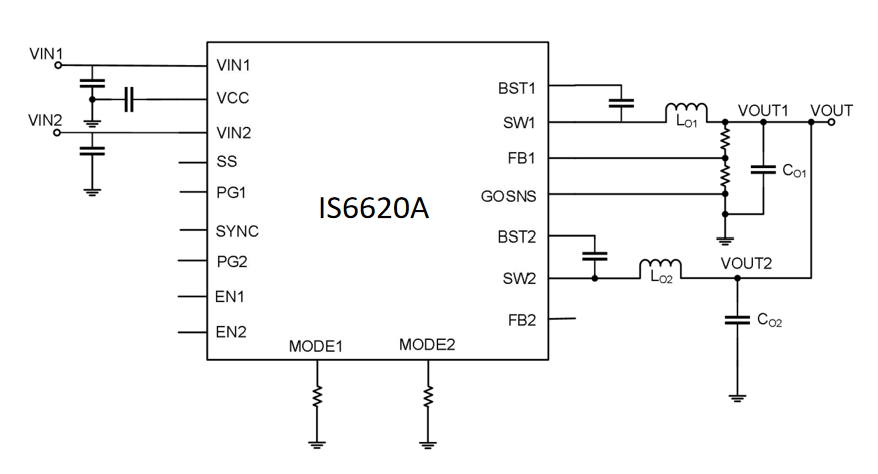
图1:IS6620A双路输出典型应用电路图
技术特点
01控制环路简单,抗干扰能力强
图2为Pseudo-Current Control Mode(PCC)控制模式的简单原理图,图3为PCC控制时序图。PWM比较器的输入Vramp是通过Pseudo Current模块产生的,并不直接来自于电感电流的采样,它具有和电感电流IL相似的波形,如图3所示。在CLK信号到来时,PWM信号变高,开启功率管上管,Vramp如电感电流一样线性升高,当它到达VC时,PWM翻转产生SHOT信号,PWM变低,关闭功率管上管,下管开启,直到下一个CLK再次到来。PCC通过Vslp+和Vslp-的非线性斜坡补偿技术实现快速的动态响应。此外,独特的VC钳位技术使之在DCM和CCM之间实现平滑的电压转换。

图2:Pseudo Current Control控制模式简图

图3:Pseudo Current Control(PCC)的时序图
相比传统的峰值电流控制模式,PCC控制模式有更好的抗干扰能力,Minimal on time的时间更短,同时还能实现极小的jitter,特别是在大电流的情况下,抗干扰能力的优势更为明显。和COT控制模式相比,PCC控制模式采用固定频率(CLK来自于内部OSC或者外部SYNC信号),有利于双相并联的同步及相位的稳定控制。
02外部CLK同步,提高抗干扰能力
当多个开关电源使用频率不同时,在电磁上会产生互相干扰,同时也会影响其他电子设备的正常工作。而开关电源频率同步后,多个开关电源输出电压和电流波形相同,减少之间的相互干扰,从而提高系统的抗干扰能力。IS6620A芯片的SYNC管脚收到系统的CLK信号后,在MR1模式下,当外部输入50%占空比的CLK信号时,且在Mode pin所设置频率的±20%以内时,IS6620A的工作频率会与外部CLK同步;如果SYNC信号保持高电平,低电平或者Float,IS6620A的工作频率就由内部OSC产生的CLK让SW1和SW2满足180°相移工作。

图4:有无CLK同步功能的2个Vout波形对比
同步外部CLK的双相单路输出电源配置如下:
芯片的两个Vout接到一起
开关频率由芯片SYNC管脚接收到的外部CLK设置
2Phase的相移由芯片Mode管脚设置
GOSNS管脚作为Remote sense的输入端

图5:同步外部CLK的双相单路输出电源简图
03内置积分器,输出电压精度高
IS6620A芯片内部加入积分器功能,能够持续对参考电压Vref做修正,从而提高输出电压在不同负载、不同输入电压等条件下的电压精度,输出电压精度高达±1%。

图6:IS6620A的线性调整曲线图

图7:IS6620A的负载调整曲线图
04高效率,低功耗
芯片内部集成了低导通电阻Rdson的MOSFET(20mohm/8mohm HS/LS)及优化的驱动电流技术,IS6620A在Vin=12V,Vout=5V的情况下,峰值效率可达95.6%。轻载条件下,芯片工作在DCM模式时,能够进一步降低芯片的损耗,提高芯片整体的工作效率。

图8:IS6620A 在VIN=12V,VOUT=5V效率曲线
应用场景实例
通信设备的输入电压通常是-48V,首先通过隔离DC/DC转换器将-48V转换为12V,再通过非隔离DC/DC转换器转成主板上主芯片需要的电压,下面介绍IS6620A供电的应用设计实例:
应用条件:VIN=12V, VOUT1=1.2V(Imax=6A), VOUT2=1.0V(Imax=6A), Load Step: 0A~3A & 3A~6A,Vpeak-peak of VOUT1≤120mV(±5%),Vpeak-peak of VOUT2≤100mV(±5%)。
首先选择开关频率,IS6620A开关频率分别为500KHz、1MHz、1.5MHz和2MHz,一般建议选择1MHz;
其次确定电感量,按照电感电流纹波为满载输出电流的20%~40%进行取值,本应用满载电流为6A,则电感电流纹波大小的范围为1.2A~2.4A。根据公式

结合VOUT=1.2V, Fsw=1MHz,计算得VIN=12V时,电感取值范围为0.45uH~0.9uH,VOUT=1.0V, Fsw=1MHz,VIN=12V时,电感取值范围为0.38uH~0.76uH,最终选择电感感值都为0.47uH;
最后,根据长工微所提供的design tool,分别为1.2Vout,1.0Vout选用合适的输出电容。Vout=1.2V选用6颗22uF的陶瓷电容,Vout=1.0V选用6颗22uF的陶瓷电容。至此,此应用的关键参数已确定完毕,下面为对应的实测波形:
Transient: VIN=12V, VOUT1=1.2V, LOAD Step=3A , Slew rate=1A/us, Vpeak-peak=66.4mV

Transient: VIN=12V, VOUT2=1.0V, LOAD Step=3A , Slew rate=1A/us, Vpeak-peak=64.8mV

Ripple:VIN=12V, VOUT1=1.2V, LOAD=0A,6A Vripple =10.24mV

Ripple:VIN=12V, VOUT2=1.0V, LOAD=0A,6A Vripple =10.8mV

Vout1 Power on and off by EN

Vout2 Power on and off by EN

【关于长工微】
东莞市长工微电子有限公司成立于2016年5月,坐落于东莞松山湖,拥有专业技术团队,坚持自主正向研发,致力于高性能低压大电流电源芯片设计。针对CPU供电领域的国产空白,推出全套的解决方案,打破了国外芯片垄断的现状。产品包括开关电源、多相控制器、智能功率级、电源模块等,可广泛应用于服务器、计算机、通讯、消费电子等市场。
审核编辑:汤梓红