时间:2022-11-08 15:23
人气:
作者:admin
现代的电子产品,包括移动产品和落地式产品,电源是其基本的组成部分,也是其核心部分。电子系统需要稳定,高效,长寿命,低噪声,高可靠,低成本的电源,硬件工程师负责选取合适的电源作为你产品的“发动机”。这里介绍一下市面上常用的电源电路结构,阻容降压电源,线性电源,和开关电源。
阻容降压电源 使用电阻电容串联降压,由于电容在工频下的阻抗,起到限流的作用,并且电容不消耗能量,提高了工作效率。阻容降压的电路如下图所示,电容C1在电路中起限流和储能作用,设计时先确定最大负载电流,然后根据负载电流选择电容C1和R1。D1为全波整流,整流后经过滤波电容和稳压二极管得到稳定的电压。R2为负载,D2在电路中起很大作用,在R2负载较轻时,如果没有D2,输出电压将会很高。D2相当于可变化的负载,稳定输出电压保护后端器件,避免电压过高烧毁器件。阻容降压电路简单,成本低,广泛用于小家电中。但是缺点也很明显,寿命短,不能带动态负载,只能做小功率应用。

线性电源 简单的线性电源可以自己用分立器件搭建,用三极管或者MOS管构成负反馈电路,使输出电压固定在设计值。Vo=VD1-Vbe,一般的三极管Vbe开启电压在0.6-0.7V之间,R1为限流电阻,要保证VD1在可工作区,流过D1的电流在ID1min和ID1max之间。在电子产品中用得最多的是LDO低压差稳压电源,现在的工艺可以轻易的做到2%的精度,低功耗LDO静态功耗可以做到小于1uA。经典的LDO芯片1117和78XX系列,由于国产厂家可以轻松自己开发,价格极低,应用广泛,性价比很高。
LDO在输入和输出端要加上μF级别的电容,避免LDO振荡。另外,在LDO输出没有合适电压,可以通过简单的外围电路调整为想要的输出电压(下图D2可以换成其它基准源)。输出电压Vout为基准源的电压加上LDO本身的稳压值。LDO的选型较简单,根据输入电压、输出电压、负载电流、工作温度即可选择合适封装的LDO。线性电源,设计简单,外围器件少,成本较低。输出纹波和噪声小,不会引起EMC问题,可靠性高。但是效率低,效率于输入输出压差成反比,不适合大功率输出。

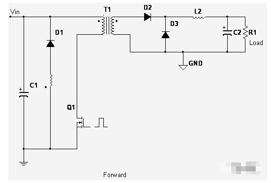
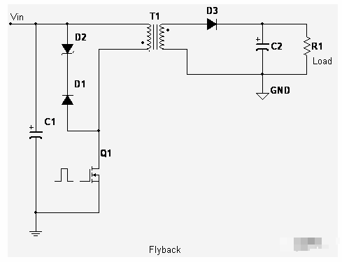
开关电源 主要分为降压(buck),升压(boost),升降压(buck-boost)三种拓扑。正激(forward)是buck电路的变形,反激(flyback)是buck-boost的变形,把储能电感变成了变压器。
Buck电路输出电压必须低于输入电压,输出电压Vo=Vin*D 。可以正对正输出,比如把10V降到5V,也可以负对负输出,把-10V降到-5V。Buck变换器只能改变电压不能改变极性。电感L2在开关导通时储能,并且一部分能量直接给到输出,电感L2在开关关断时释放能量,给输出供电,并由二极管D2续流。
Boost电路输出电压高于输入电压,输出电压Vo=Vin/(1-D) 。可以正对正输出,比如把5V升到10V,也可以负对负输出,把-5V升到-10V。Boost变换器也只能改变电压不能改变极性。电感L1在开关导通时储能,同时没有能量给到输出,电感L2在开关关断时释放能量,给输出供电,输入电源也同时给输出供电。二极管D1的作用是把C1和Q1隔开,避免Q1导通时C1放电,C1能够给输出持续供电。
buck-boost电路输出电压为负压(相对于输入),可低于也可高于输入电压,输出电压Vo=Vin*D/(1-D)。可以正对负输出,比如10V变换到-5V或者-15V,也可以负对正输出,比如把-10V变换到5V或者10V。buck-boost变换器可以改变电压极性并且可升压也可降压。电感L3在开关导通时储能,没有能量给到输出。在开关关断时,电感L3通过D3释放能量。二极管D3的作用是在开关导通时反偏,避免输出电容C3放电,在开关关断时给L3提供放电回路。
forward和flyback的基本原理与三种基本拓扑的原理类似,是其变形。由于变压器的隔离作用,也叫做离线式电源。离线式电源设计由于涉及到变压器的设计,以及反馈环路模型和传递函数更加复杂,设计难度自然比三种基本拓扑高。cuck,sepic,zeta拓扑应用不多,有兴趣的同学可以深入研究。
其实可以把电源当作上下楼的“人”(能量),线性电源就是“楼梯”,上下楼速度受到“楼梯口”(输出电压)大小的制约,可以持续的上下楼,但是效率较低。而开关电源就是“电梯”(储能电感和开关),把"人"一箱一箱的运走,"电梯"的速度可以做到很快(开关速度),效率高,但是电梯太快容易引起“人”的不适(引起EMC问题)。



下一篇:DCDC开关降压电路的设计要点