阅读全文2025-06-27
阅读全文2025-06-27
阅读全文2025-06-26
阅读全文2025-06-26
瑞芯微RK3506核心板/开发板SPI Slave从设备开发攻略
阅读全文2025-06-26
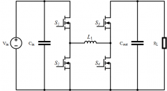
开发者分享 | HPM6P41BuckBoost开发板之(一)硬件设
阅读全文2025-06-26
Banana Pi 最新边缘 AI 系统模块 BPI-AI2N 采用瑞萨电
阅读全文2025-06-25
树莓派部署 Kubernetes:通过 UDM Pro 实现 BGP 负载均
阅读全文2025-06-25
米尔STM32MP25系列产品荣获“2024‘物联之星’创新
阅读全文2025-06-25