时间:2019-09-19 15:29
人气:
作者:admin
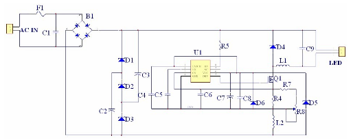
一、总体设计
FT870B是一款PWM控制型的高效的恒流型LED驱动IC,能在15~500V的输入电压下正常工作,固定25K的工作频率,最大能驱动1A的输出电流,恒流精度达到±5%,并且支持PWM调光功能。
15W应用电路图及基本原理:

基本工作原理为:当开关管导通时,主电流回路为 AC IN-F1-B1-LED-L1-Q1-R4-L2-B1-AC IN,此时AC给LED供电,并使电感L1存储能量;当开关管关断时,主电流回路为L1-D4-LED-L1,此时电感L1释放能量,保持LED的输出。由于开关管导通时,流过LED的电流同时也流过R4,所以通过检测R4上的电压来检测流过LED的电流,从而达到恒流的目的。
电路中,C2,C3,D1,D2,D3为PFC校正电路,主要提高输入的功率因数。
L2,D5,C7构成辅助供电回路,从而关断HV脚的供电,减小损耗,提高效率。
二、元器件参数选择
输出LED规格为3.2V,20mA,共240颗
连接方式为8个LED串联为一路,共30路
外围应用参数如下:
V max,ac=265V,V min,ac=90V,f=50HZ(交流输入频率)
V o,max=25.6V, I o,max=498mA
P o,max= V o,max×I o,max=12.75W
η=85%, PF=0.85,fu=25khz(芯片工作频率)
P in,max= P o,max /η=15W
1.保险管F1
(1) 额定电压Vrating
额定电压Vrating需要大于V max,ac,即大于265V.
(2) 额定电流I rating
由于Vin×Iin×PF×η=PO ,所以

选择保险管额定电流时要保留0.5的系数,所以保险管的额定电流

(3) 熔化热能值I2t
与浪涌电流产生的能量有关。表征当大电流流过保险管时,保险管熔断的特性。I2t要大于浪涌电流产生的能量,使启动的时候不会错误地把保险管熔断。
(4) 额定温度
实际工作温度不能超出额定温度范围。
(5) 使用寿命
实际工作电流大于I rating或者实际工作温度超出额定温度范围,F1的寿命将会明显缩短。
■ 所以选择V rating大于265V, I rating大于0.392A的保险管。
2.安规电容C1
(1) 额定电压V rating
额定电压V rating需要大于输入交流电压V max,ac,即额定电压大于265V.
(2) 电容容值C
一般取0.1uF.
(3) 电容类型
选择安规电容。
(4) 绝缘等级
绝缘等级一般选择X2,即耐压小于或等于2.5KV.
(5) 额定温度
实际工作温度不能超出额定温度范围。
■ 所以选择0.1uF/275VAC绝缘等级为X2的安规电容,主要抑制差模干扰。
3.整流桥B1
(1) 整流桥承受的最大反向耐压VRRM

(2) 额定电流I rating
整流桥的额定电流与保险管的额定电流相同,选择大于0.392A的额定电流即可。
(3) 整流桥正向导通压降VF
与效率有关。VF越小,消耗的导通功耗就越小,效率越高。
(4) 额定温度
实际工作温度不能超出额定温度范围。
■ 所以选择VRRM大于562V,Irating大于0.392A,VF尽量小的整流桥。
4.二极管D1,D2,D3
(1) 最大反向耐压VRRM

(2) 额定电流I rating
由于开机时导通电流都要留过D2,所以二极管的额定电流与保险管一样,选择大于0.392A的额定电流。
(3) 反向恢复时间trr
由于输入电压是低频,所以trr的大小对电路没什么影响,可以不考虑。
(4) 额定温度
实际工作温度不能超出额定温度范围。
■ 所以选择VRRM大于225V,I rating大于0.392A的二极管。
5.电解电容C2,C3
(1) 电容耐压Vdss
电容的耐压与二极管D1,D3的反向耐压相同,也是大于225V;
(2) 电容容量C
选择合适的电容,使电容在充放电的过程中能够保证后级电路所需要的能量。要保证系统的正常工作,电容上的最小电压应该为最大输出电压的两倍以上,所以整流后最小直流电压:

输入电容应能够保证在最小的输入电压下,为后级电路提供足够的能量,所以电容

由于上面的计算取的放电时间为1/4f(其中f为输入交流电压的频率),实际放电时间并没有这么长,所以电容的容值可以取小些,实测中发现47uF/250V的电容即可满足要求。
(3) 电容类型
由于用到的电容容量较大,一般使用铝电解电容。
(4) 等效串联阻抗ESR
ESR越小,损耗越小。
(5) 额定温度
实际工作温度不能超出额定温度范围。
(6) 体积
实际应用中会受到体积的限制,而电解电容体积较大,所以要注意体积是否能满足要求。
(7) 使用寿命
由于一般LED使用的寿命比电解电容的寿命长,所以尽量选择寿命长的电解电容。
■ 所以选择耐压大于或等于250V,电容值大于或等于47uF,低ESR值,寿命长的电解电容。
6.高压启动限流电阻R5
为了防止启动时大电流冲击烧坏HV脚,建议R5取封装为0805的22K的贴片电阻。
7. 滤波电容C4,C5,C8
C4,C5,C8主要起高频滤波作用,建议选择封装为0805的1nF的贴片电容。
8.滤波电容C6
C6主要起滤除尖峰和谐波补偿作用,建议选择封装为0805的100pF的贴片电容。
9.稳压二极管D6
防止VCC电压过高烧坏芯片,建议D6取0.5W,12V的稳压管。
10.电解电容C7
(1) 电容耐压Vdss
由于有12V的稳压管D6,所以电容耐压大于或等于16V即可。
(2) 电容容量C
定量计算比较困难,实测中发现电容容量取4.7uF可以满足要求。
(3) 电容类型
由于用到的电容量较大,一般使用铝电解电容。
(4) 等效串联阻抗ESR
ESR越小,损耗越小。
(5) 额定温度
实际工作温度不能超出额定温度范围。
(6) 体积
由于电容C7的容量小耐压低,所以体积基本可以不考虑。
(7) 使用寿命
由于一般LED使用的寿命比电解电容的寿命长,所以尽量选择寿命长的电解电容。
■ 所以选择耐压大于或等于16V,电容值大于或等于4.7uF,寿命长的电解电容。
11.电感L1
(1) 电感量L1
当电路工作在电流连续模式和电流非连续模式之间的临界模式时, ΔI=2I o,max,此时电感可以按照下面的公式计算:

这是临界模式时的电感取值,为保证电路工作在电流连续模式,电感取值要大于上面计算得到的值,电感取值越大输出电流的纹波越小。
(2) 电感饱和电流IL

由上式可以看出电感量越大,电感的饱和电流越小。
(3) 电感线径R
以截面积1mm2的铜线过5A电流计算,则电感线的截面积为LI/5,所以电感的线径为

(3) 电感体积
受到空间的限制,在保证电感量和电感饱和电流的情况下,电感体积越小越好,如果一个电感体积太大,可以考虑用2个电感串联。
■ 所以选择电感量大于0.96mH,并且饱和电流大于IL的电感。
12.续流二极管D4
(1) 最大反向耐压VRRM
当mos管导通时,二极管D4承受的反向耐压为

所以选取反向耐压为600V.
(2) 额定电流Irating
mos管关断后,D4给电感L1提供续流回路,所以通过D4的电流不会超过电感L1饱和电流IL.
(3) 反向恢复时间trr
由于电路工作的频率较高,所以需要反向恢复时间小的超快恢复肖特基,以防止误触发,建议选用trr小于或等于75ns的超快恢复肖特基。
(4) 正向导通压降VF
正向导通压降VF越小,效率越高,尽可能选择正向导通压降小的超快恢复肖特基。
■所以选择反向耐压为600V,额定电流为1A,反向恢复时间小于或等于75ns的超快恢复肖特基。
13.输出电容C9
输出电容的作用是减小LED电流的波动,越大越好,但由于体积的限制,建议选择容值为0.47uF到1uF之间耐压400V为的CBB电容。
14.mos管Q1
(1) mos管耐压VDSS
mos管的最大耐压为交流整流后的电压最大值,留50%的裕量,选取耐压值为

(2) mos管的额定电流IFET
流过mos管的电流取决于最大占空比,本系统最大占空比为50%,所以留过mos管的额定电流为

mos管的额定电流为工作电流3倍时,损耗较小,所以选取mos管的额定电流IFET≥1A.
(3) mos管开启电压Vth
要保证Vth小于芯片的驱动电压,即Vth<11V,由于一般高压mos管的Vth为3~5V,所以这个参数不需要过多考虑。
(4) mos管导通电阻Rdson
mos管的导通电阻Rdson越小,mos管的损耗就越小。
(5) 额定温度
实际工作温度不能超出其额定温度的范围。
■ 所以选择耐压为600V,额定电流大于或等于1A,Rdson较小的mos管。
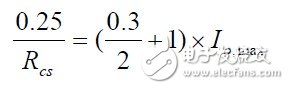
15.CS取样电阻R4,R7,R8
(1) R4,R7,R8的阻值
设R7,R8串联后再与R4并联的电阻为RCS,输出的电流波动范围为0.3,
则:

选取合适的R4,R7和R8,保证调节R8可以得到需要的输出电流Io,且无论怎样调节R8,Io都不会太大以至于损坏期间。
(2) 电阻类型
RCS上承受的功率为P=I2O×RCS=0.11W ,所以R4,R7采用0805封装的贴片电阻,为了调节R8时输出电流不会变化太快,所以选择R8为精密可调电阻。
16.续流电感L2和续流二极管D5
加L2和D5的主要目的是为了给芯片VCC供电,从而关断芯片HV脚的供电,减小损耗。工作原理为:当mos管导通时,电感L2储能,电容C7给芯片供电,当mos管关断时,L2给芯片VCC供电,并给电容C7充电。
选择L2的原则是使芯片VCC的供电电压保持在11~12V之间,建议选择电感量为18uH,饱和电流与L1相同的电感。选择续流二极管D5时,为了防止误触发,建议选用恢复时间小于75ns的超快恢复肖特基。
来源;电子工程网
上一篇:事件总线模式知识总结
从profibusDP转ModbusTCP,一网打尽转换技巧!