时间:2019-05-30 14:50
人气:
作者:admin
电子驻车制动系统(EPB)指将行车过程中的临时性制动和停车后的长时性制动功能整合在一起,并且由电子控制方式实现停车制动的技术。为了能够获取各车辆已施加的理论驻车压力,并监控各车辆一体化执行机构的工作状态,防止驻车电机长时间工作在大电流状态,防止驻车电机过热烧毀,EPB一般配有驻车车电流采集节点,并通过CAN总线将驻车电流发送给中央控制节点(ECU)。文中主要介绍了基于AD574A的驻车电流采集节点的接口设置、采集方法及软件设计。
1系统硬件设计
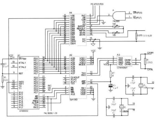
驻车电流采集节点的硬件电路设计包括CAN总线通讯电路设计与车速采集电路设计两部分,如图1所示。

图1系统硬件接口原理图
1)CAN总线通讯电路设计
CAN总线通讯电路设计时,CAN控制器使用由广州致远电子有限公司出品的CTM1050T,微控制器使用AT89S52。
2)电流采集硬件设计
电流采样通过AD574A进行,该芯片是美国AD公司生产的12位高速逐次逼近型模/数变换器,非常适合高精度快速采样系统的使用。对于驻车电流的采集,考虑到为了控制电机转动方向,驻车电流的方向可变,故利用AD574A双极性输入,分为8位和4位两次输出。AD574A的信号组合功能如表1所示。

表1AD574A的信号组合功能
根据AD574A的信号组合功能表,AD574A有两个选口地址,由A0区分。如图1所示,对外部地址0x8fff写操作可启动12位A/D转换,而读0x9fff地址可读得高8位数字量输出,读地址0xdfff则可读取低4位的数字量输出。被测信号则由13及9脚引入。在电路的连接过程中,模拟地与数字地即9及15脚必须共地,否则不能完成转换。与AD574A的第12脚和10脚连接的两个100欧的电位计分别用于调整芯片的零点和满量程,首先令输入电压也应为-5V,此时调节芯片12脚所接电位计R2,使转换后输出数字量在0000H~0001H间跳动;然后令输入电压为+5V,此时调节芯片10脚所接电位计R1并测量分压电阻两端的电压,使转换后输出的数字量在0FFEH~0PPFH之间跳动。在设计硬件电路时要十分注意的一点就是AD574A的数据输出线与单片机数据总线的连接方式应将高8位DB4到B11接到数据总线的D0到D7,而低4位DB0到DB3接到数据总线的高4位D4到D7。如果接错的话就不能读取正确的转换结果,而且还很容易烧坏芯片。
硬件系统是通过在电路中串入分压电阻,然后测量端电压转换成数字信号后,由单片机运算得到实时的电流值的。但由于驻车制动的最大工作电流25A,因此分压电阻的阻值必须很小才能保证不被烧毁,因此系统采用0.0075Ω的电阻。
2系统软件设计
1)驻车电流采集软件设计
鉴于前述的驻车电流的采集方法,根据接口设计及时序要求,系统设计了基于该方法的驻车电流采集节点,驻车电流采集的主程序流程图如图3所示。

图3电流测试软件流程框图
2)CAN总线ECU数据接收设计
中央控制节点按照已定义的通讯机制,利用定时器0中断,定时读取向CAN总线发送的采集驻车电流数据帧。各参数采集节点同时接收到该帧后,将本节点缓冲区内的采集信息,按定义好的优先级依次返回给中央控制节点。中央控制节点接收到参数采集节点的返回信息后,更新缓冲区内的数据。图4是驻车电流采集节点的中断程序流程图。

图4驻车电流采集节点的中断程序流程图
3系统仿真实验
由于实验条件的约束,在无法以真车实验的形式获得车速传感器的脉冲值之前,进行了系统仿真实验(汽车台架实验)。测试过程中,利用电机带动负载,模拟变化的驻车制动电流,通过返回数据验证电流的采集的正确性。
利用PC上位机通过CAN232B智能PC-CAN总线接口卡进行CAN总线调试。GY8501CAN232B智能PC-CAN总线接口卡是带有1路CAN接口和一路RS232接口的智能型CAN总线接口卡,可进行双向传送。接口卡可以被作为一个标准的CAN节点,是CAN总线产品开发、CAN总线设备测试、数据分析的强大工具。CAN232B设备中,CAN总线电路采用独立的DCDC电源模块,进行光电隔器具有很强的抗干扰能力,保证了测试的可靠性和抗干扰性。CAN232B产品可以利用厂家提供的CANTools工具软件,直接进行CAN总线的配置,发送和接收。
通过对所设计的基于CAN总线的电子驻车电流采集节点进行调试,该节点均能正常工作,参数采集准确,CAN总线发送与接收报文正确,并实现了预期的设计功能。
4结束语
测试结果表明,该系统能实时采集驻车电流,控制相关驻车系统。该系统的应用延长了电子驻车制动系统的使用寿命,使电子驻车系统更加节能、经济。
上一篇:USB数据线的激光焊接
从profibusDP转ModbusTCP,一网打尽转换技巧!