时间:2023-01-29 10:22
人气:
作者:admin
背景简介
随着国家30·60目标的提出,新能源发展越来越受到重视,就当前而言,风力发电和光伏发电仍然是占比最终的两种能源形势。
其中风力发电更是格外瞩目,随着海上风电的大力发展,风机的单机容量也是在不断提高。
风机并网控制及风机高低电压穿越能力是风机在电网故障时一种必要应对手段,也十分重要,本文旨在搭建基于永磁直驱风机的并网及高低穿控制,与大家一起探讨学习,并希望给起到抛砖引玉的作用。
关于直驱风机的并网及控制之前我们已经有过介绍(直驱永磁同步风机并网仿真(一)、直驱永磁同步风机并网仿真(二)),内容主要是基于稳态控制,并不涉及高低穿期间的控制切换,本次根据个人的理解,加入相关的控制。

图1 风机并网拓扑结构
并网及高低穿控制
风机并网控制分为网侧控制和机侧控制,机网侧控制方式与直驱永磁同步风机并网仿真(二)所搭建的控制方式一致,本次不再进行赘述,主要对高低穿期间的控制进行说明。
由于直驱风机拓扑机侧和电网之间通过背靠背换流器完全隔离,因此,总的来说,电网故障期间,机侧控制可以不需要任何,只需对网侧控制进行相应的切换即可,鉴于此,故障期间,机侧功率不变,网侧吸收功率减小,造成换流器两侧功率不平衡,直流电压会有抬升,为使直流侧不过压,直流侧加入耗能装置是一种常规手段。 按照GBT19963标准的相关要求,当电压跌落或电压抬升时,有无功电流按照如下分段函数公式进行计算:


其中,Ut为风电场并网点电压标幺值,In为风电场额定电流。低穿期间有功电流可以根据Id=sqrt(1.1In-Iq^2)进行计算,由于高穿期间交流侧电压抬升,如果此时Id仍然按照此方法计算,会发现计算出的Id数值偏大,由于交流电压本身已经抬升了,会出现要求的功率比风机功率还大的情况,不甚合理,本文按照,高穿期间,一律保持风机按额定功率输出来计算Id。
当然,上述控制仅限于个人理解而言,实际情况不同厂家可能略有不同,正所谓:一千个读者眼中会有一千个哈姆雷特。本文模型控制通过判别风机并网点电压,进行网侧稳态双臂还控制和直接电流给定控制之间的切换。
同理,直流侧耗能结构也使各有差异,比较简便的方式是通过开关器件投切电阻的方式,结构如下图所示,本文采用的就是此种方式。

图2 耗能电路拓扑结构
仿真模型
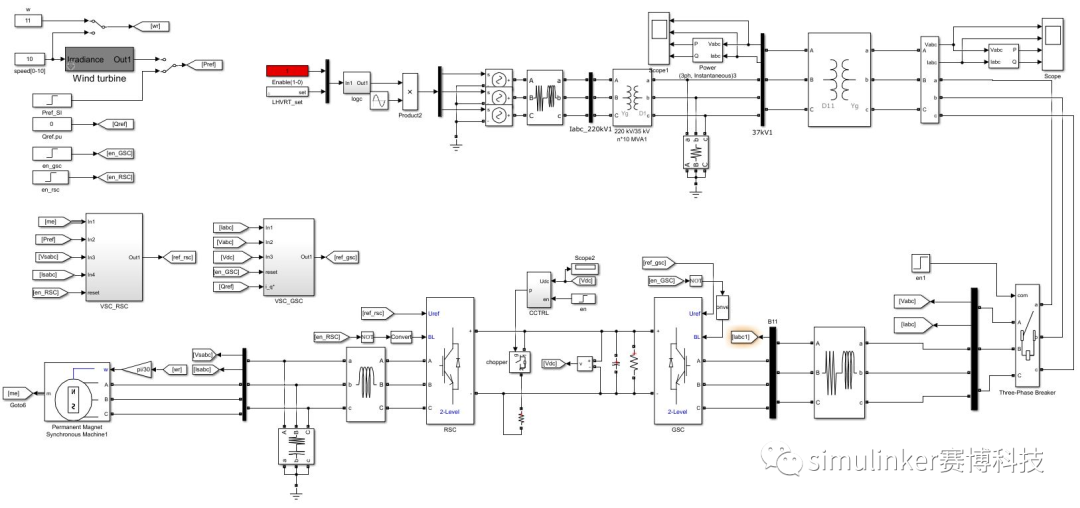
根据上述描述,搭建风机并网模型如下图所示,其中风机额定功率3MVA,直流侧电压1200V,风机出口电压690V,并分别通过0.69/35kV及35/220kV两级升压,接入220kV交流电网。

图3整体仿真模型
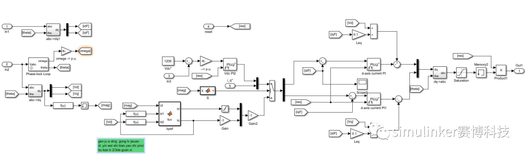
控制部分模型如下,无论稳态还是高低穿器件,机侧控制不发生变化,网侧控制根据电压情况进行切换。

图4网侧控制部分

图5机侧控制部分
直流侧控制采用滞环控制,当电压大于一定值时,开关导通,投入电阻,小于某一值时,开关断开。

图6 直流耗能控制
仿真结果
(1)运行模型,使其额定运行,仿真结果如下:

图7 35kV侧电压、电流、功率波形

图8 690V侧电压、电流、功率波形

图9 直流侧电压波形
(2)低电压穿越测试,按照标准要求,分别进行电压:20%跌落,持续0.625s;电压35%跌落,持续0.92s;50%跌落,持续1.214s;电压75%跌落,持续1.705s;电压90%跌落,持续2s仿真测试。
电压20%跌落

图10 690V侧电压、电流、功率波形

图11 直流侧电压波形
电压35%跌落

图12 690V侧电压、电流、功率波形

图13 直流侧电压波形
电压50%跌落

图14 690V侧电压、电流、功率波形

图15 直流侧电压波形
电压75%跌落

图16 690V侧电压、电流、功率波形

图17 直流侧电压波形
电压90%跌落

图18 690V侧电压、电流、功率波形

图19 直流侧电压波形
(2)高电压穿越测试,按照标准要求,分别进行电压:120%抬升,持续10s;电压125%抬升,持续1s;130%抬升,持续0.5s仿真测试。
电压120%抬升

图20 690V侧电压、电流、功率波形

图21 直流侧电压波形
电压125%抬升

图22 690V侧电压、电流、功率波形

图23 直流侧电压波形
电压130%抬升

图24 690V侧电压、电流、功率波形

图25 直流侧电压波形
通过上述仿真结果可以看出,无论是在电网电压正常时还是在高低穿期间,均能得到较符合设计预期的结果波形,控制效果符合良好。
审核编辑:刘清