时间:2023-01-05 11:12
人气:
作者:admin
制冷空压机一般应用于化工、石油、冶金、生物制药、水产制冷等行业。水产行业的冷冻保鲜是主要归功于制冷压缩机所制造的压缩冷气,同样制冷压缩机也是水产行业制冷系统的核心耗能部件。提高制冷系统效率的最直接有效手段就是提高螺杆压缩机的效率,它将带来系统能耗的显著降低。
方案要求
普通螺杆压缩机存在的工艺缺陷:
1、输出压力大于一定值时,自动打开泄载阀,使异步电机空转,严重浪费能源。
2、异步电动机易频繁启动、停止,影响电机的使用寿命。
3、工作条件恶劣,噪音大 。
4、自动化程度低,输出压力调节靠人为调节阀开度来实现,调节速度慢,波动大,不稳定,精度低。
5、压缩机工频启动电流大,对电网冲击大,电机轴承磨损大,设备维护量大。
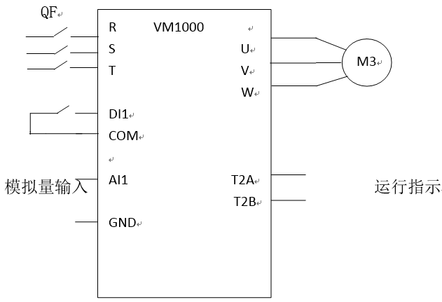
针对以上问题,可使用三晶电气VM1000变频器实现对制冷压缩机的节能、精准控制改造,同时较少机械冲击。它将带来系统能耗显著降低,起到显著节能效果。
整体流程及现场应用图


方案特点
1、改装变频器后,空压机从低频起动,它的起动加速时间可以调整,从而减少起动时对压缩机的电器部件和机械部件所造成的冲击,增强系统的可靠性,使压缩机的使用寿命延长。
2、根据空气量需求来调节压缩机工况是非常经济的运行状态,通过模拟量变化调整电机运行频率,节约能源效果最显著。
3、变频控制系统具有精确的压力控制能力,使压缩机的空气压力输出与用户空气系统所需的气量相匹配。变频控制压缩机的输出气量随着电机转速的改变而改变。由于变频控制电机速度的精度提高,有效地提高了工况的质量。

广告
编辑:黄飞
上一篇:PLC如何控制伺服电机?
下一篇:动图描述几种电机的基本原理