时间:2009-07-11 08:42
人气:
作者:admin
摘要:某型飞机地面专用电源所用的电压控制系统采用“开关点预置可调脉宽控制技术”的全数字化PWM控制方式,具有自动调压,故障保护和软起动等功能。文中介绍了电压控制系统的工作原理及实现电路。
关键词:脉宽调制控制器逻辑编程
Design of PWM Voltage Controller for Ground Static? conversion
Power Supply in Use for Air
Abstract: Voltage control system of special ground power supply in use for a certain type aeroplane adopts full? digital control mode,technology of on? off predetermination and adjustable pulse width control,which possesses function of automatic voltage regulation,fault protection and soft starting.Moreover,Principle and real? line circuit of voltage control system are introduced.
Keywords: PWM, Controller, Logic programmable
中图法分类号:TM92文献标识码:A文字编号:0219?2713(2000)08?392?04
1引言
目前,变换器中采用的脉宽调制控制技术主要有两种。一种是开关点预置PWM控制方式,这一方案虽有开关次数少且低次谐波含量少等优点,但却存在不能自动调压的缺点。电源输出电压的调节需依靠另外的调压电路,如通过调节变换器直流环节电压来实现输出电压的调节。变换器内部多了一个环节,因此电路较复杂,可靠性下降。

(a)方案a电压波形(b)方案b电压波形
图1两种不同PWM电压波形图
另一种PWM控制方式就是正弦波脉宽调制(SPWM),这种控制方式可通过提高开关器件的开关频率来减少低次谐波的含量。这一方案虽然可以通过控制电路调节脉冲宽度进行调压,但电路较复杂,开关功率损耗较大,这样在功率静止变换电源上的应用受到影响。
| 谐波次数 | 1 | 3 | 5 | 7 | 9 | 11 | 13 | 15 |
|---|---|---|---|---|---|---|---|---|
| 方案a谐波幅值 | 0.9902 | -0.0108 | 0.0552 | 0.0027 | 0.0077 | -0.0180 | -0.0713 | -0.1150 |
| 方案b谐波幅值 | 1.036 | 0.0 | 0.012 | 0.059 | 0.0 | 0.055 | 0.121 | 0.0 |
表1各次谐波电压幅值表
在总结以上两种控制方式的基础上,设计出一种新型的PWM控制方式,即“开关点预置可调脉宽控制方式”。这种控制方式既具有开关点预置PWM方式开关次数少,低次谐波含量低的优点,又具有正弦脉宽调制方式自动调节变换器输出电压的特点。因此,用此控制方式设计的控制器电路简单,采用可编程逻辑器件GAL来生成PWM波,抗干扰能力强,可靠性高,运用在某型飞机的地面专用电源中,效果良好。
2开关点预置可调脉宽控制原理
利用谐波消去法优化的PWM电压波形如图1所示。图1(a)为一周期由64个方波合成的PWM电压波形,图1(b)为一周期内由72个方波合成的PWM电压波形,图中数字表示脉冲的个数。根据谐波计算
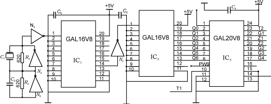
图4PWM控制信号生成电路
表2不同占空比时基波及各次谐波幅值
公式(1)计算出各次谐波幅值如表1所示。
(1)
式中bn——n次谐波幅值;
n——谐波次数;
i——开关角序号;
i——线电压正半周前1/4周期开关角;
Ud——变换器直流输入电压。
从表1中可以看出,方案b中基波含量略高,且不存在3及3的倍数次谐波,利用此方案制成的变换器,其后级滤波电路会简单些,但开关频率要比方案a高。选取哪种方案作为变换器控制方式,要根据具体要求而定,若变换器为单相且对开关频率要求不太严格,两种方案均可,但是考虑后级滤波电路时,选择方案b更理想。若变换器为三相,则只能选择方案b,方案a行不通,因为方案a一周期是由64个方波构成,移相120°后就会出现半个方波,这在控制电路中难以实现。
一旦PWM电压波脉冲个数确定后,变换器输出电压就是确定不变的,要想调节输出电压,只能改变变换器直流输入电压Ud,这样就相当于开关点预置PWM控制方式,另一种调节输出电压方式就是靠改变PWM电压波形中各脉冲的占空比。以方案b为例,假设图1所示PWM电压波形是在占空比D=1时的波形,当占空比D=0.5时输出电压波形(前1/4周期)如图2所示。可以证明,逆变器输出电压的基波及18次以下各次谐波幅值与占空比D成正比[2]。通过计算机仿真后得出不同占空比时基波及各次谐波幅值如表2所示。
为了使变换器输出电压符合如图1波形,就必须设计出相应开关管的PWM控制信号,为简单起见,仅以单相PWM控制信号为例来介绍,三相PWM控制基本与单相的控制相同。图3所示的四路PWM控制信号(其脉冲波个数为72个)是图1(b)所示的电压波形的控制信号,当改变此信号的占空比时,就能达到调节电压的目的。图3中g1和g2,g3和g4是一对桥臂的控制信号波形。
若要实现三相PWM控制信号,只需以g1为基准分别移相120°和240°就得到了三相变换器上桥臂开关信号,而下桥臂开关信号就取相应上桥臂开关反相信

图2PWM电压调节信号波形

图3单相PWM控制信号波形
| D | 1 | 3 | 5 | 7 | 9 | 11 | 13 | 15 | 17 | 19 |
|---|---|---|---|---|---|---|---|---|---|---|
| 1.00 | 1.036 | 0.000 | 0.012 | 0.059 | -0.000 | 0.055 | 0.121 | 0.000 | -0.102 | -0.011 |
| 0.95 | 0.983 | 0.004 | 0.008 | 0.060 | -0.085 | 0.054 | 0.115 | 0.008 | -0.098 | -0.008 |
| 0.90 | 0.930 | 0.008 | 0.005 | 0.059 | -0.087 | 0.053 | 0.109 | 0.005 | -0.095 | -0.005 |
| 0.85 | 0.877 | 0.001 | 0.003 | 0.059 | -0.089 | 0.052 | 0.102 | 0.001 | -0.094 | -0.003 |
| 0.80 | 0.824 | 0.004 | 0.000 | 0.058 | -0.090 | 0.051 | 0.096 | 0.007 | -0.090 | -0.001 |
| 0.75 | 0.772 | 0.006 | -0.002 | 0.057 | -0.092 | 0.049 | 0.089 | 0.001 | -0.085 | 0.001 |
| 0.70 | 0.719 | 0.008 | -0.004 | 0.056 | -0.093 | 0.047 | 0.083 | 0.005 | -0.081 | 0.003 |
| 0.65 | 0.667 | 0.009 | -0.006 | 0.054 | -0.094 | 0.045 | 0.076 | 0.008 | -0.076 | 0.005 |
| 0.50 | 0.511 | 0.001 | -0.009 | 0.046 | -0.095 | 0.038 | 0.057 | 0.002 | -0.065 | 0.008 |
| 0.40 | 0.407 | 0.000 | -0.009 | 0.040 | -0.294 | 0.032 | 0.044 | 0.005 | -0.043 | 0.009 |

图4 PWM控制信号生成电路

图5调制波发生器电路图


(a)电流限制电路(b)故障保护电路
图6PWM控制器保护电路
3PWM控制器的电路设计
3.1PWM控制信号的电路设计
四路PWM控制信号g1~g4采用全数字化电路方式,以可编程逻辑器件GAL为核心。这种芯片是一种结构灵活、性能优越、功能可靠的可编程逻辑器件,在功能和性能上几乎可以取代整个74LS系列、54LS系列、74HC系列和CD4000系列的器件,而且一片GAL器件就能完成几十片74LS等系列器件完成的逻辑功能,运行速度大大提高,同时可靠性也相应提高。此外,GAL芯片可以反复擦除改写,且擦除时间仅用10ms即可完成,不需采用紫外线光源,比EPROM好用许多。
图4是单相PWM控制信号生成电路,主要是由3片GAL来组成,其中IC1,IC2均为GAL16V8,IC3为GAL20V8。若PWM变换器输出电压频率为400Hz,那么要产生图3的四路PWM控制信号,控制器的时钟脉冲应为28.8kHz。由晶体振荡器及其外围电路产生的振荡信号频率为1.8432MHz,经IC1对此信号进行64分频,就可得到时钟频率,也就是PWM信号的载波频率,IC2的输出单元完成时序逻辑,对时钟信号进行72分频编码,产生信号Q0~Q6,其中Q0~Q3为时钟的9循环计数,Q4为时钟的18分频,Q5和Q6分别为时钟的36分频和72分频。IC3的功能是完成组合逻辑,分别对Q0~Q6进行与或逻辑组合,便能产生Z1,Z2和g1~g4信号,g1~g4信号还应与调压信号PW及互锁信号T1,T2及故障信号相综合才是最终变换成控制信号G1~G4。
3.2自动调压电路
自动调压电路的作用就是敏感变换器输出电压,产生受其控制的定频变宽的脉宽调制信号PW,此信号与时钟信号同步,只是其宽度随变换器的输出电压改变而变化,当变换器供电电压上升而使输出电压也相应升高时,调压电路就会改变PW信号占空比,从而降低变换器输出电压,达到自动调压的目的。自动调压电路包括降压变压器整流滤波电路,PI调节电路及调制波发生器。
图5为调制波发生器,该电路以定时器555为核心,UI为闭环采样电压经PI调节器放大后的敏感电压,它的大小控制着PW信号的宽度,由于555的2号管脚输入信号是时钟信号,所以产生的调制波信号是与时钟信号同步的,只是占空比不同。UI<+ 5V时 , VD1截 止 , VD33导 通 , 此 时 PW信 号 占 空 比 最 大 , 调 节 电 位 计 RP8, 使 PW信 号 占 空 比 为 1, 随 着 变 换 器 输 出 电 压 上 升 , UI也 逐 渐 上 升 , 当 UI>5V时,VD1导通,VD33截止,此时PW信号占空比逐渐减小,当变换器输出电压稳定在某一值时,PW信号占空比也就固定在0.7左右。若由于输入电压发生变化或者负载的变
化使变换器输出电压发生变化,偏离额定电压,此时PW信号占空比也相应发生变化,最终使变换器输出电压稳定在额定值范围内,从而达到自动调节电压的目的。此PW信号送入IG3的9号管脚,通过G3将PW信号与g1~g4相与后,就可得到受变换器输出电压控制的脉宽可调的PWM信号。由此可以看出,只要增加调制波发生器等调压电路就可实现开关点预置且脉宽可调的PWM控制,电路简单、可靠。
3.3保护电路
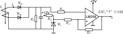
新型PWM控制器保护电路有两种功能,一种是电流限制,另一种是故障保护。前一种是检测出开关管电流超过其限定范围,自动封锁PWM控制信号,当电流下降至允许值后,又自动解除封锁。后一种保护电路是当开关管发生过电流、超温、过电压等故障时,能立刻切除PWM控制信号,检查电路,当故障排除后按复位键,电路方能恢复正常工作状态。电路分别如图6(a),(b)所示。这些电路图是某型飞机地面专用电源中PWM控制保护电路。由于此变换器采用的开关管是智能型IGBT,故利用此器件的故障输出信号设计保护电路,如图6(b)所示,四路故障信号线分别接入四路光耦,由于IGBT内部带有限流电阻,故光耦前不用加限流电阻。当有1支IGBT因过压,过流或超温等而发出故障信号时,74LS74的Q端为低电平信号,给IC3发出故障信号,从而封锁PWM信号,同时发光二极管VD亮,发出报警信号。当故障排除后,按复位开关S2,电路恢复正常状态,封锁解除。图中电容C是吸收干扰信号,防止74LS74误触发。
电流限制电路工作过程如下:当流过IGBT的电流IA高于限定值时(或-IA低于负限定值),LM358输出信号1由高电位跳变至低电位,此信号送入IC3的“1”号引脚,通过IC3与g1~g4相与,从而封锁PWM控制信号,流经IGBT的电流便逐渐下降,当下降至限定值以下时,LM358又由低电位跳变为高电位,解除PWM信号封锁,电路进入正常状态。
此外,此PWM控制器还具有软起动功能和互锁功能。用在某飞机地面电源中,效果良好,没有出现过故障。
4结语
以可编程逻辑器件GAL和调制波发生器构成的PWM控制器,使用的器件少,电路结构简单,控制方便,具有较强的抗干扰能力。实践证明,采用“开关点预置可调脉宽技术”在大功率地面电源中应用非常成功。此外,这种技术还可推广应用于内、外场或实验室独立电源等方面,为军、民用飞机或其他工业领域提供性能与可靠性均高的静止变换式地面电源。
参考文献
1孙涵芳.可编辑逻辑器件PAL和GAL.北京:北京航空航天大学出版社
2吴斌.新型PWM波形发生器.电气传动,1995;(6)
3林渭勋.电力电子技术.杭州:浙江大学出版社
上一篇:一种多路输出军用车载电源的设计
下一篇:SA828在航空电源中的应用