时间:2010-04-03 12:45
人气:
作者:admin
宽带视频切换集成电路AD8108/AD8109及其应用
摘要:介绍了AD8108,AD8109的主要功能、工作原理、控制逻辑的编程方法,指出了用AD8108设计8×16视频切换系统的软、硬件设计时应注意的几个问题。实践表明,该切换系统可靠性好,抗干扰能力强。
0 引言
视频矩阵切换器主要用于电视视频领域。随着计算机技术、多媒体技术的发展,它的应用范围越来越广泛。基于此,许多大公司纷纷推出了宽带视频切换集成电路。其中美国模拟器件公司生产的AD8108/AD8109不仅集成了许多分立元件实现的功能,而且成本低、使用寿命长、电磁兼容性好、扩展性好。本文从宽带视频切换集成电路AD8108/AD8109的功能入手,着重讨论了其工作原理和控制逻辑和编程,并结合AD8108的应用对应用时需注意的问题进行了讨论。
1 AD8108/AD8109的功能原理
AD8108/AD8109是一种高速8×8的视频切换矩阵,其-3 dB带宽大于250 MHz,信道切换时间少于25 ns,且其损耗小于l%。AD8108/AD8109在5 MHz时仅有-83 dB的串扰和-98dB的隔离度,具有优于0.02%,0.02°的微分增益误差/微分相位误差。由于其具有0.1 dB的增益平坦度,从而使AD8108/AD8109成为视频信号切换的理想器件。
1.1 引脚功能
AD8108/AD8109采用TQFP封装,共有80引脚,其引脚结构如图1所示。各主要引脚的功能如下:

INxx:模拟输入通道,xx表示通道号00~07;
DATA IN:串行数据输入,兼容TTL电平;
CLK:时钟,下降沿有效,兼容TTL电平;
DATA OUT:串行数据输出,兼容TTL电平;
:数据控制端。为低时,允许寄存器数据直接送到开关矩阵;为高时,锁存数据;
:芯片使能端,低电平有效;
:复位端,低电平有效;
:工作方式选择端。低电平,选择串行模式:高电平时,选择并行模式。
OUTyy:模拟输出,yy表示通道号00~07;
A2~A0:并行数据输入端,兼容TTL电平,
其中A0是最低位;
D2~D0:并行数据输入端,兼容TTL电平,
其中D0是最低位;
D3:并行数据输入输出使能,与TTL兼容。
NC:悬空端。
其它还有比如模拟地(AGND)、数字地(DGND)、模拟负电源(AVEE)、模拟正电源(AVCC)等都比较容易理解,此处不再赘述。
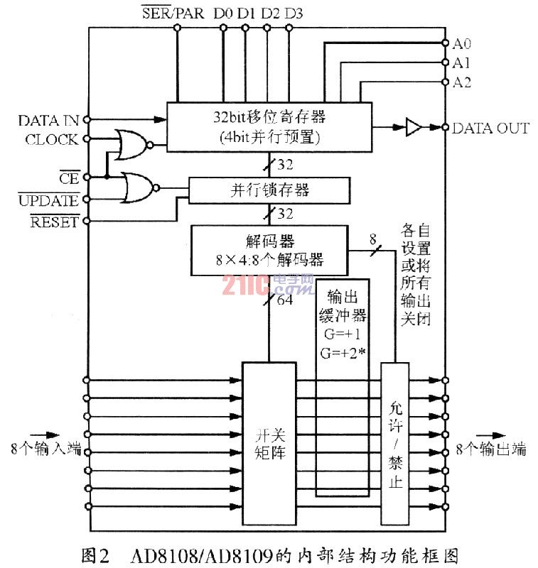
1.2 工作原理
AD8108(G=1)和AD8109(G=2)具有相同的内核。其容量都是8×8。主要由32 bit移位寄存器、并行锁存器、解码器、64点的切换矩阵和输
出缓冲器等部分组成,图2是其内部结构框图。

由图2可以看出,AD8108/AD8109有两种控制方式,它们均通过芯片内的32 bit移位寄存器对8路输入和8路输出进行切换控制。
当为低电平时,选择串行模式。在该模式下,以默认的顺序确定输出端口,而不用输入地址。AD8108/AD8109有8个输出端口,分别对应4bit数据,即D3~DO。其中D3用来阻断或使能该输出端口,当D3为0时,D2~DO无效,相应的输出端口阻断。D2~DO用来确定与某个输出端口相连接的输入端口。DATA IN通过CLK信号的下降沿驱动,依次传输OUT7[D3]、OUT7[D2]、OUT7[D1]、OUT7[D0]、 ……、OUT0[D3]、OUT0[D2]、OUT0[Dl]、OUT0[D0]数据到芯片内的32bit移位寄存器中,并由移位寄存器控制输入信号和输出信号的对应切换关系。当32bit数据全部输入完毕时,停止CLK信号,变为低电平,同时根据刚输入的32bit数据来切换矩阵的输入和输出。若CLK信号没有停止,则切换矩阵数据动态更改。当变为高电平时,32 bit数据锁存完毕。采用串行模式的特点是使用的控制信号少,但速度慢:同时每次更改输入输出配置时,必须提供32 bit的串行数据,这样才能将整个矩阵数据更改:此外,串行数据输出端也可为构建大容量的矩阵切换器提供方便,此时,只需将一个芯片的DATA OUT端连接到另一个芯片的DATA IN,而其它(如CLK、、、)则应该并行连接。
当为高电平时。选择并行模式。在该模式下,当为低电平,设置为高电平且在CLK下降沿时,包括、A2~A0、D3~DO在内的引脚上的逻辑值都将进入带有4位并行加载功能的32位移位寄存器中。至于4位数据D3~D0装入到32位移位寄存器的哪一个4位单元,则由A2~A0决定。A2~A0将32位移位寄存器分成8个4位单元段,每一个4位单元段对应一个输出缓冲器。当为低电平时,上述移位寄存器的内容进入并行锁存模块,然后经8x4:8解码后,即可对开关矩阵进行控制,以实现由D3、D2~D0、A2~A0决定8路输入中的任一路输入向8路输出中的任一路输出。并行模式的特点:一是使用的控制信号多,但速度快;二是在改变单个输出通道的工作方式时,不需要重新编程设置整个切换矩阵。
2 时序及控制逻辑编程
AD8108/AD8109的信号通道带宽不低于250MHz(-3dB),高于计算机视频信号和许多雷达视频脉冲的带宽,因而可用于复合视频、分量
视频、压缩视频等许多宽频带信号的切换;该芯片将输出缓冲器集成在芯片内,减少了寄生电容,且使它的抗干扰能力较强;这种高密度集成模块更便于集成更大规模的视频矩阵切换电路;器件有串行或并行两种控制方式,其控制都比较简单,而且驱动能力强,能驱动150Ω负载。此外,该芯片功耗低,工作电流仅45 mA,并有输出禁止功能,可允许多个芯片的输出直接连接。
2.1 时序图
AD8108/AD8109的串行模式时序图如图3所示。图中,其时钟信号CLK和刷新信号均是下降沿有效。特别应当注意的是,数据的建立时间t1最少为20 ns,的锁存时间t6最少为50 ns,即在数据建立后,最长不超过180 ns(t7)串口输出数据。故当一组数据(D3-D0)传送完时,可立即在时钟下降沿有效,(降为低电平)锁存数据;也可停止时钟,隔一段时间使有效。

图4所示是其工作在并行模式时的时序图。该模式下,数据的建立时间和信号的锁存时间均与串行模式相同。
2.2控制逻辑的编程
串行工作模式通常使用引脚、CLK、DATA IN、和。第一步,应在低电平有效的情况下,设为低电平,使其工作在串行模式;第二步,串行输入32 bit的数据以完成一次输入输出配置的更改。每个输出端口对应4 bit位(D3~DO,D3先输入,如D3为低电平,则相应的输出阻断,紧跟的D2~D0则没意义),共8个输出端口,第8个输出端口的数据最先输入;第三步,在32 bit的数据全部输入完毕时,停止CLK信号,变为低电平,并根据刚输入的32 bit数据来切换矩阵的输入输出配置。如果在为低电平期间,CLK信号没有停止。则切换矩阵数据动态更改;第四步,变为高电平,32 bit数据锁存完毕。
需要注意的是:如果多个AD8108/AD8109器件级联,则一次更改所需bit数是32与器件数的乘积。串行数据首先输入第一个芯片的DATA
IN,然后依次进入其它芯片,直至最后的芯片。因此,给最后一个芯片的数据是程控序列的前端。
并行工作模式一次只允许更改一个输出端口的配置。由于一次更改只花费一个CLK和周期,因而极大地提高了更改速度。并行工作模式需用到引脚、CLK、、D3-D0、A2~A0和。第一步,首先是在低电平有效的情况下,设置为高电平,使其工作在并行模式;第二步则设置为高电平,同时设置输出地址A2~A0,和输入地址D2~DO,以及输出使能端D3,以使4位数据D3~D0装入由A2~A0决定的32位移位寄存器中的某个4位单元段。第三步,端置低电平。32位移位寄存器中的数据被锁存到并行寄存器中,再经8x4:8解码后控制矩阵完成切换。
必须重点考虑的是:复位信号不能复位AD8108/AD8109中的所有寄存器,只是将切换矩阵的所有输出通道设为禁止状态,而寄存器中切换逻辑仍置于一个随机的排列中。因此,不管是串行模式还是并行模式,初始上电后,都必须将所有的移位寄存器编程为期望的状态。
3 AD8108/AD8109的应用及注意事项
AD8108/AD8109是高密度集成模块,利用其输出使能、片选使能的不同特征可构建超过8x8的大尺寸视频切换开关。构建更大的矩阵开关
时,可将它们与AD8116配合使用。图5所示是使用2片AD8108组成的8x16视频切换系统,该系统可实现8路输入中的任一路向16路输出中的任一
路输出,可满足某型雷达告警设备比幅测向功能测试时需要将两路视频窄脉冲序列不同时切换到四个方向、四个频段16通道的需求。

AD8108/AD8109主要用于视频切换。由于视频信号频率较高,频带较宽,故在使用AD8108/AD8109时,应注意以下几点:
(1)信号通道带宽的考虑
信号通道带宽是视频切换系统的重要指标,它决定了视频切换系统的技术难度、功能和成本。ADI公司的8×8矩阵切换芯片有AD8108/
AD8109,它们的-3 dB带宽为325 MHz/250 MHz,虽然这些都远远高于电视视频信号和计算机视频信号的带宽,但整个系统设计完成后的通道带宽往往会降低。实验表明,前级选用AD8108进行小信号切换,后级选用AD8109进行切换和放大,并注意阻抗的匹配,有利于提高矩阵切换器的通道带宽,并加强系统的抗干扰能力。
(2)隔离度要求
隔离度是衡量系统抗交叉串扰能力的重要指标。虽然AD8108/AD8109在5 MHz时的隔离度为-83 dB/-75 dB,但隔离度与串扰信号的频率有很大的关系,因此,设计完成整个系统后,其隔离度指标往往要降低很多。研究表明,人眼视觉可觉察到3%的亮度差异,相当于-30 dB的隔离度。而-45 dB的隔离度相当于0.56%的噪音(或串扰),远低于3%,由于有足够的余量,因而人眼感觉不到串扰光点。因此,设计完成整个系统后,其隔离度应不低于-45 dB才能满足要求。
(3)大型切换矩阵构建
AD8108和AD8109最大的不同是增益不同。AD8108的增益为+1,而AD8109的增益为+2。故在构建大型切换矩阵时,为了减少切换时的串扰、提高信号通道带宽,同时考虑到AD8109较强的驱动能力,一般将AD8108用在前级,而将AD8109用在后级。
(4)印制板设计
AD8108/AD8109是高密度集成模块,其输出使能、片选使能的不同特征使得它们在构建大型切换矩阵中发挥了重要作用。为了最小化系统电路板产生的串扰,设计时必须仔细处理接地、屏蔽、信号通路和供电旁路等,具体应注意的:一是各路视频信号间应用较粗的地线隔开;二是模拟地和数字地应当严格分开,只在电源处相连;三是模拟电源和数字电源独立,电源的走线应尽量与数据传递的方向一致;四是采用多点接地屏蔽,且接地线应尽量粗,并在关键部位配置去耦电容;五是在用多片AD8108/AD8109组成大容量系统时,其控制线及片选线须加驱动电路。
(5)软件编程控制
软件控制切换时,应先使所有的输出处于禁止状态,然后,使相应的输出处于允许状态,再接通对应的输入。考虑到AD8108/AD8109通常工作于并行模式时,复位信号只能将切换矩阵的所有输出通道设为禁止状态。而不能复位AD8108/AD8109中所有寄存器,寄存器中切换逻辑仍置于一个随机的排列中。因此,初始上电后,和不允许都置低,以防止矩阵开关处于一个未知状态。
4 结束语
通过本文的分析和设计,利用2片AD8108组成的8x16矩阵切换系统,目前已成功运用于某型雷达告警设备比幅测向功能的测试中,并成功实现了在两路视频窄脉冲序列不同时切换到四个方向、四个频段16通道的切换功能。实践表明,该切换系统可靠性高,抗干扰能力强。