时间:2010-12-23 17:05
人气:
作者:admin
1 技术方案的确定
电源总体方案根据国内外静变电源的技术发展水平,采用成熟可靠、适应性强、技术先进、立足国内的原则确定。电源总体方案示意图如图1所示,总体方案简述如下。

主电路采用交一直一交结构,包括整流器,直流滤波器、逆变器、变压器及交流滤波等组成部分。交一直部分将50Hz交流市电经桥式整流、平波电抗器、电解电容滤波后变为平稳直流。桥式整流电路为半控结构,启动过程中,调节晶闸管的触发角,可以控制直流电压由低到高逐渐变化,减少冲击电流,实现软启动。120 kVA以上电源整流电路分为独立的两组,通过增配移相变压器,即可实现12脉波整流。
直一交逆变部分采用单相全桥结构,是本电源的核心。逆变器选用IGBT作为开关器件。利用IGBT开关频率较高的优点,采用正弦脉宽调制方式(sPWM)对逆变器进行控制,将平稳直流变换为脉宽调制输出的交流,输出SPWM波幅值恒定,宽度按正弦规律变化,该交流基波频率为所需要的电源输出频率。逆变器输出的脉宽凋制波经LC滤波电路滤波后,得到纯正的正弦波交流电。
SPWM波控制采用二重化方式,即同一桥臂上下两只IGBT器件为互补通断,对角器件不同时通断,产生两路控制信号的调制波相位相同,但载波相位相差180°,因此,在相同开关频率下,等效调制比增加一倍,可有效改善输出波形。
为提高对不平衡负载的适应能力,电源主电路按照3套独立的单相电源进行设计,直一交逆变部分具有3套完全相同的单相逆变器,它们共用一条直流母线,输出互差120°,在变压器副边接成星形,输出所要求的三相交流电。
与主电路相适应,本项目电源控制器针对单相电源设计,电压波形控制采用带滤波电感电流内环的电压瞬时值反馈控制方案,电压有效值控制采用PI调节器方案,控制系统具有3套独立的调节器分别控制三相电压,从而提高带不平衡负载的能力。为提高电源输出控制的快速性、抗干扰能力和可靠性,波形控制采用模拟电路实现,有效值控制和电源监控采用智能数字电路实现。数字电路以16位单片机为核心组成,通过模拟量和开关量接口电路对电源的运行参数、工作状态、故障状态和单元模块的状态进行智能监测,监测信息和监控参数通过LCD中文显示屏显示和输入。同时,还设有通用的计算机通讯接口,以便通过计算机对电源进行远程监控。
2 高性能控制器设计
飞机供电电源远比普通电源要求高,按照国家军用标准要求,除常规参数外,还要对波形质量、电压调制、动态特性等进行严格考核。新型机载电子任务系统功率大、负载特性通常为非线形的使用特点,更增加了保证良好供电指标的难度。上述问题的解决完全取决于电源控制器的性能。
逆变电源波形的控制方法有多种,比如谐波补偿控制、无差拍控制、重复控制、瞬时值反馈控制等。和其他控制方法相比,瞬时值反馈控制具有控制思想简单明了,控制结构简单,容易实现,鲁棒性强,控制效果好等独特的优点,是近年来逆变电源控制方法研究的热点。现有的瞬时值反馈控制方法有3种,即单一的电压瞬时值控制、带滤波电感电流内环的电压瞬时值反馈控制、带滤波电容电流内环的电压瞬时值反馈控制。单一的电压瞬时值反馈控制虽然结构简单,但空载时系统的稳定性差。带滤波电感电流内环的电压瞬时值反馈控制方法由于存在滤波电感电流内环,使系统具有自动截流保护功能,但负载变化时系统的动态响应特性较差。带滤波电容电流内环的电压瞬时值反馈控制方法使系统的动态响应特性大大提高,但系统没有自动截流保护的功能。
本项目在设计逆变电源的控制器时,采用一种带有输出电压有效值控制及负载电流前馈控制的双环反馈控制方案,对输出电压的幅值、频率、波形进行精确控制。控制器结构如图2所示。
电压有效值环是外环,它检测输出电压有效值,通过PI调节器,对输出电压的有效值进行控制,使输出电压与设定电压一致。
波形环位于电压有效值环之内,用来对输出电压的波形进行实时控制,确保输出电压跟踪正弦波参考电压。波形环采用带负载电流前馈控制的电流控制环。它同时检测滤波电感电流和负载电流,控制滤波电感电流实时地跟踪电感电流指令,使电感电流被限制在限幅值所对应的电流之内,因此,滤波电感电流内环使系统具有自动的截流保护功能,提高电源抵抗冲击负载的能力。同时,负载电流前馈的引入,可使系统对负载的变化有及时的调节能力,使系统的动态响应特性大大提高。
对于有输出变压器的系统,电流控制内环将变为变压器原边电流控制环,此时电流反馈量将是变压器的原边电流,快速的电流内环使变压器的原边电流受到实时控制,有利于防止变压器的偏磁饱和。电感电流内环的采用还使单元间并联时的均流控制容易实现。

3 大容量功率变换电路的实现
本项目电源为适应新型电子任务系统供电需要,最大规格容量180 kVA,额定输出电流520A,过载电流696A。若采用单组桥式变换,逆变桥峰值电流过载状态下为574 A,IGBT的电流至少应在600A以上。目前,市场上可方便购买的器件大多在600A以下,超过600A的器件即使能买到,不仅价格昂贵,而且周期和渠道均无法保证,将给后期生产、服务造成很大问题。因此,现实的方法是立足通用器件提供解决方案。
采用小电流器件实现大容量装置的功率变换,有两种方案。一是采用IGBT并联,在目前技术条件下,IGBT并联,不论是并联技术本身,还是并联后装置的可靠性、可维修性等,都存在很多问题。二是采用IGBT单模块组成较小功率的变换器单元,通过单元的串联或并联扩大容量,实现大功率变换。该方案IGBT的规格和数量均与前者相同,但由于变换器单元功率较小,技术和工艺成熟,可靠性高,单元之间可以互换。因此,在成本差别不大的情况下,装置整体的工艺性、可靠性和维修性均大大提高,成为目前.IGBT大容量装置的首选。
装置串联或并联需要解决的核心问题是控制,目前,串联多采用移相多重化PWM技术,对多单元进行集中控制;并联则采用各单元独立控制,但必须有可靠的均流措施,技术难度比较大。
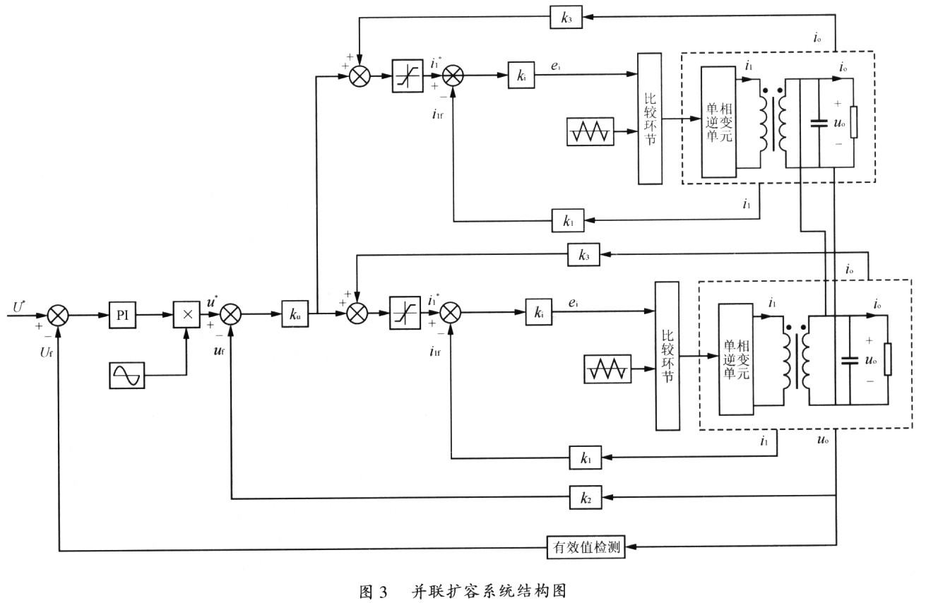
本项目采用逆变电源输出直接并联的扩容技术,系统结构如图3所示。各功率单元的控制器采用双环控制,波形控制内环采用带负载电流前馈控制的电感电流控制方式,不但实现了电源输出的截流控制,而且使单元间并联时的均流控制变得容易。并联均流控制采用主从式运行模式,一个单元为主,其余单元为从,主单元按电压模式运行,对装置输出电压的幅值、频率、相位及波形进行控制,并产生电感电流指令。从单元按电流模式运行,对系统的输出电压不进行控制,只是完成分担负载电流的任务。所有从单元的给定均为主单元产生的电感电流指令,只要各单元的电感电流控制内环增益一致,均流精度就可得到保证。从而实现整个装置的大容量功率变换。
采用功率单元并联技术,不但可使较小功率IGBT模块输出较大的功率,而且可提高并联输出的等效开关频率,实现多重化控制,改善输出性能,降低开关器件的损耗。由于并联的功率单元完全相同,可以互换,因此,便于标准化生产和运行维护。

4 产品研制和应用情况
按照军工产品定型的程序,本项目研制出60kVA、90kVA、150kVA产品样机各1台,先后在中航一集团601和611飞机设计研究所电气试验室通过了性能试验,在空军两个场站与重点型号飞机进行了对接试验和试用,运行状况良好。
样机主要技术指标如下:
输入 3相3线、50Hz、380V;
输出 3相4线、400Hz、115V/200V;
稳压精度±l%;
稳频精度±0.0.1%;
总谐波含量 <2%(线性负载);
电压调制量 <3.5V:
动态电压超调<10%
(负载O~100%变化时);
恢复时间
120°±3°(完全不平衡负载)。
样机试验测试过程,输出电压波形如图4所示。其中的突加载波形是经过电压电流霍尔采样后的波形。

5 结语
该系列电源性能测试和部队现场试用结果均表明,样机完全满足研制总要求和战技指标,可以高质量为空军现役和在研各型飞机提供地面供电保障。系列产品具备在部队推广使用的条件。