时间:2025-03-14 11:09
人气:
作者:admin
小尺寸,低成本,高精度
对轴&离轴多种组合,高柔韧性
2025年3月13日消息,专注于 AMR(各向异性磁阻)和 TMR(隧道磁阻)技术的磁传感器制造商江苏多维科技有限公司 (MultiDimension Technology Co., Ltd.,简称“MDT”) 为满足人形、犬型等机器人关节的闭环控制要求,推出多种基于TMR磁阻芯片的磁编码器方案。方案可以满足对轴和离轴多种组合使用,对安装要求低,具有小尺寸、低成本、高精度的特点。


磁编码器方案一

对轴磁编码器方案常规用于直流电机轴端角度检测,配合单对极充磁磁铁和一颗TMR3110或TMR3111来实现。
TMR3110、TMR3111具有自校准功能,配合单对极充磁磁铁,可以达到0.05°的绝对角度精度,满足40000RPM的转速需求。TMR3110、TMR3111有SPI,ABZ和PWM输出方式,满足客户多种通讯接口需要。
其中,TMR3111D采用DFN10L(3mm × 3mm × 0.75mm)小尺寸封装,能够节约用户的PCBA布板空间。
图1 对轴磁编码器方案原理图

图2 TMR3110所测磁场角度定义(顶视图)

磁编码器方案二


图3 离轴磁编码器方案原理图

图4 推荐电路图

磁编码器方案三

三、双对轴TMR3110/3111组合方案
针对直流电机和行星减速器组合的机器人关节方案,双对轴TMR3110/3111组合方案安装简单、成本低,江苏多维科技推出单对级磁铁磁屏蔽方案,可以有效消除输入输出轴端的两颗单对极磁铁相互影响。在组合使用中满足±0.15°的绝对角度精度需求。

图5 双对轴TMR3110/3111组合方案原理图

磁编码器方案四

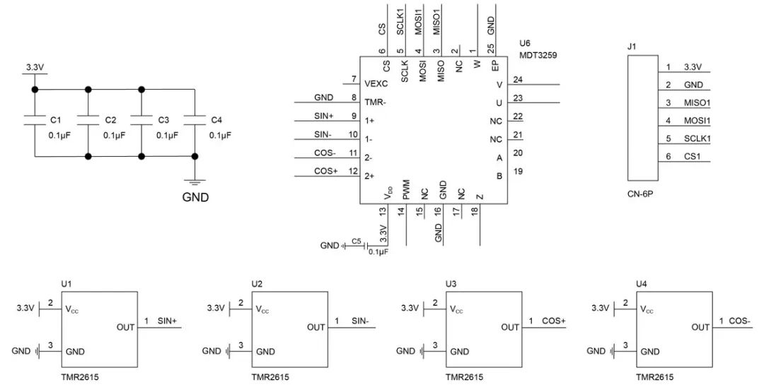
针对直流电机和行星减速器的机器人关节方案,单对极磁铁对轴(TMR311x)+ 单对极磁环离轴(TMR2615×4 + MDT3259组合方案)结构更为简单。通过增加磁屏蔽,可有效消除磁铁和磁环的相互影响。在组合中满足±0.15°的绝对角度精度需求。

图6 单对极磁铁对轴+单对极磁环离轴组合方案原理图