时间:2018-05-09 10:47
人气:
作者:admin
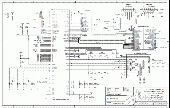
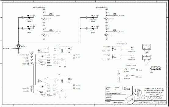
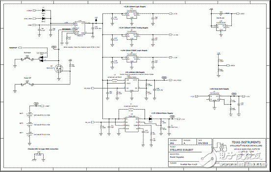
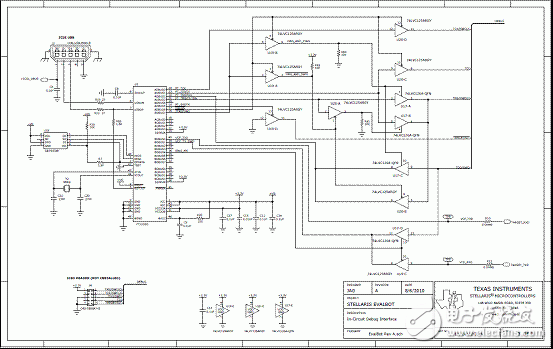
TI 公司的LM3S9B92是 Stellaris 系列MCU,采用ARM® Cortex™-M3处理器核,80MHz工作,100DMIPS性能,ARM Cortex SysTick定时器,嵌套矢量中断控制器(NVIC),片上存储器包括256KB闪存和96KB单周期SRAM,具有丰富的接口和系统集成功能,先进的马达控制和模拟特性,主要用在工业应用,包括遥测,电子POS机器,测试测量设备,网络设备和交换,工厂自动化,HVAC和建筑物控制,游戏机,马达控制,医疗仪器以及消防安全。本文介绍了LM3S9B92主要特性,方框图,微控制器CPU方框图以及Stellaris®机器人评估板(EVALBOT)主要特性,方框图,电路图和材料清单与元件布局图。
Texas Instruments is the industry leader in bringing 32-bit capabilities and the full benefits of ARM® Cortex™-M3-based microcontrollers to the broadest reach of the microcontroller market. For current users of 8- and 16-bit MCUs, Stellaris with Cortex-M3 offers a direct path to the strongest ecosystem of development tools, software and knowledge in the industry. Designers who migrate to Stellaris benefit from great tools, small code footprint and outstanding performance. Even more important, designers can enter the ARM ecosystem with full confidence in a compatible roadmap from $1 to 1 GHz. For users of current 32-bit MCUs, the Stellaris family offers the industry’s first implementation of Cortex-M3 and the Thumb-2 instruction set. With blazingly-fast responsiveness, Thumb-2 technology combines both 16-bit and 32-bit instructions to deliver the best balance of code density and performance. Thumb-2 uses 26 percent less memory than pure 32-bit code to reduce system cost while delivering 25 percent better performance. The Texas Instruments Stellaris family of microcontrollers—the first ARM® Cortex™-M3 based controllers—brings high-performance 32-bit computing to cost-sensitive embedded microcontroller applications. These pioneering parts deliver customers 32-bit performance at a cost equivalent to legacy 8- and 16-bit devices, all in a package with a small footprint.
The LM3S9B92 microcontroller has the following features:
■ ARM® Cortex™-M3 Processor Core
– 80-MHz operation; 100 DMIPS performance
– ARM Cortex SysTick Timer
– Nested Vectored Interrupt Controller (NVIC)
■ On-Chip Memory
– 256 KB single-cycle Flash memory up to 50 MHz; a prefetch buffer improves performance above 50 MHz
– 96 KB single-cycle SRAM
– Internal ROM loaded with StellarisWare software:
• Stellaris Peripheral Driver Library
• Stellaris Boot Loader
• Advanced Encryption Standard (AES) cryptography tables
• Cyclic Redundancy Check (CRC) error detection functionality
■ External Peripheral Interface (EPI)
– 8/16/32-bit dedicated parallel bus for external peripherals
– Supports SDRAM, SRAM/Flash memory, FPGAs, CPLDs
■ Advanced Serial Integration
– 10/100 Ethernet MAC and PHY
– Two CAN 2.0 A/B controllers USB 2.0 OTG/Host/Device
– Three UARTs with IrDA and ISO 7816 support (one UART with full modem controls)
– Two I2C modules
– Two Synchronous Serial Interface modules (SSI)
– Integrated Interchip Sound (I2S) module
■ System Integration
– Direct Memory Access Controller (DMA)
– System control and clocks including on-chip precision 16-MHz oscillator
– Four 32-bit timers (up to eight 16-bit), with real-time clock capability
– Eight Capture Compare PWM pins (CCP)
– Two Watchdog Timers
• One timer runs off the main oscillator
• One timer runs off the precision internal oscillator
– Up to 65 GPIOs, depending on configuration
• Highly flexible pin muxing allows use as GPIO or one of several peripheral functions
• Independently configurable to 2, 4 or 8 mA drive capability
• Up to 4 GPIOs can have 18 mA drive capability
■ Advanced Motion Control
– Eight advanced PWM outputs for motion and energy applications
– Four fault inputs to promote low-latency shutdown
– Two Quadrature Encoder Inputs (QEI)
■ Analog
– Two 10-bit Analog-to-Digital Converters (ADC) with 16 analog input channels and sample rate of one million samples/second
– Three analog comparators
– 16 digital comparators
– On-chip voltage regulator
■ JTAG and ARM Serial Wire Debug (SWD)
■ 100-pin LQFP and 108-ball BGA package
■ Industrial (-40°C to 85°C) Temperature Range
The LM3S9B92 microcontroller is targeted for industrial applications, including remote monitoring, electronic point-of-sale machines, test and measurement equipment, network appliances and switches, factory automation, HVAC and building control, gaming equipment, motion control, medical instrumentation, and fire and security.
In addition, the LM3S9B92 microcontroller offers the advantages of ARM’s widely available development tools, System-on-Chip (SoC) infrastructure IP applications, and a large user community.
Additionally, the microcontroller uses ARM’s Thumb®-compatible Thumb-2 instruction set to reduce memory requirements and, thereby, cost. Finally, the LM3S9B92 microcontroller is code-compatible to all members of the extensive Stellaris family; providing flexibility to fit our customers’ precise needs.
Texas Instruments offers a complete solution to get to market quickly, with evaluation and development boards, white papers and application notes, an easy-to-use peripheral driver library, and a strong support, sales, and distributor network. See “Ordering and Contact Information” on page 1376 for ordering information for Stellaris family devices.
LM3S9B92目标应用:
The Stellaris family is positioned for cost-conscious applications requiring significant control processing and connectivity capabilities such as:
■ Remote monitoring
■ Electronic point-of-sale (POS) machines
■ Test and measurement equipment
■ Network appliances and switches
■ Factory automation
■ HVAC and building control
■ Gaming equipment
■ Motion control
■ Medical instrumentation
■ Fire and security
■ Power and energy
■ Transportation











