时间:2016-09-21 16:48
人气:
作者:admin
TIDA-00982 参考设计是一款用于 2S1P 电池管理解决方案 (BMS) 的子系统设计,适用于无人机、机器人或无线电控制 (RC) 的项目和设计。可快速将监测、保护、平衡和充电功能添加至适用于无人机、机器人或 RC 产品的任何新设计,或使用此板将高级功能添加至现有设计。此TI参考设计将让您快速且轻松地投入工作并测试高级电池管理功能。
一、系统原理图

二、特性
1、补偿放电终止电压 (CEDV) 电量监测计可精确测量锂离子电池和锂聚合物电池中的可用电量
2、充电时具有集成型电池平衡
3、适用于电压、电流、温度、充电超时、CHG/DSG FETS 和 AFE 的可编程保护功能
4、适用于您的电池的诊断使用寿命数据监控器和黑盒记录器
5、板载 3.3V/5V 500mA 稳压器,可运行外部控制器
三、支持器件

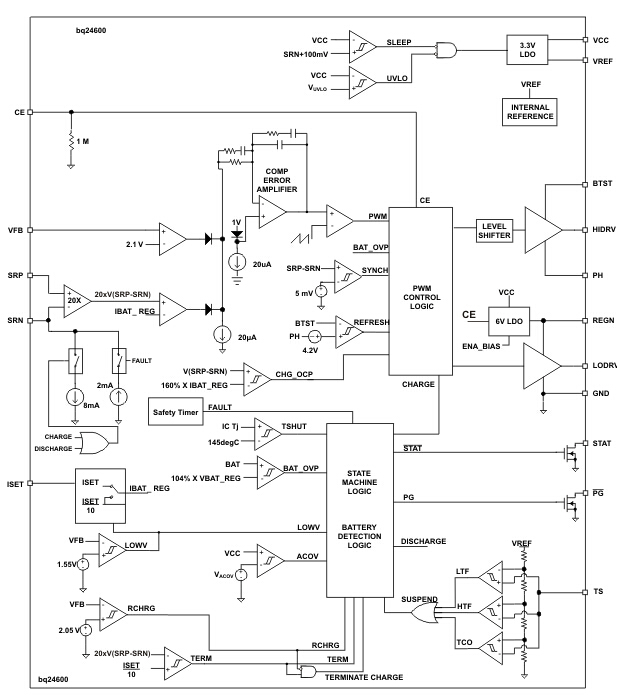
1、BQ24600:独立同步开关模式充电控制器

BQ24600 功能框图
2、TPS62175:4.5-28V 0.5A Tiny Step-Down Converter

TPS62175典型应用框图
下一篇:中国协作机器人弯道超车时代已来临