时间:2024-04-06 09:26
人气:
作者:admin
01 结构概述
在此之前,曾经通过一篇文章从SDRAM的内部芯片框图出发,分析过SDRAM的功能实现,本文开始继续分析DDR、DDR2、DDR3的芯片内部框图,从而认识他们各自的区别,便于后续使用。 下图时镁光的128Mb的SDRAM内存芯片,前文已经对该框图做了详细讲解。

图1 SDRAM框图
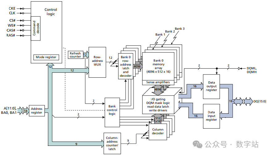
在计算机运算速度发展的过程中,需要提高内存的读写速率,只能通过提高时钟频率来提高SDRAM的读写速率。由于温度等因素的影响,SDRAM的内核时钟频率受限,无法进一步提升。SDRAM只在时钟上升沿传输数据,为了提高数据传输速率,DDR的IO端口在时钟的上升沿和下降沿都传输数据,而内核还是只在时钟上升沿传输数据。为了匹配内核(上升沿传输)和IO端口(双沿传输)数据传输的速率,内核的数据位宽变为IO数据位宽的2倍,即2n预取,这就是DDR器件的设计原理。 下图是镁光DDR芯片的内部框图,型号为MT46V32M16P-6T。该芯片数据位宽也是16位,容量为512Mb,忽略容量大小,两者的区别在于红框部分,DDR采用差分时钟信号。

图2 DDR内部结构框图 在数据写入过程中,接收器(RCVRS)接收到的数据(DQ0~15)和数据掩膜信号(LDM/UDM)被暂存于接收寄存器中。该寄存器的功能类似于IDDR,它将DQS双沿传输的16位数据转换为DQS单沿传输的32位数据。同时,接收寄存器将2位的DM信号转换为4位MASK信号。 随后,这32位的DQS单沿数据和4位的MASK信号被送入写FIFO。写FIFO的作用是处理异步时钟,将DQS时钟下的DATA和MASK信号同步到内核时钟CK下,确保数据在正确的时序下被写入内部存储阵列。
注意输入寄存器和写FIFO的输入端都是把DQS作为数据的时钟信号,因为该信号的边沿与写入数据DQ和数据掩膜信号DM的中心对齐。
此处可能会有人有疑问,DQ不应该是在CK的双沿下传输的,为什么这里是在DQS的双沿采集DQ的数据?
DQS是数据选通信号,在读数据时,DQS的边沿与DQ的边沿对齐,在写数据时,DQS的边沿与写数据DQ的中心对齐。所以写数据的时候在DQS的边沿采集DQ的数据就比较稳定。
在读取时,L-Bank 在内部时钟信号的触发下,一次传送 32位的数据给读取锁存器(READ LATCH),再分成两路16位数据传给数据选择器(MUX),数据选择器(MUX)选择其中一路,然后由发送器(DQS GENERATCR)在DQS的控制下在外部时钟上升、下降沿分两次传输16位的数据给主控芯片。
如果时钟频率为100MHz,那么在I/O端口处,由于在时钟上升、下降沿传输数据,那么传输频率就是200MHz。现在基本明白DDR SDRAM的工作原理了吧,这种内部存储单元容量(芯片内部总线位宽)= 2×芯片位宽(芯片I/O总线位宽)的设计,就是所谓的两位预取(2-bit Prefetch),有的公司称之为 2-n Prefetch(n代表芯片位宽)。
上述框图其实还有一个区别,SDRAM的框图中,12根地址线作为模式寄存器的数据信号,而DDR框图中,却有15根线连接到模式寄存器,其中13根是地址线,2根bank地址线,这是因为DDR除了模式寄存器(MR),还增加了一个扩展模式寄存器(EMR),配置时bank地址线作为MR和EMR的地址线,区分A12~A0的数据是配置MR还是EMR的数据。
02 功能及结构差异
DDR SDRAM和SDRAM的很多功能和指令都是一样,比如激活指令,自动预充电等指令,但是功能也有一些区别,本文不对两者相同的地方做讲解了,仅对不同的地方进行讲解。 PART 2.1 时钟 SDRAM采用单个时钟信号,而DDR采用差分时钟,CK#起到触发时钟校准的作用。由于数据在时钟CK的上升、下降沿传输,传输周期缩短了一半,因此必须要保证传输周期的稳定以确保数据的正确传输,这就要求CK的上升沿与下降沿的间距要精确控制。 由于温度、电阻性能的改变等影响,CK上升沿与下降沿的间距可能发生变化,此时与其反相的CK#就起到纠正的作用(CK上升快下降慢,CK#则是上升慢下降快)。

图3 时钟信号 在CK与CK#交叉时采集数据就能解决上述间距变化问题,这就是CK#的纠正思路。 由于数据在时钟的上升沿和下降沿传输,CL可以取1.5和2.5。数据DQ相关信号在时钟的双沿传输,而指令相关信号依旧是在时钟上升沿传输。 PART 2.2 模式寄存器和初始化时序 DDR与SDRAM一样,在开机时需要进行MRS(模式寄存器设置),因为DDR的操作功能增加,相比SDRAM多了一个EMRS阶段(扩展模式寄存器设置),这个扩展模式寄存器控制着DLL的有效、输出驱动强度、QFC有效等。 下图是SDRAM的模式寄存器,各位的含义前文已经做过详细讲解,此处就不再赘述。


图4 SDRAM模式寄存器 下图是DDR的模式寄存器,模式寄存器的内容相对SDRAM也有一些变化,突发长度不支持全页突发了,CL的长度也发生了一些变化。 DDR中存在MRS和EMRS,那如何分辨这两个寄存器的呢? 在配置时,可以理解为在配置模式寄存器时,bank地址线就是模式寄存器的地址线。当BA1~BA0为00时,此时地址线An~A0的内容就是配置模式寄存器,为01时配置扩展模式寄存器。


图5 DDR模式寄存器 下图是该芯片的扩展模式寄存器,包含DLL的启用/禁止,QFC的启用/禁止,其中DLL的作用在后文会讲解。

图6 DDR扩展模式寄存器 QFC是指FET Switch Controllar (FET开关控制),低电平有效。用于借助外部FET开关控制内存模组上芯片在没有读、写操作时进入隔离状态,以确保芯片间不受相互干扰。 QFC是一个特选功能,厂商在接到芯片买家的指定要求后,才在芯片中加入此功能,并且需要在模组装配时进行相关的设计改动(如增加VddQ的上拉电阻),所以市场上很少见到支持这一功能的DDR。在JEDEC最新发布的DDR规范中,已经不在有QFC的定义,这颗芯片的手册中也表示不支持QFC功能,作为了解即可。 既然DDR增加了扩展模式寄存器,那相应的初始化时序也相应的有所改变。相比SDRAM多了一个配置扩展模式寄存器的状态,初始化时序图如下所示,当上电电源稳定后,经过200us延时后把时钟使能,然后对所有bank进行预充电,之后依次配置扩展模式寄存器、模式寄存器,之后再次预充电,最后进行两次自刷新操作,就可以进入正常工作状态了。

图7 DDR初始化时序
PART 2.3 突发长度与写入掩码
由前文知SDRAM突发读写的长度有1、2、4、8、全页,而DDR的突发长度只有2、4、8。注意SDRAM突发长度是指连续寻址的存储单元数量,而DDR的突发长度是指连续的传输数据个数,每个数据宽度就是芯片IO的数据宽度。 因为DDR每次存储两倍芯片IO宽度的数据,芯片每次至少传输两次数据,所以不存在长度为1的读写操作。全页突发在图像领域可能会比较常用,但是在PC内存中一般不会被使用,毕竟DDR当时主要被用作PC内存,所以被砍掉了。 DDR在突发写入数据时,如果其中有不想存入的数据,可以像SDRAM一样使用掩膜信号DM进行屏蔽。通过下图知,掩膜信号DM与数据信号DQ同时发出,DDR芯片在DQS的上升沿和下降沿来检测DM的状态,如果DM为高电平,则此时的数据DQ就被丢弃了,不会写入DDR内部。

图8 DDR写时序 SDRAM对于读操作也是有掩膜信号的,但是DDR读操作就没有掩膜功能了,原因在于需要读哪个数据是由主控芯片控制的,如果不想读哪个地址的数据,完全可以主控芯片自己控制。
PART 2.4 延迟锁定回路(DLL)
这部分的功能讲解来自“电脑高手”的一篇文章,鉴于是别人的文章内容,图片中的LOGO保留,讲的很简单,也推翻了很多网络上对DDR中DLL(Delay Locked Loop)的错误理解。 DDR对时钟精确性要求极高,DDR有两个时钟:外部总线时钟和内部工作时钟。理想情况下,这两个时钟应保持同步,但由于温度和电压波动等因素,实际中很难实现完美的同步。此外,时钟频率本身的不稳定性也增加了同步的难度。SDRAM也有内部时钟,由于SDRAM工作频率较低,其内部时钟与外部时钟的同步问题不那么显著。 在实际应用中,时钟不同步可能表现为正向或负向的延迟。为应对这种情况,可以设定一个固定的延迟值,例如一个时钟周期,那么内外时钟的上升沿和下降沿仍然保持同步。由于外部时钟周期并非绝对一致,DDR需要动态调整内部时钟的延迟,以匹配外部时钟,这一过程由延迟锁定环路(DLL)负责,它能够实时监测并调整内部时钟,确保与外部时钟的精确同步。 DLL不涉及频率与电压转换,而是生成一个延迟量给内部时钟。目前DLL有时钟频率测量法(CFM)和时钟比较法(CC)两种实现方法。 CFM(Clock Frequency Monitor)负责监测外部时钟的频率,并据此调整内部时钟的延迟,确保内外时钟之间仅相差一个周期,实现同步。DLL通过不断测量和调整延迟值,动态地维持内部时钟与外部时钟的精确同步。CFM的校正速度快,仅用两个时钟周期,但容易受到噪音干扰,如果测量失误,则内部的延迟就会永远错下去。


图9 时钟频率测量法 CC(Clock Correction)方法通过比较内外时钟周期的差异来调整内部时钟。当检测到内部时钟周期短于外部时钟时,会在下一个内部时钟周期中补充缺失的延迟,反之则减少多余的延迟。这一过程不断循环,直至内外时钟达到同步。 CC的优势在于其稳定性和可靠性,即使在比较过程中出现偏差,也仅影响单个数据点,不会对后续的延迟修正产生连锁反应。然而,CC的调整过程相对较慢,需要更多时间来完成同步。

图10 时钟比较法 DDR在排错与评估操作时中可以禁用DLL功能,正常工作状态是自动有效的。DLL的功能很简单,就是通过延时同步DDR内部和外部时钟。
PART 2.5 数据选通脉冲(DQS)
DDR SDRAM芯片增加了DQS选通脉冲信号,该信号在SDRAM中是不存在的。每个字节的数据对应一个DQS信号,对于16位数据线的芯片来说,每次传输两个字节数据,所以就有LDQS和UDQS信号。主要用来在一个时钟周期内准确区分出每个传输周期,并便于接收方准确接收数据。 DQS是双向信号,与DQ数据信号双向同步。从图2的框图分析知,在读取DDR数据时,DQS与数据信号同时生成(在CK与CK#的交叉点)。而DDR中的CL指从CAS发出到DQS生成的间隔,如下图所示,数据真正出现在数据I/O总线上相对于DQS触发的时间间隔被称为tAC。注意,DDR的tAC与SDRAM的tAC含义不同。

图11 读时序 实际上,DQS生成时,芯片内部的预取已经完毕了,tAC指图2中红框部分的数据输出时间,由于预取的原因,实际的数据传出可能会提前于DQS产生(数据提前于DQS传出)。 如下图所示,向DDR写入数据时,DQS的边沿与DQ的中部对齐,此时数据线上的数据会比较稳定,DDR可以在DQS的边沿将DQ的数据存储。

图12 写时序
PART 2.6 写入延迟(tDQSS)
下图是SDRAM芯片的写时序,发出写数据和写命令同时出现在数据线上,没有延时。


图13 SDRAM写时序 在看图12中DDR的写入时序,在发出写命令之后需要经过tDQSS,DQS、写入数据DQ、数据掩膜才会出现,这段时间被称为DQS相对写入命令的延时时间(tDQSS, WRITE Command to the first corresponding rising edge of DQS)。 这个延迟设计的作用也是在于同步,一个时钟周期传两次数据,控制精度要求较高,必须让接收方做好充分准备才能传输数据。
tDQSS是DDR写入操作的一个重要参数,太短可能造成接受错误,太长则会造成总线空闲。tDQSS 大于等于0.75个时钟周期,小于等于1.25个时钟周期。 经过上面的延时,芯片内部的时钟很可能与DQS信号不同步了。一般情况下,tDQSS是一个时钟周期,DDR的时钟信号一般只用来同步控制命令。在前文分析过写入的数据DQ完全通过DQS进行同步,后面通过一个写FIFO将数据从DQS下同步到时钟CK下,所以DQS与CK不同步对数据的写入是没有影响的。 注意数据在时钟的双沿传输,但是指令指令在时钟的上升沿传输,因此当CL为2.5时,读操作完成后,下一个指令需要延迟半个时钟周期后才能发出。如下图所示,读后写操作延迟的增加,如果CL=2.5,还要在tDQSS基础上加入半个时钟周期。

图13 DDR读写时序 另外,DD内存的数据真正写入由于要经过更多步骤的处理,写入时间(tWR)也明显延长,一般在3个时钟周期左右,在DDR-Ⅱ规范中将tWR列为模式寄存器的一项。 03 总结 经过上面的讲述,对DDR与SDRAM的区别稍微总结一下:
1、由于DDR采用双沿传输数据,每个时钟周期传输2次IO宽度的数据,而SDRAM只在上升沿传输数据,每个时钟只传输一次数据。
2、由于DDR在双沿传输数据,对时钟精确度的要求较高,采用差分时钟,时钟不支持挂起操作。
3、DDR的数据IO在双沿传输数据,而内部数据只在上升沿传输,就需要将IO双沿传输的数据转换为单沿传输的数据,所以内部传输数据位宽是IO传输数据位宽的2倍,即两位预取。
4、DDR不支持单次突发和全页突发传输,在读取数据时也不支持数据掩膜功能。
5、由于采用双沿传输,所以读潜伏期支持2.5这种两个半的时钟周期延时。SDRAM在写入数据时没有延时,写命令和写数据同时有效,而DDR发出写命令后,需要经过tDQSS延时后,数据DQ、数据掩膜DM、数据选通信号DQS才会有效。
6、DDR采用双沿传输数据,增加了数据选通信号DQS,读数据时DQS边沿与读出数据DQ边沿对齐,写入数据时,DQS的边沿与写入数据DQ的中心对齐,DDR可以在DQS的边沿采集数据DQ,前文详细分析过写入数据的过程。
7、延时锁存回路(DLL),由于DDR对时钟精度要求较高,增加了DLL来调节内部时钟与外部时钟延时,确保两个时钟同步。
8、另外SDRAM采用3.3V的LVTTL电平,而DDR采用2.5V的SSTL_2电平,DDR的功耗更低。SDRAM采用TSOP-II封装,而DDR有TSOP-II封装和BGA封装两种。
本文主要参考DDR与SDRAM的手册以及电脑高手的一篇文章,在使用过IDDR之后就会发现双沿传输数据转换为单沿传输数据其实也比较简单, 分析数据的读写也就不难了。 FPGA使用DDR3这些器件来说,可以很简单,直接调用DDR IP即可,连DDR怎么工作都可以不用了解,只需要写一下IP的用户接口时序即可。但如果DDR的核心板是自家公司设计的,下载程序之后就是不允许,如果对DDR如何工作都不了解,如何确定问题出在FPGA还是硬件? DDR最初是作为PC的内存出现,所以了解很多内容要结合一下PC端,比如全页突发为什么会被砍掉等。
本文只对DDR与SDRAM的区别做了讲解,相同部分就不做介绍了,毕竟内容挺多的,DDR就把SDRAM的单沿传输变为双沿传输就引发了这么多改变。下一节继续分析DDR如何升级成DDR2。
审核编辑:黄飞