时间:2023-08-24 09:13
人气:
作者:admin
EEPROM (Electrically Erasable Programmable read only memory)是指带电可擦可编程只读存储器。是一种掉电后数据不丢失的存储芯片。EEPROM可以在电脑上或专用设备上擦除已有信息,重新编程。一般用在即插即用。
EEPROM(带电可擦可编程只读存储器)是用户可更改的只读存储器(ROM),其可通过高于普通电压的作用来擦除和重编程(重写)。不像EPROM芯片,EEPROM不需从计算机中取出即可修改。在一个EEPROM中,当计算机在使用的时候可频繁地反复编程,因此EEPROM的寿命是一个很重要的设计考虑参数。
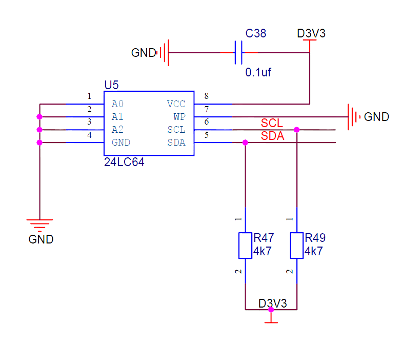
EEPROM是一种特殊形式的闪存,其应用通常是个人电脑中的电压来擦写和重编程。我们以SANXIN-B04板卡上的EEPROM为例,向大家介绍一下其驱动方式。EEPROM型号为24LC64。

从特征中我们可以看出一些信息:
1、两线串行总线,使用IIC接口协议。
2、有自擦除/写循环时间。
3、有32字节页写和单字节写模式。
4、最大5ms的写循环时间。
知道了以上信息之后,那么我们继续往下看手册。

在这段描述中,我们可以看出,24LC64是一个8K*8的一个存储器,总共64K bit的容量。因为存储深度为8K,也就意味着芯片的地址有需要有8K个,也就是有8192个,从0开始到8191,那么地址线的位宽就是13位。这也就是我们在写时序图中展示的高字节地址和低字节地址。此外,芯片的供电范围是1.8V到5.5V。芯片有页写功能,最多可写32字节。允许最多有8个芯片连接到相同的总线上。
管脚及功能介绍:


A0、A1、A2三个端口为片选输入,当这三个端口的电平与从机地址相同时,该芯片被选中,这些管脚必须接电源或者地。

SDA是一个双向总线用于传输地址和数据,在SCL为低电平的时候,正常的数据传输SDA是允许被改变的,如果在SCL为高电平期间改变就会被认为是开始和停止条件。

SCL为串行时钟,用于同步数据的传输,由主机发出。

写保护管脚,这个管脚可以连接地、电源或悬空。如果悬空,这个管脚上的下拉电阻会让芯片保持不被保护的状态。如果连接到了地或者悬空,正常的存储器操作是有效地,如果连接到了电源,写操作是禁止的,读操作不受影响。

在SCL为高电平时,SDA由高变低被视为开始条件,所有的命令必须在开始条件之后。
在SCL为高电平时,SDA由低变高被视为停止条件,所有的操作必须以停止条件结束。

端口介绍完,这里要着重说明一下应答信号。每次接收完8bit数据,从机需要产生一个应答信号,主机必须产生一个额外的时钟周期伴随着应答信号。注释:芯片如果有内部循环在进程中的话,是不会产生应答信号的。在时钟为高电平的时候,芯片的应答信号必须拉低SDA,并且在SCL低电平期间保持稳定。

上图为IIC总线的示意图,其中开始条件与停止条件在上文已经描述过。其次是数据的读写,在图中,SCL为高电平时,地址或应答有效,那么我们就在数据有效的时候进行采数;在SCL为低电平时,数据允许被改变,那么我们发送数据就在此时间段。
在了解了端口的作用及功能之后,我们做一个总结:
1、起始条件:SCL为高电平,SDA由高变低。
2、停止条件:SCL为低电平,SDA由低变高。
3、数据接收在SCL高电平期间。
4、数据发送在SCL低电平期间。
5、A0、A1、A2、WP在电路图中已经全部接地,在代码中我们不需要关注。

电路图中可以看出,我们的EEPROM的控制管脚只有SCL和SDA。
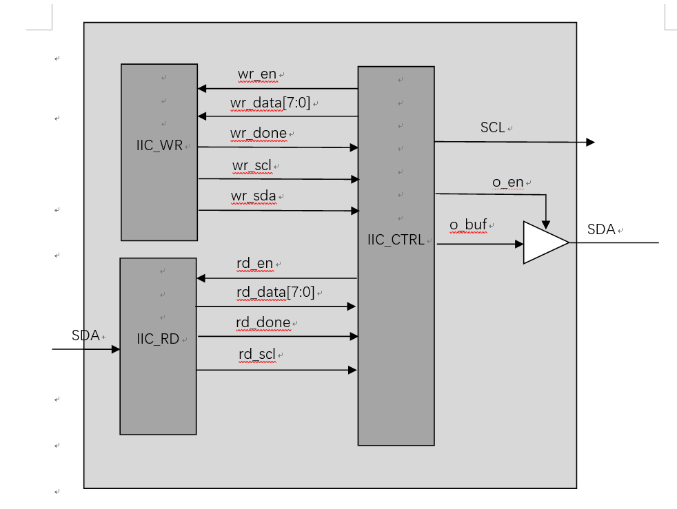
设计框架

按照上面的框架,完成各部分代码,最后在此框架的基础上,再加上数码管模块,用来显示从EEPROM里面读出的数据。
新建工程:


新建好工程后,新建文件,开始写代码,首先是写模块。
写时序如下图。

我们以单字节写为例,因为在写的工程中,没写8bit,就要读一次ACK,所以在此我得做法是,读模块只写8bit的线性序列机,代码如下:
1 module iic_wr( 2 3 input wire clk, 4 input wire rst_n, 5 6 input wire wr_en, 7 input wire [7:0] wr_data, 8 9 output reg wr_scl, 10 output reg wr_sda, 11 output wire wr_done 12 ); 13 14 parameter f_clk = 50_000_000; 15 parameter f = 100_000; 16 parameter t = f_clk / f / 4; 17 18 reg [11:0] cnt; 19 20 always @ (posedge clk, negedge rst_n) 21 begin 22 if(rst_n == 1'b0) 23 cnt <= 12'd0; 24 else if(wr_en) 25 begin 26 if(cnt == 32 * t - 1) 27 cnt <= 12'd0; 28 else 29 cnt <= cnt + 1'b1; 30 end 31 else 32 cnt <= 12'd0; 33 end 34 35 always @ (posedge clk, negedge rst_n) 36 begin 37 if(rst_n == 1'b0) 38 begin 39 wr_scl <= 1'b0; 40 wr_sda <= 1'b0; 41 end 42 else if(wr_en) 43 case(cnt) 44 0 : begin wr_scl <= 1'b0; wr_sda <= wr_data[7]; end 45 1 * t - 1 : begin wr_scl <= 1'b1; end 46 3 * t - 1 : begin wr_scl <= 1'b0; end 47 4 * t - 1 : begin wr_sda <= wr_data[6]; end 48 5 * t - 1 : begin wr_scl <= 1'b1; end 49 7 * t - 1 : begin wr_scl <= 1'b0; end 50 8 * t - 1 : begin wr_sda <= wr_data[5]; end 51 9 * t - 1 : begin wr_scl <= 1'b1; end 52 11* t - 1 : begin wr_scl <= 1'b0; end 53 12* t - 1 : begin wr_sda <= wr_data[4]; end 54 13* t - 1 : begin wr_scl <= 1'b1; end 55 15* t - 1 : begin wr_scl <= 1'b0; end 56 16* t - 1 : begin wr_sda <= wr_data[3]; end 57 17* t - 1 : begin wr_scl <= 1'b1; end 58 19* t - 1 : begin wr_scl <= 1'b0; end 59 20* t - 1 : begin wr_sda <= wr_data[2]; end 60 21* t - 1 : begin wr_scl <= 1'b1; end 61 23* t - 1 : begin wr_scl <= 1'b0; end 62 24* t - 1 : begin wr_sda <= wr_data[1]; end 63 25* t - 1 : begin wr_scl <= 1'b1; end 64 27* t - 1 : begin wr_scl <= 1'b0; end 65 28* t - 1 : begin wr_sda <= wr_data[0]; end 66 29* t - 1 : begin wr_scl <= 1'b1; end 67 31* t - 1 : begin wr_scl <= 1'b0; end 68 default : ; 69 endcase 70 end 71 72 assign wr_done = (cnt == 32 * t - 1) ? 1'b1 : 1'b0; 73 74 endmodule
在写模块中,我们选择在SCL低电平中心位置发送数据,那么为了方便我们写线性序列机,我们将四分之一SCL周期看做是一个单位时间T,总共8bit时间,所以计数器需要计数32个T。
读模块代码如下:
1 module iic_rd( 2 3 input wire clk, 4 input wire rst_n, 5 6 input wire rd_sda, 7 input wire rd_en, 8 9 output reg rd_scl, 10 output reg [7:0] rd_data, 11 output wire rd_done 12 ); 13 14 parameter f_clk = 50_000_000; 15 parameter f = 100_000; 16 parameter t = f_clk / f / 4; 17 18 reg [11:0] cnt; 19 20 always @ (posedge clk, negedge rst_n) 21 begin 22 if(rst_n == 1'b0) 23 cnt <= 12'd0; 24 else if(rd_en) 25 begin 26 if(cnt == 32 * t - 1) 27 cnt <= 12'd0; 28 else 29 cnt <= cnt + 1'b1; 30 end 31 else 32 cnt <= 12'd0; 33 end 34 35 always @ (posedge clk, negedge rst_n) 36 begin 37 if(rst_n == 1'b0) 38 begin 39 rd_scl <= 1'b0; 40 rd_data <= 8'd0; 41 end 42 else if(rd_en) 43 case(cnt) 44 0 : begin rd_scl <= 1'b0; end 45 1 * t - 1 : begin rd_scl <= 1'b1; end 46 2 * t - 1 : begin rd_data[7] <= rd_sda; end 47 3 * t - 1 : begin rd_scl <= 1'b0; end 48 5 * t - 1 : begin rd_scl <= 1'b1; end 49 6 * t - 1 : begin rd_data[6] <= rd_sda; end 50 7 * t - 1 : begin rd_scl <= 1'b0; end 51 9 * t - 1 : begin rd_scl <= 1'b1; end 52 10* t - 1 : begin rd_data[5] <= rd_sda; end 53 11* t - 1 : begin rd_scl <= 1'b0; end 54 13* t - 1 : begin rd_scl <= 1'b1; end 55 14* t - 1 : begin rd_data[4] <= rd_sda; end 56 15* t - 1 : begin rd_scl <= 1'b0; end 57 17* t - 1 : begin rd_scl <= 1'b1; end 58 18* t - 1 : begin rd_data[3] <= rd_sda; end 59 19* t - 1 : begin rd_scl <= 1'b0; end 60 21* t - 1 : begin rd_scl <= 1'b1; end 61 22* t - 1 : begin rd_data[2] <= rd_sda; end 62 23* t - 1 : begin rd_scl <= 1'b0; end 63 25* t - 1 : begin rd_scl <= 1'b1; end 64 26* t - 1 : begin rd_data[1] <= rd_sda; end 65 27* t - 1 : begin rd_scl <= 1'b0; end 66 29* t - 1 : begin rd_scl <= 1'b1; end 67 30* t - 1 : begin rd_data[0] <= rd_sda; end 68 31* t - 1 : begin rd_scl <= 1'b0; end 69 default : ; 70 endcase 71 end 72 73 assign rd_done = (cnt == 32 * t - 1) ? 1'b1 : 1'b0; 74 75 endmodule
在控制模块中,我们可以将每个bit分解开进行写,比如起始条件:

类比以上写法,停止条件也是如此。

在控制模块中我们使用状态机来完成数据的写入以及ACK的判断。我们在第一个状态中,可以加入一个按键来启动整个过程的开始。
在ACK读取的状态,我们在SCL高电平中心读取ACK的值,在此状态结束时判断ACK的值是否为0,如果为0说明响应正确,状态继续往下,否则返回起始条件状态。

在顶层代码中,我们需要加入三态门来控制双端口。

在写好代码之后,出现了一个问题,那就是我们无法仿真,因为单纯的看波形,会发现我们得不到正确的ACK,导致状态一直无法继续。因此我们将使用仿真模型来进行仿真,在仿真模型中,端口为芯片的控制端口。

在此模型中需要我们注意的一点就是,写循环时间定义的为5ms时间,如果大家觉得时间太长,可以自行修改。

仿真代码如下:
1 `timescale 1ns/1ps 2 3 module iic_tb; 4 5 reg clk; 6 reg rst_n; 7 reg key; 8 9 wire [2:0] sel; 10 wire [7:0] seg; 11 wire SCL; 12 wire SDA; 13 14 defparam iic_inst.jitter_inst.t = 10; 15 16 pullup(SDA); 17 18 initial begin 19 clk = 0; 20 rst_n = 0; 21 key = 1; 22 #100; 23 rst_n = 1; 24 #1000; 25 key = 0; 26 #1000; 27 key = 1; 28 #1000000; 29 $stop; 30 end 31 32 always #10 clk = ~clk; 33 34 iic iic_inst( 35 36 .clk (clk), 37 .rst_n (rst_n), 38 .key (key), 39 40 .sel (sel), 41 .seg (seg), 42 .SCL (SCL), 43 .SDA (SDA) 44 ); 45 46 M24LC64 M24LC64_inst( 47 .A0 (1'b0), 48 .A1 (1'b0), 49 .A2 (1'b0), 50 .WP (1'b0), 51 .SDA (SDA), 52 .SCL (SCL) 53 ); 54 55 endmodule
写好代码之后,我们打开仿真波形进行观察。

在仿真波形中可以看出,我们读出来的数据跟写入的数据时一致的,即表明驱动正确。需要注意的是,在写循环时间内,我们发送的命令,芯片是不接收的,所以会出现起始条件、写控制字、ACK三个状态一直循环,直到数据写入完成,仿真模型才会返回ACK。此时,状态继续往下进行,直至结束。
我们从仿真模型中读出的数据,高电平是为高阻的,模型无法拉高,所以我们在仿真中可以自行上拉,这样才能看到完整且正确的数据。

至此,我们实验正确。
审核编辑:刘清