时间:2023-07-03 15:02
人气:
作者:admin
1
统计排序滤波
设r为处理窗口半径,I(x,y)为输入像素值,g(x,y)为输出像素值,则有如下定义:
g(x,y)=Sort(I(x+i,y+i),n)
-r≤i≤r,-r≤j≤r,0≤n< (2r+1)^2.
令n=(2r+1)2/2,则上式变为中值滤波器。常用的排序算子有冒泡排序、希尔排序即简单排序等,以冒泡排序为例,C++语言处理算法如下:

中值滤波能够很好的消除椒盐噪声。效果图如下所示:

2
基于FPGA的统计排序滤波器
2.1
并行全比较排序法
为了区别相同的数值,对各个数值的输入次序做如下规定:
当前数值大于本数据之前输入数据时,结果记为1,小于或等于时记为0.
当前数值大于或等于本数据之后输入数据时,结果记为1,小于时记为0.
与自身比较记为0.
利用此规则对输入数据进行排序,如下表所示:

以3个数据d1,d2,d3的排序为例,需要设计的比较器数目为n(n-1)个。如下所示:
d_1≥d_2
d_1≥d_3
d_2>d_1
d_2≥d_3
d_3>d_1
d_3>d_2
2.2
整体设计与模块划分
采用与均值滤波类似的方法,先进行一维图像行方向上的排序,再对列方向上的行排序结果进行排序,即可得到一个窗口方向上的排序。同样的,行方向的对齐采用行缓存来实现,如下图所示:

注意:并行全比较排序与C语言实现的冒泡排序结果,在某些特殊情况下还是有点差别的。如下所示:

如果使用C语言冒泡排序,目标值会被判定为1,因为这9个数的排序如下:
1, 1, 1, 1 ,1, 0, 0, 0, 0
其“中值”为1,故判定为1.使用先行后列的全排序法,每行的中值如下:
1
0
0
再对这3个数进行排序,得到最终的中值为0.与C语言冒泡排序判定结果不同。只有在1与0的比值为5:4或4:5的情况下才会出现,其他比值则不会出现判定结果不同。即便某些情况下判定结果可能不同,但他们都是中值附近的值,都具有中值滤波的效果。自己可以多列几种情况试试看。
想强调的是,先行后列的并行全比较排序和C语言的冒泡排序数据结果对比时,可能会出现某些数据不同,免得大家怀疑是程序编写错误。
2.3
median_1d模块设计
全并行排序的计算步骤如下
首先得到待排序的n个数据:可以通过打n-1拍得到。
进行全比较:当前数据与其他所有数据依次比较,并记录比较结果。
将(2)中的记录结果相加。
查找(3)中相加结果按指定次序输出。
一维排序滤波电路设计如下所示:


** 需要注意的是:din_r[2]为输入第0个数据,din_r[1]为输入第1个数据,din_r[0]为输入第2个数据。**
由于在求cmp_sum时,消耗了一个时钟周期,所以在求dout时,需要先对输入数据打一拍,即此时din_r[3]为输入第0个数据,din_r[2]为输入第1个数据,din_r[1]为输入第2个数据。
当cmp_sum[0]==OUT_ID时,将第0个数据(din_r[3])赋值给dout,
当cmp_sum[1]==OUT_ID时,将第1个数据(din_r[2])赋值给dout,
当cmp_sum[2]==OUT_ID时,将第2个数据(din_r[1])赋值给dout。
从上图可以看出,产生dout共需消耗5个时钟周期,dout_vld需要和dout信号同步,故同样需要对dout_vld打5拍,如下所示:

上图中的KSZ为窗口长度,KSZ的值为3,故一行数据有两个数据无法做中值处理,所以dout_vld信号产生代码如下:

2.4
median_2d模块设计
采用和均值滤波同样的思路来处理,整个计算步骤如下
计算一维行方向的排序结果输出。
将第(1)步的结果接入第一个行缓存,第一个行缓存的输出接入第二个行缓存,得到3行的一维输出。
对第(2)步输出的三个数据进行排序,得到结果输出。
完成时序对齐。
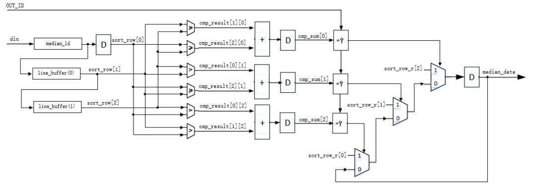
二维运算的电路设计如下图所示:


由于行FIFO读出数据有一拍延时,所以median_1d输出的数据需要延时一拍,以便于FIFO读出数据对齐。从图4-6可以看出,产生median_data共需消耗3个时钟周期,median_vld有line_rd_en[2]产生,也需要延时3个时钟周期,以便于median_data信号对齐,产生代码如下:

由于median_vld由line_rd_en[1]产生,故已经舍去了两行,所以此时不需要再与上其他信号了,注意与median_1d模块的dout_vld做对比,自己理解一下。
3
仿真与调试
median_1d的测试激励如下:

从图4-9可以看出,测试激励主要是产生0-9共10个数据,仿真结果如下所示:

可以看出,中值结果是正确,尤其需要注意的是红色框框里的数据,8和1共产生了2次,这个地方使用书上的代码是有问题的。具体的自己看代码就知道了。
median_2d仿真有点麻烦,自己可以使用mspaint画图软件产生10*10的黑白图,然后再用qt将其转成txt,最后再使用modelsim进行仿真。也可以自己写测试激励。最终中值滤波结果如下图所示:

下一篇:半导体存储芯片分类浅述