时间:2023-06-21 09:59
人气:
作者:admin
Xilinx 复位准则 :
(1)尽量少使用复位,特别是少用全局复位,能不用复位就不用,一定要用复位的使用局部复位;
(2)如果必须要复位,在同步和异步复位上,则尽量使用同步复位,一定要用异步复位的地方,采用“异步复位、同步释放”;
(3)复位电平选择高电平复位;
(这里说明,由于 Altera 和 Xilinx 器件内部结构的不同,Altera 的 FPGA 推荐低电平复位)
针对异步复位、同步释放,一直没搞明白在使用同步化以后的复位信号时,到底是使用同步复位还是异步复位?
比如针对输入的异步复位信号rst,使用本地时钟clk将其同步化以后得到一个新的复位信号sys_rst, 当使用sys_rst时,是将sys_rst作为同步复位信号还是异步复位信号 ?
/*****此程序来自公众号:硅农********/
always @(posedge clk or posedge rst)
begin
if(rst)begin
rst_r0 <= 1'b1;
rst_r1 <= 1'b1;
end
else begin
rst_r0 <= 1'b0;
rst_r1 <= rst_r0;
end
end
assign sys_rst = rst_r1;
如下图所示,选方式1还是方式2?

针对此问题查找了很多资料,网络上多是将sys_rst继续按照方式1异步复位使用,如图所示:

对于输入的异步复位Asynchronous Reset,首先 使用了4个触发器来做同步(一般用2个即可,4个出现亚稳态的概率更小) ,触发器类型为FDP(异步置位),同步化以后的复位信号去使用时综合出的触发器类型为FDR(同步复位),即 在Xilinx中是将sys_rst按照方式2同步复位使用 。
使用FDP异步置位的原因是因为Xilinx推荐高电平复位,当异步复位信号到来时,输出复位电平“1”,即异步置位FDP,当复位消失后,D触发器在每个时钟边沿输出前一级触发器的值,一定周期后,最后一级的FDP稳定输出“0”。
使用Xilinx A7系列FPGA实现异步复位、同步释放代码,确定同步化后的复位使用情况。
/******FPGA探索者******/
always @(posedge clk or posedge rst_async)
begin
if(rst_async == 1'b1) begin
rst_sync_reg1 <= 1'b1;
rst_sync_reg2 <= 1'b1;
rst_sync_reg3 <= 1'b1;
rst_sync_reg4 <= 1'b1;
end
else begin
rst_sync_reg1 <= 1'b0;
rst_sync_reg2 <= rst_sync_reg1;
rst_sync_reg3 <= rst_sync_reg2;
rst_sync_reg4 <= rst_sync_reg3;
end
end
wire sys_rst;
assign sys_rst = rst_sync_reg4;
always @(posedge clk)
begin
if(sys_rst == 1'b1) begin
data_out_rst_async <= 1'b0;
end
else begin
data_out_rst_async <= a & b & c & d;
end
end
综合并布局布线后的原理图如图所示,显然,综合后对sys_rst复位,将其作为异步复位综合出 FDCE同步使能异步复位 (这里不考虑使能),和白皮书WP272给出的参考电路显然不一致。

| 原语(Primitive) | 功能描述 |
|---|---|
| FDCE | 同步使能,异步复位 |
| FDRE | 同步使能,同步复位 |
| FDPE | 同步使能,异步置位 |
| FDSE | 同步使能,同步置位 |
/******FPGA探索者******/
always @(posedge clk or posedge rst_async)
begin
if(rst_async == 1'b1) begin
rst_sync_reg1 <= 1'b1;
rst_sync_reg2 <= 1'b1;
rst_sync_reg3 <= 1'b1;
rst_sync_reg4 <= 1'b1;
end
else begin
rst_sync_reg1 <= 1'b0;
rst_sync_reg2 <= rst_sync_reg1;
rst_sync_reg3 <= rst_sync_reg2;
rst_sync_reg4 <= rst_sync_reg3;
end
end
wire sys_rst;
assign sys_rst = rst_sync_reg4;
always @(posedge clk)
begin
if(sys_rst == 1'b1) begin
data_out_rst_async <= 1'b0;
end
else begin
data_out_rst_async <= a & b & c & d;
end
end
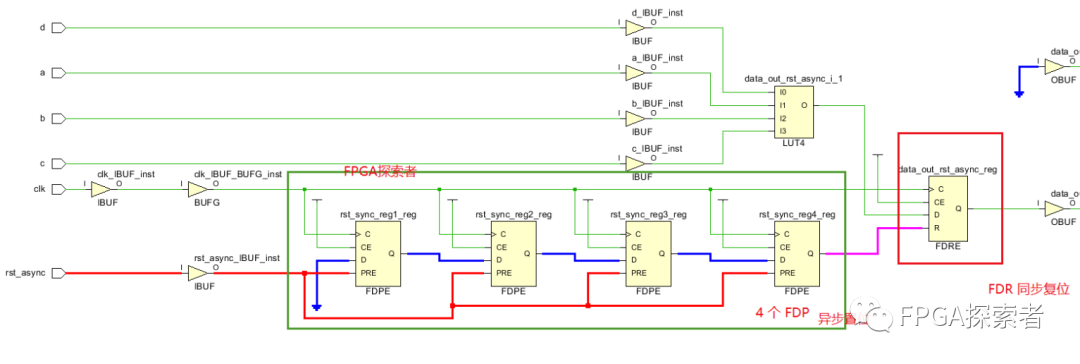
综合并布局布线后的原理图如图所示,显然,综合后对sys_rst复位,将其作为同步复位综合出 FDRE同步使能异步复位 (这里不考虑使能),和白皮书WP272给出的参考电路一致。

异步复位相比较同步复位,在Xilinx的FPGA中资源是一致的,异步复位的优势在于复位信号一来就能检测到,不需要保持至少一个时钟周期才能在时钟边沿检测到, 通过仿真来验证上述电路是否能实现异步复位一来就能检测到 。
设置时钟50MHz,时钟周期20ns,给一个持续时间3ns的异步复位信号,且持续时间均不出现在时钟上升沿检测期间,可以看到:
(1)rst_async异步复位一旦给出,用于同步的4个寄存器rst_sync_reg1~4立刻输出高电平“1”,在下一个时钟上升沿检测到同步复位并将输出data_out_rst_async复位;
(2)异步复位信号释放后,经过同步的sys_rst经过一定周期后在时钟边沿同步释放;

按照同样的复位,将sys_rst看作异步复位,仿真结果如下,相比于上图,区别在于异步复位信号rst_async一旦产生,输出立刻复位,且同样是同步释放,好像这种处理才更符合异步复位、同步释放。。。。。。

那么为什么Xilinx白皮书还是将sys_rst按照同步复位去做的呢?难道写错了?
综合考虑可能有这样的因素:
(1)当作同步复位的差别只在于复位时间会稍晚一些,要在时钟的下一个边沿检测到,但是还是能够识别到输入的rst_async异步复位信号,所以从复位角度来说,都能够后实现复位效果;
(2)根据Xilinx复位准则,我们知道同步复位相比异步复位有很多好处,既然两者对后级复位没有功能上的差别,那么优先选择同步复位;
经过异步复位同步释放处理后,相比于纯粹的异步复位,降低了异步复位信号释放导致亚稳态的可能性;相比同步复位,能够识别到同步复位中检测不到的复位信号(如上图所示的rst_async在同步复位是检测不到的);综合两者的优势,异步复位同步释放。
Altera还是把这个同步后的复位当作异步复位来用的,且推荐低电平复位。
从上面的分析来看,这里当作异步复位还是同步复位对于复位结果本身没有太大的影响,区别在于 Xilinx是推荐同步复位来节省资源 (比如DSP48E或BRAM,异步复位比同步复位耗资源),而Altera的FPGA中带异步复位的触发器,想要同步复位需要消耗更多的资源。
