全球最实用的IT互联网信息网站!
AI人工智能P2P分享&下载搜索网页发布信息网站地图
极致优化SSD并行读调度
阅读全文2023-09-18
DDR3的规格书解读
阅读全文2023-09-15
DDR3的原理和应用设计
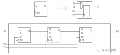
DFT中的Scan Chain扫描链测试过程
服务器CPU狂飙,内存接口芯片的分类有哪些
如何正确使用动态内存?
存储市场迎来拐点 DRAM和NAND闪存芯片价格上调1
阅读全文2023-09-14
三星内存芯片最高涨20%
数据机房中的UPS电源基础设置
HK-NEOs系列带来先进的磁带自动化解决方案
DDR内存市场现状和未来发展
忆联如何以技术创新推动存储产业变革
TF卡速度评测-使用AS SSD Benchmark
一个5.25英寸的光驱位竟神奇地能装入8块
CPU | 内存 | 硬盘 | 显卡 | 显示器 | 主板 | 电源 | 键鼠 | 网站地图
Copyright © 2025-2035 诺佳网 版权所有 备案号:赣ICP备2025066733号 本站资料均来源互联网收集整理,作品版权归作者所有,如果侵犯了您的版权,请跟我们联系。