时间:2023-03-13 10:23
人气:
作者:admin
Versal
Versal 架构将“Scalar Engine”(标量引擎)、“Adaptable Engine”(自适应引擎)和“Intelligent Engine”(智能引擎)这三种不同类型的引擎与丰富的连接和通信功能以及片上网络 (NoC) 有机结合,从而支持实现覆盖整个器件的无缝式存储器映射访问。
智能引擎包括:
SIMD VLIW AI 引擎,适用于自适应推断和高级信号处理计算
DSP 引擎,适用于定点运算、浮点运算和复杂的 MAC 运算。
自适应引擎将可编程逻辑块与存储器有机结合,它具备专为应对高计算密度需求而设计的架构。
标量引擎包括 Arm Cortex-A72 和 Cortex-R5 处理器,支持计算密集型任务。
片上网络 (NoC)
片上网络 (NoC) 是一个 AXI 互连网络,用于在可编程逻辑 (PL)、处理器系统 (PS) 和其它硬核块中的 IP 端点之间共享数据。
此基础架构覆盖整个器件,基于专有的切换开关形成高速集成的数据路径。
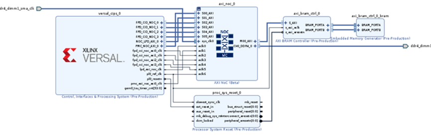
模块框图

Vivado 步骤
步骤 1:
以 VCK190 评估板为目标创建工程,并在 IP integrator 内创建块设计。
步骤 2:
添加 versal_cips IP (Control, Interfaces and Processing System),并运行块自动化设置。在设置中配置 NoC 的存储器控制器 (DDR4),并将 PL 时钟和 PL 复位的数量配置为 1。

步骤 3:
双击打开 NoC IP,在“General”(常规)选项卡中进行以下设置:
Number of AXI Master Interfaces(AXI 主接口数)= 1
Number of AXI Clocks(AXI 时钟数)= 7

步骤 4:
转至“Connectivity”(连接)选项卡,检查 S0xAXI 与 M00_AXI 之间的连接,然后单击“OK”(确定)。

步骤 5:
将 AXI BRAM 添加到块设计中,单击“Run Connection Automation”(运行自动连接),然后选中 pl_clk0 作为从接口的时钟源。

步骤 6:
再次运行“Run Connection Automation”,配置 ext_reset_in接口。

步骤 7:
运行“validation”(确认)步骤,确认成功后,检查“Address Editor”(地址编辑器)选项卡。

步骤 8:
为 BD 创建顶层文件,运行综合与实现,然后生成器件镜像。
步骤 9:
导出硬件设计以获取 XSA 文件。
Vitis 步骤
步骤 1:
在 Vitis 中创建新的应用工程,然后切换至“Create a new platform from hardware”(基于硬件创建新平台)选项卡。
单击“+”,选择从 Vivado 导出的 XSA 文件。

步骤 2:
提供工程名称,并选择处理器。

步骤 3:
选择 Hello World 模板,然后单击“Finish”(完成)。

代码修改
创建完应用工程后,在 main.c 中修改代码对 AXI BRAM进行读写。
Xil_Out64 函数用于将数据写入 64 位地址,而Xil_In32 函数则用于地址中读取 32 位数据。
示例:
写入数据 API
Xil_Out64(bram_address_write,write_data);
读取数据 API
read_data=Xil_In32(bram_address_read);
代码快照:

运行设计
连接到VCK190 评估板,并设置启动模式为 JTAG 启动模式,然后运行应用。
控制台输出示例:

审核编辑:刘清
下一篇:什么是OFDM技术?