背景与基础
随着
工业4.0的兴起,人们对可重设置的双向数据交互的
智能传感器/执行器的需求显著上升。为此,自动化领域的许多
知名厂商一起开发了独立于现场总线的传感器和执行器的
通信标准:IO-Link,这是一种相对较新的工业传感器标准,目前已呈现出迅速增长态势。据IO-Link相关组织预测,截至当前,行业使用支持IO-Link标准的节点已超过2700万个,而这个数字仍在不断攀升。

图1 .IO-Link nodes增长趋势
(图源IO-Link.com)
IO-Link技术定义了用于将传感器和执行器连接到主站单元的
接口标准,其遵守的规范和标准是IO-Link Interface and System Specif
ication(V1.1.1
or V1.1.2以及
最新的V1.1.3)和IEC 61131-9标准。
IO-Link系统是IO-Link Master和IO-Link Device(Sensor、
Actuator和Hub)之间的数字点对点连接,IO-Link通信独立于所使用的Fieldbus。此外,IO-Link还可以通过IO-Link Hub在系统中连接没有IO-Link输入输出的设备(遵守IEC 61131-2的sensor or Actuator)。

图2.IO-Link系统应用概述
IO-Link Master可以有两种工作模式,分别是IO-Link mode和SIO mode,其可以在任何
端口单独设置,每个端口只能连接一个IO-Link Device。通信总是从IO-Link Master的Wake-up pulse(80μs)开始,后跟测试消息(Type_0的M序列),等待IO-Link Device的响应
信息。在SIO mode下,传感器/执行器的工作方式与传统的传感器/执行器类似,测量值和开关状态通过数字量与传感器/执行器通信;在IO-Link mode下,确定通信速率和最小周期时间(Cycle
time)后建立通信(Master支持4.8Kbit/s、38.4Kbit/s、230.4Kbit/s三种波特率,Device仅支持其中一种波特率),通过一系列消息(M序列)交换数据,可以选择不同的M序列类型(Type_1_x/Type_2_x)来满足IO-Link Device的特定需求(扫描速率、过程数据量等)。每个IO-Link Device的属性、功能和
参数都在IO-Link设备描述文件(IODD)中表示。

图3.IO-Link接口物理层定义

图4.Master与Device建立通信的过程
注:Master发送唤醒
电流脉冲(WURQ)后,接着发送(COM1、COM2、COM3不同传输速率)测试消息,直到获得Device响应,通信建立。

图5.O-Link 消息序列(M序列)
ADI的IO-Link相关产品和方案
技术型授权代理商Excelpoint世健的
工程师Tony Wang介绍了当前
ADI可用于设计IO-Link Master和IO-Link Device(Sensor、Actuator和Hub)的相关
芯片级设计参考方案。下图为IO-Link系统中相关产品的设计参考框图。

图6.IO-Link系统ADI芯片级应用框图
1、IO-Link Master设计
Tony表示,大多数IO-Link Master设计中主要包括四种组件:一是用于处理数据的
微控制器,在使用IO-Link Master的情况下,也运行协议栈;二是用于物理层的IO-Link Master
收发器;三是用于现场总线通信的工业
以太网控制器;四是
电源,以及用于提供浪涌保护的
TVS、
ESD等。
另外IO-Link Master设计的主要挑战包括散热(Heat)、鲁棒性(Robustness)、驱动能力(Drive capability)、软件(Software)。
2、ADI在IO-Link Master设计中的优势 IO-Link Master收发器:MAX14819/MAX14819A介绍
ADI的MAX14819/MAX14819A是低功耗、双通道的IO-Link主站收发器。该收发器包括两个辅助数字输入(DI)通道,完全符合最新的IO-Link和二进制输入标准和测试规范,遵守IEC 61131-2、IEC 61131-9和IO-Link 1.1.3标准。

图7.MAX14819/MAX14819A(集成Frame
rs and L+ Supply Controllers)功能框图
MAX14819与MAX14819A的特色和优点:
● CQ_ DRIVER的1Ω(typ)导通电阻,减少25%的能量消耗
● 两个通道共1.9mA(typ)的
供电电流
● 集成了L+ Supply Controllers,具有大容性负载充电能力和2A或者更高的负载电流
● 集成了Frame Handler,减少了对
MCU的
UART需求
● 每个通道自带Cycle Timer,减少对MCU精确
定时器的需求
● 通过逻辑地址输入A1和A0,在一个SPI总线上允许最多四个MAX14819/MAX14819A
● CQ_ DRIVER可独立配置为push-pull、NPN、PNP模式输出,可选电流范围从100mA到500mA
● 65V绝对最大额定值,在其关键引脚上(VCC,CQA,CQB,DIA,DIB,L+A,L+B,SN1A,SN1B)
● -40°C至+125°C的工作温度范围
MAX14819与MAX14819A的不同点:
● MAX14819A具有Device Message Response Time Checking功能(tA,参考图5)
● MAX14819A比MAX14819具有更高的L+阈值
● MAX14819A
接收器比MAX14819具有更高的高频
信号隔离能力
ADI合作的3家IO-Link协议栈
公司,可以为终端设计客户提供更多的IO-Link协议栈开发选择。

图8.ADI合作的3家IO-Link协议栈公司
ADI还提供多种评估板资源,方便终端客户评估与学习。

图9.ADI评估板资源
3、IO-Link Hub设计
大多数IO-Link Hub设计中主要包括四种组件:一是用于处理数据的微控制器,在使用IO-Link Hub的情况下,也运行协议栈;二是用于物理层的IO-Link Device收发器;三是用于连接传感器/执行器的高边/低边输出开关,输入开关等;四是电源,以及用于提供浪涌保护的TVS、ESD等。
IO-Link Hub设计的主要挑战同样包括散热(Heat)、鲁棒性(Robustness)、驱动能力(Drive capability)、软件(Software)。
4、ADI在IO-Link Hub设计中的优势 IO-Link Hub收发器:MAX14827A/MAX14828介绍
MAX14827A集成了工业传感器中常见的
高压功能,包括
驱动器和调节器。MAX14827A具有两个主动反极性保护的超低功耗驱动器,可工作于正常的24V供电电压至60V。

图10.MAX14827A功能框图
MAX14827A的特色和优点:
● 非常低的功率损耗(2.3Ω/2.7Ω(typ)导通电阻)
● 集成了
LDO和
LED驱动器
● 热插拔电源保护
● 具有主动反向极性保护功能的驱动器
● 65V绝对最大额定值
● MAX14828与MAX14827A的
Pin和软件兼容
注:MAX14827A-Dual Driver;MAX14828- Single Driver;MAX14829- Pin Control
led,Dual Driver。
IO-Link Hub收发器:MAX22513/MAX22514介绍
MAX22513是双通道低功耗IO-Link Device收发器,内部具有高效的
DC-DC降压稳压器和两个内部
线性稳压器,以及集成的浪涌保护器件,非常鲁棒性的通信。MAX22513具有低导通电阻驱动器(C/Q和DO/DI),可选择的驱动器电流限制和过流保护,以减少传感器应用中的功耗。

图11.MAX22513功能框图
MAX22513的特色和优点:
● 集成了高效的DC-DC降压调节器(可输出2.5到12V@300mA)
● 集成了±1kV/500Ω的浪涌保护功能
● 非常低的功率损耗(2.1Ω/2.3Ω(typ)导通电阻)
● 集成了LDO和LED驱动器
● 集成了精确的
振荡器
● 热插拔和主动反向极性保护功能
● 65V绝对最大额定值
注:MAX22513-Dual Driver;MAX22514- Single Driver;MAX22515- Dual Driver(no DC-DC)。

图12.IO-Link Device收发器散热对比
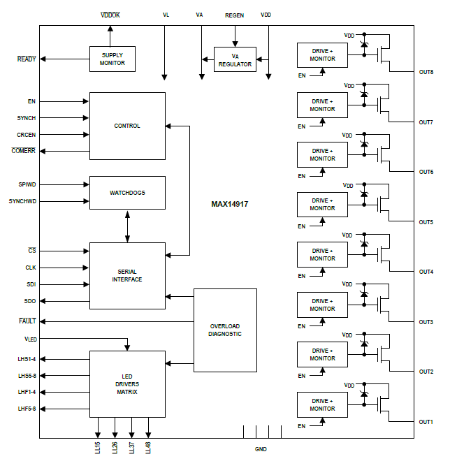
IO-Link Hub高边输出开关:MAX14915/MAX14916/MAX14917介绍
MAX14917有8个高边输出开关,每个通道提供高达700mA(min)的连续电流。MAX14917有一个SPI接口,可以菊花链连接,允许与多片MAX14917共用一个SPI总线。两个
看门狗定时器提供了对主设备连接的额外安全检查。MAX14917具有4 x 4 LED交叉矩阵,可提供每个通道状态的视觉指示。

图13.MAX14917功能框图
注:MAX14917不具备诊断功能,MAX14915/MAX14916具备诊断功能。MAX14917只在菊花链配置中与MAX14915兼容。
MAX14917的特色和优点:
● 65V绝对最大供电范围和集成了1KV的浪涌保护功能
● 精确的输出电流(0.7A,min)
● 在125℃时250mΩ(max)导通电阻
● 过热保护功能
● 紧凑的6mm x 6mm QFN封装
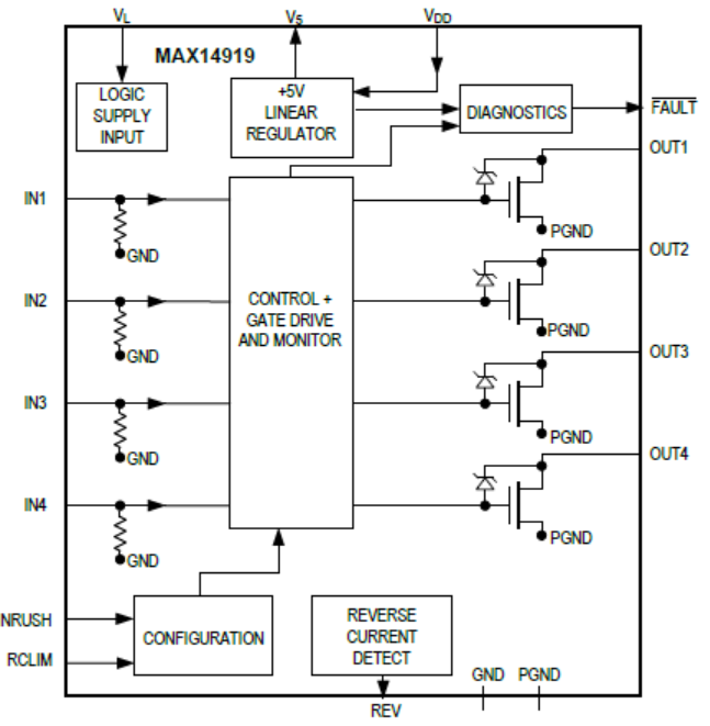
IO-Link Hub低边输出开关:MAX14919/ MAX14919A介绍

图14.MAX14919/MAX14919A功能框图
MAX14919/MAX14919A的特色和优点:
● 165V绝对最大供电范围和集成了1KV的浪涌保护功能
●
电阻设置精确的电流限制(100mA到800mA)
● 在125℃时300mΩ (max)导通电阻
● 过热保护和反向电流保护功能
● 紧凑的6.5mm x 6.5mm 20-
TSSOP或者4mm x 5mm 20-TQFN封装
为了满足将来的需求,数据透明度和通信必须一致延伸至比控制层更深的层次。那么如何在自动化系统中充分利用智能传感器和执行器?答案是采用开放式通信标准的IO-Link。同时,随着所采用的执行器和传感器变得越来越智能,也更需要开放的IO-Link通信标准发挥作用,使传感器/执行器层直至自动化层都保持较高数据透明度。ADI的IO-Link相关产品和解决方案,让客户可以快速、便捷的去评估自动化系统性能,Excelpoint世健还可以提供相关技术支持和指导,深入支持客户完成整个IO-Link相关产品的设计开发,帮助客户缩短产品开发周期。