时间:2022-11-09 11:22
人气:
作者:admin
数字预失真(DPD)是目前无线通信系统中最基本的构建块之一。其用于提高功率放大器的效率。通过减少功率放大器在其非线性区运行时产生的失真,功率放大器的效率可得到大幅提升。
不使用 CFR 或 DPD 算法的无线基站通常效率较低,因此运营和资金设备成本也较高。一个输出 WCDMA 波形的典型 AB 类 LDMOS 功率放大器的效率约为 15-20%。利用 CFR 和 DPD 算法,效率可提升至 40%,从而大幅降低网络运营商的资本支出和运营支出。
据悉,Xilinx新系列功率放大器设计采用 Doherty 架构以及 Xilinx DPD 内核,效率可提升至 50% 以上的水平。
本文通参考MATLAB的RF仿真工具,展示如何在发射机中使用数字预失真(DPD)来抵消功率放大器中非线性的影响。我们使用Power Amplifier Characterization 的模型,得到功率放大器特性的例子来模拟两种情况。在第一个仿真中,射频发射机发送双音信号。在第二个仿真中,射频发射机发送一个类似5G的OFDM波形,带宽为100 MHz。
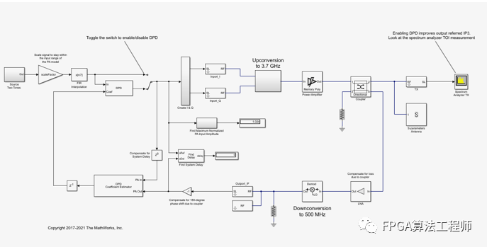
Simulink RF Blockset模型: System-level model PA + DPD with two tones.
该模型包括一个双音信号发生器,用于测试系统的输出参考的三阶截距点。该模型包括使用I-Q调制器的射频上变频、PA模型、用于探测PA输出的耦合器和代表天线负载效应的s参数块。接收链进行下变频到低中频。注意,本系统的仿真带宽为107.52 MHz。
当拨动开关处于向上位置时,可以不使用DPD对模型进行仿真。仿真模型如下图所示。

图1 System-level model PA + DPD with two tones模型

图2 双音频谱图
手动开关处于开启状态,使能DPD算法。切换时,TOI(三阶截距点)得到显著改善。检查频谱分析仪中的失真测量,以验证这些结果,得益于DPD线性化,谐波的功率降低。

图3 开启DPD算法

图4 开启DPD后双音频谱图
在双音信号进入DPD块或功率放大器之前,它经过一个FIR插值器,在PA表征中使用相同的FIR插值器。这是必要的,因为功率放大器的模型是插值后的采样率,而不是双音信号的原始采样率,而且为了建模功率放大器引入的高阶非线性,需要对信号进行过采样。
所需幅度增益的DPD系数估计量是基于预期获得的功率放大器(PA期间获得表征),因为除了线性化,总体目标是使得DPD功率放大器的输入输出的联合增益尽可能接近预期的增益。为了正确估计DPD系数,DPD系数估计模块的输入信号PA In和PA Out必须在时域内对齐。通过查找延迟模块验证了这一点,该模块显示射频系统引入的延迟为0。此外,PA In和PA Out必须是功率放大器输入信号和输出信号的精确基带表示,即没有额外的增益或相移。否则,DPD系数估计模块将不能正确地观察功率放大器,也不会产生正确的DPD系数。这是通过确保上变频和下变频步骤都有一个增益为1,反馈信号到达PA Out之前,耦合器对损耗和相移做适当补偿。
在FIR插值器前的缩放因子的目的是帮助有效地利用线性化的功率放大器。即使启用了DPD,也可能出现两种不希望出现的情况。双音信号相对于线性化系统的输入范围可能非常小,因此没有充分利用线性化系统的放大能力。或者双音信号可能太大,以致于功率放大器模型工作在PA表征期间观察到的范围之外,因此功率放大器模型可能不是物理设备的精确模型。我们使用以下启发式方法来设置缩放因子。
假设DPD将功率放大器完全线性化以达到预期的幅度增益,那么DPD允许的最大输入幅值应该是PA表征过程中观察到的最大功率放大器输出幅度除以预期的幅度增益。DPD前的缩放因子应该是DPD允许的最大输入幅度除以PA表征过程中观察到的插值信号的最大幅度。
该系统模型有一个计算最大归一化PA输入幅值的模块。如果它等于1,则表示进入射频系统的基带信号的最大振幅等于PA表征过程中观察到的最大PA输入振幅。因此,如果归一化PA输入幅值的最大值小于1,则可以增加上述启发式方法设置的缩放因子。如果最大归一化PA输入幅值大于1,则应减小缩放因子。
通过改变DPD系数估计块中定义的度和内存深度,可以在性能和实现成本之间找到最合适的折衷。
Simulink RF块集模型:System-level model PA + DPD with a 5G-like OFDM waveform
该Simulink模型的结构与之前的Simulink模型相同。被放大的信号现在是类似于5G的OFDM波形,而不是双音信号。频谱分析仪测量的是ACPR而不是TOI,并增加了一个子系统来测量放大后的OFDM波形的EVM和MER。

图5 System-level model PA + DPD with a 5G-like OFDM waveform模型
在没有DPD线性化的情况下,系统的平均MER为24.4 dB,从星座图测量结果可以看出。

图6 星座图

图7 频谱图
手动开关处于开启状态,使能DPD算法。当被切换时,平均的MER显著提高。星座图也更聚集在模板上,有利于接收端解调。

图8 开启DPD后的星座图
这里,MER是一个测量值,叫做调制误差率。MER是理想符号矢量幅度的平方和除以符号误差矢量幅度的平方和,用dB表示。MER反映数字信号质量,MER往往作为接收机对传送信号能够正确解码的早期指示。事实上,MER是用来比较接收符号(用来代表调制过程中的一个数字值)的实际位置与其理想位置的差值。当信号逐渐变差时,被接收符号的实际位置离其理想位置愈来愈远,这时测得的MER数值也会渐渐减小。一直到最后,该符号不能被正确解码,误码率上升,这时就处于门限状态即崩溃点。
可以想象,随着5G使用256QAM调制,如果星座图不够好,信噪比不够高,在高阶调制下,很难成功解码,高吞吐率就上不去,进而失去5G的高数据速率优势。因此,DPD在5G中得到应用,也是必然。
在利用FPGA实现DPD时,可基于LUT进行设计。那么,怎样才能实现呢?系数估计器又该怎么去设计呢?这就需要各位研发工程师付出努力了。
审核编辑:刘清