时间:2022-10-12 09:22
人气:
作者:admin
2019年的9月,Wi-Fi联盟宣布正式启动Wi-Fi 6认证计划授权,此举意味着我们正式步入了Wi-Fi 6时代。根据ABI Research的预测,全球Wi-Fi 6芯片组的出货量将从2020年的约4亿增长到2025年的约33亿。可见,在接下来的几年中,Wi-Fi 6技术将处于快速市场上升期,并将加速渗透到我们的生活中。
Wi-Fi作为最成功的无线标准之一,经过20余年的发展,已经打下了自己的一片“江山”。一路走来,不断提速无疑是Wi-Fi标准开疆扩土的一大法宝。
数据显示,Wi-Fi 6(IEEE 802.11ax标准)在160MHz信道宽度下,单流最高速率为1,201Mbps,理论上最大数据吞吐量可达9.6Gbps。这一数值是上一代Wi-Fi 5标准的1.4倍,与初代Wi-Fi标准2Mbps的传输速率相比更是提升了数千倍!正是由于在数据传输速率上的优势,Wi-Fi已经成为无线局域网高速互连的不二之选。
预计到2025年,全球Wi-Fi设备的年出货量将增长到45亿台,全球Wi-Fi装机总量也将达到155亿台以上。届时,Wi-Fi 6将是市场中绝对的主角。

图1:Wi-Fi标准演进
(图源:Qorvo)
采用前沿技术,全面提升性能
不过,如果我们仔细审视Wi-Fi 6,会发现Wi-Fi标准的这次迭代升级,并非一次简单的以提高峰值吞吐能力为目的的提速之旅,而是一次性能上的全面突破,在稳定性、可靠性、吞吐量、容量、效率和低延迟等方面实现了全方位的提升。为了实现这个目标,Wi-Fi用上了各种前沿无线技术。具体来讲,Wi-Fi 6基于这些前沿技术而获得的关键特性优势包括:
支持上行MIMO:尽管Wi-Fi 5就已经采用了MU-MIMO(多用户MIMO)技术,但是仅在下行模式中才支持,而Wi-Fi 6则实现了对上行MU-MIMO的支持,能够处理上下行的8个数据流,使得多个用户可同时上传和下载数据,用户体验大为提升。
更宽的调制:在调制技术上,Wi-Fi 6采用了1024 QAM编码10-bit调制方案,与Wi-Fi 5中的8-bit 256 QAM调制相比,将每个符号的传输容量提高了25%,显著提升了每个有效负载中传输的数据量,可实现更高的吞吐量。
更高容量和效率:Wi-Fi 6上行和下行链路中采用了正交频分多址(OFDMA)技术,而不是Wi-Fi 5中的正交频分复用(OFDM),这样就能够用FDD取代TDD,还能实现特定信道内的资源单元分配,允许多达30个用户同时共享一个信道来减少延迟、提高容量和效率。同时,Wi-Fi 6子载波间隔减小至78.125kHz,仅为Wi-Fi 5间隔的25%,且符号比Wi-Fi 5长4倍,这些特性综合在一起使得Wi-Fi 6能够同时上传或下载多个数据包,工作更加高效。
更低的功耗:由于具有更高的数据传输速率,Wi-Fi与其他无线技术相比功耗也较高,这也限制了Wi-Fi的应用范围。为了解决这个问题,Wi-Fi 6新增了目标唤醒时间(Target Wake Time,TWT)功能,可根据实际需要决定唤醒时间,通过更灵活的电源管理调度令功耗最小化。
更大的覆盖范围:利用波束成形技术,Wi-Fi 6还可使接入点(AP)将信号定向传输到客户端,而不是向所有方向漫射。此举有利于扩大通信覆盖范围和提高吞吐量,与MU-MIMO配合后还可以对网络上多样化的设备连接进行优化。
扩展的频谱,扩展的应用空间
有了上面这些优势特性的加持,可以预见,Wi-Fi 6的应用空间也会大为扩展,催生出更多的新应用场景。不过,Wi-Fi 6的商用之旅想要一路畅通,还有一个很关键的“坎儿”需要迈过去。
随着人们对Wi-Fi无线互连需求的不断增长,网络拥塞似乎不可避免,这也会导致Wi-Fi通信的性能受限和QoS的降低。随着Wi-Fi应用版图的扩张、用户数据量的增加,这一挑战将日益严峻。
有效应对这一挑战,扩大频谱是根本性的解决方案。根据Wi-Fi联盟的报告,到2025年,想要满足峰值Wi-Fi使用需求,至少需要500MHz至1GHz的额外频谱,而这个数据的上限值可能高达1.3GHz到1.8GHz。
2020年4月,美国联邦通信委员会(FCC)批准将6GHz频段中的1.2GHz非授权频谱用于Wi-Fi,这在Wi-Fi标准发展史上可以说是一个里程碑,从此Wi-Fi终于可以跳出2.4GHz和5GHz频谱范围的限制,拥有一片“新天地”。
6GHz频段的Wi-Fi 6被称为Wi-Fi 6E,这意味着人们可以将那些更高速、高性能的任务迁移到这一扩展频谱中,不因其他“较慢”设备的影响而阻塞网络。这就让这一频段更为“干净”,也更适合那些大容量应用的密集部署。
同时,Wi-Fi 6E还可以将延迟拉低到2ms,这样就可以更好地支持VR/AR耳机、4K/8K流媒体、低延迟游戏、高速无线NAS等应用,甚至有望向工业等时间敏感型应用渗透,以取代成本更高且灵活性差的有线以太网解决方案。

图2:Wi-Fi 6/6E和Wi-Fi 7的频段
(图源:Qorvo)
可以说,采用新技术带来的全面性能提升,以及频谱扩展带来的应用空间的扩展,使得Wi-Fi这个“老标准”焕然一新,充满了活力,这给人一种感觉——你想象力所及之处,Wi-Fi 6的触角似乎都可以触达。
创新FEM解决方案助力Wi-Fi落地
当然,想让Wi-Fi 6/6E这一新标准顺利落地,想让现实与理想同样“丰满”,还需要大量的铺垫工作,特别是在技术上,与原先Wi-Fi配套的各类解决方案,都需要同步来一次升级。
比如说在Wi-Fi RF系统设计中很关键的前端模块(FEM),要想跟上Wi-Fi 6快速商用的步伐,就需要在以下方面进行优化:
小型化:FEM需要通过提高自身集成度,在紧凑的单一封装内实现更多功能,进而简化系统架构。
低成本:由于Wi-Fi 6/6E支持更多的频段,传统的窄带方案需要采用多个FEM,并通过开关元件进行切换,这势必会增加成本。因此找到一种能够简化设计、降低成本的解决方案,便成为刚需。
低功耗:在确保吞吐量和性能的同时,要降低系统整体的能耗,也要求进一步从FEM身上挖潜。
Qorvo推出的宽带低功耗QPF4730 Wi-Fi6E低功耗前端模块,就是按照这样的标准打造的全新解决方案。

图3:QPF4730 Wi-Fi6E低功耗前端模块
(图源:Qorvo)
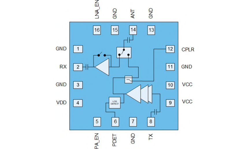
QPF4730在单一封装(3.0mm x 3.0mm)中,集成了5GHz至7GHz功率放大器(PA)、单刀双掷开关(SP2T),以及可旁路低噪声放大器(LNA),自身外形紧凑。高集成度又带来了系统设计的简化,因此能够尽可能减少PCB的占板面积。

图4:QPF4730的功能框图
(图源:Qorvo)
同时,与上文提到的传统窄带FEM方案不同,QPF4730的宽带特性使其可以在UNII5-8(5.1GHz至7.1GHz)的所有通道上运行,且无需任何逻辑切换,可以显著减少设计向Wi-Fi 6E升级时所需的PCB空间,也有助于提高Wi-Fi 6E整体系统的性能、容量和灵活性。
在低功耗性能方面,QPF4730采用了3.3V电源电压的功率放大器,可以节省功耗,同时保持高线性输出功率和吞吐量。
QPF4730 FEM还包括用于二次和三次谐波的芯级滤波装置,以及用于DBDC操作的2.4GHz抑制。它还提供宽带对数电压检测器,用于应用反馈。可以说,为了满足Wi-Fi 6/6E的全面升级,QPF4730也进行了全面的优化。

QPF4730 Wi-Fi6E低功耗前端模块主要特性
频率范围:5.150GHz至7.125GHz
POUT= +12.5dBm MCS11 HE160 -43dB动态EVM
POUT= +15dBm MCS11 HE80 -43dB动态EVM
POUT= +17dBm MCS9 VHT80/160 -43dB动态EVM
POUT= +21.5dBm MCS0 VHT20频谱模板适应性
优化用于+3.3V工作电压
Tx增益:30dB
1.9dB噪声系数
Rx增益:14.5dB
旁路损耗:8.5dB
Rx路径上具有254B 2.4GHz抑制
集成直流对数功率检测器
3.0mm x 3.0mm 16焊盘层压型封装
无卤、无铅、符合RoHS指令
本文小结
毋庸置疑,在未来万物互联的世界中,Wi-Fi作为一个主流的无线通信技术将占据着主流的地位。想要在这个领域布局和深耕,当下把握住Wi-Fi 6/6E技术升级和应用扩展的风口至关重要。在这个过程中,RF解决方案更是重中之重。
Qorvo推出的QPF4730 Wi-Fi6E低功耗前端模块提高了Wi-Fi 6/6E架构的效率,能够有力地支持QoS、传输距离和吞吐量的提升,尽可能提高Wi-Fi 6/6E应用的用户容量,并充分利用了全部可用频谱。同时,它还在设计小型化、成本控制方面为客户提供更多的价值。可以确定,在我们向Wi-Fi 6/6E迈进的过程中,QPF4730将是一个不可多得的好伙伴。
审核编辑:彭静