全球最实用的IT互联网信息网站!

AI人工智能P2P分享&下载搜索网页发布信息网站地图

当前位置:诺佳网 > 电子/半导体 > 通信网络 >

新品发布:创芯微推出AFE模拟前端芯片新品CM20

时间:2022-09-19 15:08

人气:

作者:admin

标签: 创芯微 

导读:新品发布:创芯微推出AFE模拟前端芯片新品CM20X6系列产品-【新品推出背景】 绿色新能源发展模式已经对产业结构及消费方式有着深远的影响,锂电池作为当下最成熟的绿色能源之一,正...
【新品推出背景】

绿色新能源发展模式已经对产业结构及消费方式有着深远的影响,锂电池作为当下最成熟的绿色能源之一,正在走向全球替代。解决锂电池安全技术攻坚的关键在于BMS(电池管理系统),而在BMS系统可靠性的核心套片IC中,负责高精度电压等信息采集的AFE模拟前端芯片)相较于一般消费类电子芯片产品的本质区别在于:门槛较高、技术壁垒较难突破,国内较少厂商涉猎,一直是芯片国产化的缺口。AFE的附加值也在不断增强的国产竞争优势中愈加明显。

文本中度可信度描述已自动生成

【创芯微AFE模拟前端产品亮点介绍】

据了解,近期创芯微在BMS系统系列芯片取得多项核心技术的突破性进展,自主研发设计的AFE模拟前端芯片新品CM20X6系列已经面向市场。具体产品特性如下:

图形用户界面, 文本, 应用程序, 电子邮件描述已自动生成

创芯微作为业内为数不多同时覆盖电池&电源管理解决方案的原厂,5年来始终紧随市场需求,专注于电池管理和电源管理芯片开发。近期创芯微针对市场缺口推出的模拟前端芯片CM20X6系列,用于3~8节锂电池检测从功能来看,该芯片可以协同外部MCU对锂电池组进行过充电保护、过放电保护、过电流保护,短路保护等一系列动作,该芯片可支持8节串联锂电池组的各类应用。

表格描述已自动生成

与行业内其他竞品相较,创芯微最新推出的AFE模拟前端芯片性能优异。

此外CM20X6系列可以将每一节电池的电压状态和电池组的电流状态传输给外部协同的MCU,MCU读取电池组电压状态和电流状态后判断电池组是否进入过充电、过放电、过电流、短路等各需要保护的异常状态,并控制CM20X6通过CO、DO等控制引脚去开关充放电MOS,从而实现各项保护动作。CM20X6系列内部还集成了线性稳压LDO,其可提供3.3V/5V稳压输出,可以为外部MCU提供稳定电源。MCU通过内部ADC可以测量CM20X6系列输出的电压电流信息,并通过设定的程序来判断电池组是否需要过压、过流等保护动作。

【CM20X6产品系列功能特点】

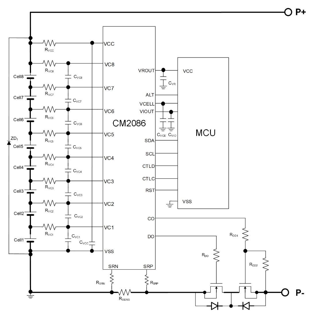
CM20X6产品系列典型应用图:

图形用户界面, 表格描述已自动生成

CM20X6产品系列脚位图及应用领域:

图形用户界面, 表格描述已自动生成

创芯微新推出的CM20X6系列与次级保护CM1270、CM1273系列芯片组合搭配,可以做成锂电池应用的双保护方案,以此通过LPS及UL等各种认证在未来此套方案可覆盖电动工具、吸尘器、扫地机、储能电源、后备电源等应用领域以及其他使用锂电池组供电的设备,满足更多用户的需求,并向大型电动工具、大型家电等应用领域延展。

AFE模拟前端芯片的推出不只是创芯微产品线完善补全的重要部署,更是创芯微践行芯片国产化发展格局下的重要里程碑。未来五年创芯微在工业、汽车领域也将继续拓宽更丰富的产品系列,实现更加广泛的国产化替代,让我们共同期待~

温馨提示:以上内容整理于网络,仅供参考,如果对您有帮助,留下您的阅读感言吧!
相关阅读
本类排行
相关标签
本类推荐

CPU | 内存 | 硬盘 | 显卡 | 显示器 | 主板 | 电源 | 键鼠 | 网站地图

Copyright © 2025-2035 诺佳网 版权所有 备案号:赣ICP备2025066733号
本站资料均来源互联网收集整理,作品版权归作者所有,如果侵犯了您的版权,请跟我们联系。

关注微信