时间:2020-09-27 16:12
人气:
作者:admin
接收
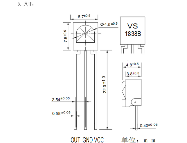
以VS1838B红外接收管为例,正面对着你,引脚从左到右依次为OUT,GND,VCC

,电路图为

工作电压2.7~5.5V,红外接收头只接受38K信号(误差范围内),我们把接收头看出一个转换器。遇到38K就输出低电平,没有遇到38K就被上拉成高电平。
红外发射部分
电路图

调制的信号如图

注意:原始信号为高,二极管不输出。
协议
以NEC为例,首先是逻辑1和逻辑0 的确定,然后是协议格式。

上图所示为NEC协议的典型脉冲链。协议规定低位首先发送,如上图所示的情况,发送的地
址码为”59”,命令码为”16”。每次发送的信息首先是用于调整红外接收器增益的9msAGC(自动增益控制)高电平脉冲,接着是4.5ms的低电平,接下来便是地址码和命令码。地址码和命令码发送两次,第二次发送的是反码(如:11110000的反码为00001111),用于验证接收的信息的准确性。因为每位都发送一次它的反码,所以总体的发送时间是恒定的(即每次发送时,无论是1或0,发送的时间都是它及它反码发送时间总和)。这种以发送反码验证可靠性的手段,如果你不在意,则你可以忽略它,或者是扩展你的地址码和命令码为16位,这样就可以扩展整个系统的命令容量。
尽管你一直按住那个按键,一串信息只能发送一次。如果一直按着按键,发送的则是以110ms为周期的重复码,重复码是由9ms的AGC高电平和4.5ms的低电平及一个560us的高电平组成。