时间:2020-03-20 15:35
人气:
作者:admin
作者:ADI公司 Jesse Santos、Angelo Nikko Catapang、Erbe D. Reyta
摘要
地震对密集的商业和住宅区以及所有类型的建筑物构成了重大威胁。随着这些区域越来越大,建筑物越来越多,地震监测需要实现一个广泛的传感器网络。由于成本高且复杂,传统仪器不能胜任。使用微机电系统(MEMS)加速度计和坚固耐用的小型地震检波器,可以开发低成本物联网(IoT)解决方案。有源元器件和转换器的最新技术使这些传感器能够达到现代仪器标准。ADI公司为地震传感器网络应用提供简单但可靠的仪器设计解决方案。
简介
随着世界相互联系和相互依存的程度越来越高,中型和大型地震可能会造成重大的经济破坏和损失。发生在任何脆弱城市中心地区的大地震,都会对中心地区的国民经济及其企业提供服务和全球参与的能力产生连锁反应1。应认识到地震风险是一个全球性问题,提高地震监测能力以减轻这种风险是至关重要的责任。
改进地震监测的一个关键因素是地震传感器网络的实现,这需要广泛部署地震仪器并将其互连2。然而,安装大量传统地震仪器的成本和复杂性均很高3 。集成物联网技术可提供低成本解决方案,同时维持标准地震数据质量4。本文讨论地震和地动传感器的物理原理、遵循的现代仪器标准以及它们提取的特征。此外,针对不同地震传感器网络应用,我们开发了一个采用ADI解决方案的系统设计。
地震
地震是由构造板块的运动和碰撞引发的事件。碰撞产生的能量以地震波的形式在地球内部表面周围传播。这些波有多个方向,分为体波和面波。
体波有两种类型:纵波(P波)和横波(S波)。P波以一系列压缩波和稀疏波的形式沿传播方向行进。由于其传播的性质,P波呈球面发散。虽然其波能衰减在所有类型的波中是最大的,但其速度最快,介于 5 km/s 至 8 km/s 之间。快速能量衰减也使其成为破坏性最小的一类波。P波不仅可以通过表面传播,还可以通过水或流体传播。
S波也称为剪切波,紧随P波之后到达。其沿地球表面传播的速度约为P波的60%至70%。此类波垂直于传播方向和地球表面行进。S波的能量衰减较少,比P波更具破坏性。P波和S波统称为体波。


图1.地震波的类型:(a) 纵波;(b) 横波;(c) 勒夫波;(d) 瑞利波5
面波比体波慢10%,但破坏力最大。值得注意的是,地震波的传播速度与其经过的土壤类型有很大关系6。面波由瑞利波和勒夫波组成。瑞利波是一种以纹波形式在地表附近传播的面波,它会引起顺行(沿传播方向)或逆行(与传播方向相反)旋转。由于其运动性质,它也被称为地滚波。勒夫波的行进方向与传播方向正交,但与地球表面平行。图1显示了不同类型的波及其对地球本体的影响。
震级、强度和频谱强度
地震震级和地震强度常常被相互混淆。二者有一定的相关性,但却是两个不同地震参数的量度。
地震强度
地震强度(简称强度)在很大程度上取决于测量位置的特性。它描述地震对特定区域的影响,在世界范围内普遍使用,是一种量化振动方式和破坏程度的传统方法。因此,地震强度没有一个真实的值。地震强度值遵循修正的Mercalli强度量表(1至12)或Rossi-Forel量表(1至10)。不过,修正的Mercalli强度(MMI)现已成为世界的主导标准。表1列出了美国地质调查局(USGS)提供的修正Mercalli量表中的强度值及其相应的影响描述。
表1.简易版修正Mercalli强度量表

确定地震强度的方法有很多7。这些方法使用从以往地震中收集的数据,创建自己的地震动预测方程(GMPE)来预测强度值。推导出的方程式至少使用一个地震动参数或地震动参数的组合,即峰值地震动位移(PGD)、峰值地震动速度(PGV)和峰值地震动加速度(PGA)。早期方程主要基于PGA,有几种使用了PGV和PGD。虽然GMPE使用多个数据库中的数据来建立相关性,但不同模型得出的值仍然差异很大。例如,使用Wald的GMPE,10 cm/s2的PGA值得出的MMI值为3.2。而根据Hershberger的GMPE,10 cm/s2的PGA值对应的MMI值为4.43。请注意,大多数GMPE遵循幂律,MMI值每增加一级,PGA值需要指数式增加。式1给出了Wald和Hershberger创建的相关性方程。
式1显示了地震动预测方程:(a) Wald;(b).Hershberger。8
MMI = 2.2log(PGAmax) + 1 (1)
MMI = 2.33log(PGA) + 1.5
日本气象厅(JMA)设计了一种地震强度量表,它可以根据强运动三轴加速度数据来计算9。每个轴的加速度时间信号都信息傅立叶变换。图2所示的带通滤波器(由周期效应滤波器、高截止和低截止滤波器组成)应用于每个轴的频率信号。图中还给出了每个子过滤器的数学表示。

图2.计算JMA强度所用加速度计输出信号的带通滤波器:(a) 周期效应滤波器方程;(b) 高截止滤波器方程;(c) 低截止滤波器方程。9
对每个轴的滤波后频率信号进行傅立叶逆变换之后,计算所有三个轴的相应时域信号矢量和的大小。累计持续0.3秒或更长时间的最高加速度值被指定为a0。然后使用式2从a0 计算仪器地震强度,即利用持续时间至少为0.3秒的最高加速度求解JMA地震强度方程9。

其中:

地震频谱强度
地震强度衡量特定位置感受到的地震的影响,而频谱强度(SI)则衡量地震对特定结构施加的破坏性能量的大小10。SI值利用式3所示方程根据速度响应谱来计算。高刚性结构的速度法向周期为1.5 s至2.5 s。SI值针对的是震动速度谱,因此能够轻松区分地震活动与地震或其他来源。所以,SI值可以用作地震对建筑物结构健康影响的标准。此外,与JMA地震强度相比,SI值涉及的计算较为简单,这使其更适合低功率应用。
式3给出了频谱强度方程,即震动速度响应谱对建筑物法向速度周期的积分11。

其中:
SI = 频谱强度 (3)
Sv(T,h) = 频率范围h和周期T的震动速度谱
地震震级
地震震级(简称震级)表示地震在震源处释放的能量。其值不取决于测量位置。实际上,它只有一个真实值,即按照里氏量表指定的数字。有记录的最强地震是1960年代袭击智利瓦尔迪维亚的地震,震级为9.4至9.6。
地震震级与强度之间的相关性尚未完全界定清楚。明确界定二者之间的关系取决于许多因素,包括震源的深度、震源周围的地质组成、震中与测量设备之间的地形类型、设备位置或其距震中的距离等。例如,2017年5月发生在俄勒冈州海岸附近的地震被确定为4级。根据2017年7月的USGS震动图12,蒙大拿州感到的地震强度为5至6级,爱达荷州也感到了相同的地震,但强度只有2至3级。这表明,即使爱达荷州比蒙大拿州更靠近震中,但这并不一定意味着前者感到的地震影响会更强烈。
地震检测
地震检测是指测量和分析地震波的过程。地震波不仅指地震产生的运动,施加在地面上的任何力,即便是人在地面上走路那么小的力,都可能引起足以产生地震波的扰动。地震监测应用感兴趣的地动范围非常大。地震产生的地动可能像纸一样薄,也可能像房屋一样高。
地动可以通过位移、速度和加速度来表征。地动位移通过地球表面行进的距离来衡量。位置变化可以是水平的,也可以是垂直的。地动速度指地表面移动的速度,而地动加速度指地动速度相对于时间的变化速度。地动加速度是确定地震过程中引起结构应力的最重要因素。GeoSIG的一份演示材料中显示了震级、地震动和强度之间的关系13。
用于地震检测的设备属于专用设备。涉及地震检测的应用可以根据其频率范围进行分类。因此,仪器的频率响应曲线必须适合其使用场景。GeoSIG的一张图表显示了不同地震检测应用及其涵盖的频率13。
现代地震仪和地震动传感器概述
地震检测设备通常称为地震仪,已经从使用传统的笔和摆锤发展到使用电子和机电传感器。这些传感器的设计进步产生了具有不同工作频率范围、检测机制和测量不同地震动参数的仪器。
应变地震仪
历史上的地震仪器只能记录地动位移。技术的进步使得通过不同机制来测量地动位移成为可能。应变地震仪或应变仪一般是指记录和测量两个地面点之间位移的仪器14。传统模型使用埋入或安装在钻孔中的实心杆。杆通常注入石英和其他对长度和应变变化高度敏感的材料。长度的变化归因于地动引起的小位移。
另一种实现方式称为体积应变仪,它使用带有充液管的安装在钻孔中的圆柱体15。容器体积的变形会引起液位变化,再通过电压位移传感器转换为地动位移。由于不需要传统模型所需的特殊材料,体积应变仪在该领域得到了更广泛的应用。
激光技术的最新发展使得人们制作出了激光干涉仪,它大大提高了应变仪的精度。此类应变仪使用与不等臂长迈克尔逊干涉仪相同的原理,一点是传感器、激光源和短臂,另一点是反射器,该反射器位于一定距离之外。设备将反射器运动引起的干涉条纹变化转换为地动位移。这种位移测量方法的灵敏度和精度与测量距离的长度成正比。因此,激光应变仪需要非常深的地下设施。
应变仪的精度可以达到十亿分之一。这些设备通常用于测量断层运动和火山活动引起的地球变形或地壳运动。它们可以测量频率非常低的地震波信号。但是,与悬吊质量块相对于地面的运动相比,应变仪的差分地面运动非常小。因此,不建议使用应变仪来检测地震引起的地面运动3。
惯性地震仪
惯性地震仪确定相对于惯性参考的地动参数,惯性参考通常是一个悬吊质量块3。具体来说,地震动参数指的是悬吊质量块的线速度和位移。虽然合成的地震动包括线性和角度分量,但地震波的旋转效应可以忽略不计。这些速度和位移值是从传感器获得的,传感器将悬吊质量块的运动转换为电信号。控制运动的机械悬架与作用在悬吊质量块上的惯性力相关。速度和位移传感器与机械悬架是惯性地震仪的两个主要组成部分。为这两个部分开发精密仪器是现代惯性地震仪的主要设计工作。
力平衡加速度计
机械悬架需要一个较小的恢复力以提高灵敏度,这样较小的加速度也能在悬吊质量块上产生较大位移。但是,当强地震运动产生的大加速度作用于悬吊质量块时,较小恢复力将无法平衡所产生的运动。因此,被动机械悬架的精度和灵敏度只适用于有限范围的地震动加速度。力平衡加速度计(FBA)通过向机械悬架增加负反馈环路来消除此限制。
电磁传感器根据悬吊质量块的位置产生补偿力。该位置由位移传感器转换为电信号,信号随后通过一个积分器模块,产生与地震动加速度成比例的输出电压。FBA的动态范围明显大于采用被动机械悬架的地震仪。因此,该设备通常用于强地震应用。但是,反馈环路引起的延迟会限制设备的带宽。
速度宽带(VBB)地震仪
车辆运动和人为扰动(例如采矿)引起的地震波具有高频地震动加速度。在非常低的频率下,地动加速度以不平衡的悬架、地面倾斜和热效应为主。因此,使用地震动加速度的地震仪的带宽以具体带通响应为限。地震动加速度的带通响应等效于地震动速度的高通响应。因此,为了获得更宽的地震仪带宽,地震信号是以地震动速度记录的。VBB地震仪基于FBA,但不是将悬吊质量块的加速度作为反馈,而是使用其速度和位置。该设备的响应与传统惯性地震仪的理论响应非常相似,但是对于更广泛的作用力,其灵敏度和精度不会降低。
地震检波器和微机电系统(MEMS)加速度计
日益增多的地震应用的趋势是发展地震仪或地震传感器网络和阵列,例如用于地震监测、石油勘探和结构健康监测方面。地震仪的实施、屏蔽和安装是这些应用的三个常见约束条件。设备的规模生产和快速部署能够直接克服这三个常见限制,为此要求地震仪的尺寸和成本相应地缩减。当前有两类传感器技术能够检测地震动;与FBA和VBB相比,它们的尺寸非常小,而且成本低。
地震检波器
地震检波器是一种地震动速度传感器,其重量轻,坚固耐用,不需要任何电源即可工作。现代地震检波器的外壳上固定有一块磁铁,并被一个线圈包围16。线圈被弹簧悬挂起来,可以在磁体上移动。此运动相对于磁铁的速度会感生一个输出电压信号。
图3所示为4.5 Hz地震检波器的仿真频率响应。对于高于其谐振频率的频率范围,地震检波器的频率响应在速度上是平坦的,而对于此频率以下的频率则是下降的。小型且低成本的地震检波器的谐振频率通常高于4.5 Hz。

图3.仿真4.5 Hz地震检波器频率响应,阻尼系数为0.56
根据地震检波器的机械规格可以创建等效电气模型。图4显示了使用SM-6 4.5 Hz地震检波器的机械参数的电气模型。17

图4.使用产品数据表中的机械参数得出的SM-6 4.5 Hz地震检波器的等效电气模型17
为了扩展带宽以覆盖适用于地震检测的较低频率,可以使用周期扩展器。低频响应扩展的三种最常见方法是逆滤波器、正反馈和负反馈。18
逆滤波器
在低于谐振频率的频率上,逆滤波器会补偿地震检波器的滚降。通过级联谐振频率的反相高通滤波器和截止频率为所需降低值的低通滤波器,可以构建逆滤波器。图5显示了逆滤波器的响应以及应用时得到的转换函数。此方法有很多缺点,使得总体结果的信噪比(SNR)较低。粉红噪声会被逆滤波器放大,而且其低频热稳定性很差。
图5.逆滤波器转换函数的频率响应及其对仿真4.5 Hz地震检波器频率响应的影响
正反馈
正反馈是将外部电流馈入地震检波器线圈来实现的,电流会产生一个力作用在悬吊质量块上。此外部电流信号是通过正反馈滤波器(例如积分滤波器)从地震检波器的输出信号中导出的,它会放大低频悬吊质量块的运动。在实际情况中,正反馈滤波器的设计很难保持稳定。
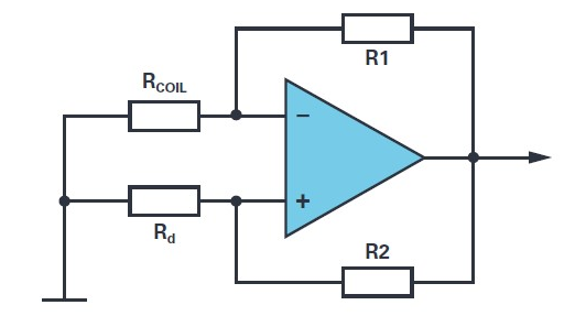
负反馈
与正反馈相反,负反馈会减弱内部悬吊质量块的运动。一种方法是通过降低阻尼电阻来使流过地震检波器线圈的电流过阻尼。但是,这会受到线圈电阻的物理限制。为将阻尼电阻减小到显著低于线圈电阻的值,应添加一个负电阻。负电阻可以通过负阻抗转换器(NIC)等有源器件来实现。这可以通过使用运算放大器(运放)来实现,如图6所示。可以添加带通滤波器和高增益滤波器来对频率响应进行整形并使之稳定。

图6.使用运算放大器的负阻抗转换器的基本架构
MEMS加速度计
MEMS加速度计是采用单个IC器件封装的运动传感器。典型结构是使用一对电容和一个微小的硅质量块,中间有金属板19。非常薄的硅区域将质量块悬吊在中间。质量块位置的变化会导致器件电容发生变化,进而转换为与悬吊质量块的加速度成比例的电压信号。MEMS器件需要电源才能工作,某些MEMS加速度计内置数字化仪,可消除不必要的噪声,而且无需匹配传感器和记录器。如图6所示,MEMS加速度计的频率响应就像一个截止频率为谐振频率的低通滤波器。

图7.MEMS加速度计(ADXL354)在X轴上的频率响应20
由于失调漂移,MEMS加速度计在谐振频率以下的较高频率时表现更好21。相反,地震检波器由于其机械结构,在较低频率(但仍高于谐振频率)时表现更好。可以实现一个小型低成本的地震仪,以同时利用地震检波器和MEMS加速度计来获得更高的器件带宽。当与适当的传感器转换函数进行卷积运算时,地震检波器和MEMS加速度计的传感器输出可以转换为不同的地动参数。论文“地震检测:使用实验室和现场数据比较地震检波器与加速度计”,基于每种传感器的常见转换函数,讨论了针对相同地震动位移Ricker子波的地震检波器和MEMS加速度计传感器输出21。
地震传感器仪器指南
为了提供可重复性和一致性,并支持采用地震仪阵列或地震传感器网络进行地震信号分析,需要对所用的仪器制定一套标准和规范。USGS已为其要部署在国家先进地震系统(ANSS)中的仪器设定了标准22。本部分根据USGS提到的经验和技术趋势,讨论广泛应用实现期望器件性能所需的不同规格。
数据采集系统(DAS)标准
USGS将现代地震仪归类为数据采集系统。与传统地震仪相比,标准DAS包括地震传感器、数据采集单元以及外设和通信硬件。根据设备性能可将其分为A、B、C、D四类仪器。A类仪器接近最先进的地震仪,而D类仪器可与传统地震仪相媲美。有关规格的详细讨论,请参见《仪器指南》22。
仪器带宽
对于测量速度和加速度的地震传感器,其额定带宽和频率响应是不同的。仪器等级越高,其带宽越宽,频率响应越好。宽带传感器全都是A类仪器,带宽至少为0.01 Hz至50 Hz。在0.033 Hz至50 Hz的频率范围内,其对速度的频率响应是平坦的。22
短周期A类传感器具有0.2 Hz至50 Hz的低带宽。只有在1 Hz至35 Hz的频率范围内,其对速度的频率响应才是平坦的22。
A类加速度计在0.02 Hz至50 Hz范围内具有平坦的频率响应,而B类加速度计仅在0.1 Hz至35 Hz范围内具有平坦的频率响应。22
强震动、弱震动和宽带传感器
DAS使用的传感器按其捕获的地震信号的幅度和频率范围进行分类。强震动传感器可测量大幅度地震信号,通常是加速度计。强震动加速度计可测量高达3.5 g的加速度,而且系统噪声水平低于1μg/√Hz22。
弱震动传感器可测量幅度非常低的地震信号,噪声水平低于1 ng/√Hz22。然而,宽带传感器已经能够测量低幅度的地震信号,因此很少使用弱震动传感器。
传感器动态范围和削波电平
宽带速度传感器的灵敏度为1500 Vs/m。当最大输出电压为±20 V时,输出削波电平或最大可测速度为±0.013 m/s。22
在较小频率范围内,短周期速度传感器比宽带传感器更灵敏。对于1 Hz信号频率,削波电平通常为±0.01 m/s。22
A类加速度计的削波电平大于±3.5 g,而B类加速度计的削波电平为±2.5 g 22。
传感器动态范围是指最大可测量地震信号的均方根值与均方根自噪声之比。但是,传感器的均方根自噪声会随其带宽而变化。表2列出了不同地震传感器在不同频率范围下的动态范围。

传感器通道和方向
地震波产生的线性地震动分量于所有三个笛卡尔轴中均存在。三轴地震传感器的传统标准方向是朝东、朝北和朝上。但是,对于水平和垂直传感器,传统(甚至某些现代)地震仪的结构是不同的,因为垂直传感器必须考虑重力作用。同质三轴排列支持使用结构类似的传感器来确定笛卡尔坐标轴上的线性地震动分量3。传感器位于一个以仪器为中心的圆的三个均等间隔点上,并向其倾斜54.7度(相对于垂直方向)。使用式4所示的方程可将修改的坐标轴转换回笛卡尔坐标轴。
式4展示了将同质三轴排列转换为笛卡尔坐标系的转换矩阵。

然而,大部分现代传感器已被封装和设计成支持三轴测量。这些传感器有非常小的固有跨轴耦合效应。仪器指南要求跨轴耦合必须小于输出信号的–70dB22。
分辨率和采样速率
在非常低的频率下,地震引起的地震动幅度可能非常小。用于地震仪器的数据记录仪能够以高分辨率记录各种采样速率的信号。宽带地震仪至少需要20位数据分辨率,采样速率为最低0.1 SPS(样本/秒)至最高200 SPS。短周期速度传感器和A类加速度计至少需要22位数据分辨率,采样速率为1 SPS至200 SPS。B类加速度计对数据分辨率的要求较低,至少16位即可。22
采样速率规格考虑了仪器及其内部数据存储。但是,高级地震仪配备了更多的存储空间,并且可以访问大型网络数据空间(例如云数据服务),因此可以支持超过额定规格的采样速率,这样便可开展更准确的数据分析和地震研究。
时间和位置信息
地震信号仅与特定的测量位置和时间有关。每台地震仪器的数据都有时间戳和已知全球位置,这是标准。每台地震仪器的每次记录都必须能够附加上其位置,要么通过手动用户输入,要么通过全球定位系统(GPS)设备或服务。现代地震仪还有内置实时时钟,或者可以通过在线网络时间协议(NTP)服务器等与精确参考时间同步。
输出数据格式
全球地震仪器主要使用两种数据格式:SEG-Y和SEED。SEG-Y格式是由勘探地球物理学家协会(SEG)开发的一种开放标准,用于处理三维地震信号之类的地球物理数据23。每个记录都包括时间戳、采样间隔和实际测量的坐标位置。格式规范和修订的详细信息可以在该组织的网站上查看。还应注意的是,有多种使用SEG-Y格式的地震分析开源软件,但大多数软件并未严格遵循规范。
地震数据交换标准(SEED)格式旨在简化机构之间和仪器之间交换未处理的地震数据并确保准确性24。虽然它主要用于地震记录存档,但有不同版本的SEED(例如miniSEED和无数据SEED)用于数据分析和处理。miniSEED仅包含波形数据,而无数据SEED包含有关地震仪器和测站的信息。
ADI公司系统设计
为了快速部署和实现地震网络,特别是针对城市和结构监测站,必须改变传统地震仪的设计。远程仪器必须符合当前仪器指南,以使现代地震信号测量符合既有数据标准并与之相关联。但是,方案的成本和规模应大大缩小。将小型地震检波器和MEMS加速度计用作地震动传感器,再加上高性能ADC和数字信号处理器(DSP),是一种合理的解决方案。5
模数转换器(ADC)考虑
DAS的数据采集单元(DAU)的主要设计考虑因素是模数转换器(ADC)。传统上,这是由数字现场系统(DFS)来执行的,该系统用作线性逐次逼近寄存器(SAR)型ADC和瞬时浮点(IFP)放大器。图8所示为传统DFS的框图。
前置放大器(PA)、低截止(LC)、高通滤波器、陷波滤波器(NF)、抗混叠(AA)高通滤波器和IFP放大器的分立实施会增加系统噪声和功耗。多路复用器的使用会增加开关、串扰和谐波失真。最重要的是,SAR ADC引起的量化误差会限制系统的动态范围和分辨率25。因此,最好使用其他架构和其他转换器来设计DAU。
Sigma-Delta (∑-Δ)型转换器
Σ-Δ型转换器利用信号中的变化并将其添加到原始信号中。这样可以减少SAR ADC固有的量化误差,并能实现更高的分辨率和动态范围。有了现代Σ-Δ型ADC,便不再需要以分立方式实现信号调理滤波器。这些ADC具有丰富且可配置的数字滤波器,它们可以执行与传统信号链相同的功能。这就有效降低了系统噪声和设计复杂性。此外,高端精密Σ-Δ型ADC能够以至少24位分辨率同时检测多个通道。
使用ADI解决方案的现代DAS设计
图9给出了一种低成本地震传感器节点实施方案的一般框图,这种节点可灵活适应不同的应用。

图8.使用IFP放大器系统的传统DFS的框图

图9.采用三个同质三轴排列的地震检波器和一个三轴MEMS加速度计的低成本地震仪的一般框图
支持地震成像功能的ADI三轴加速度计解决方案有ADXL354和ADXL356。其数字输出版本分别为ADXL355和ADXL357,集成了20位ADC,可以直接与处理器连接20。
低成本紧凑型地震检波器仅检测单个通道,谐振频率通常大于4.5 Hz,灵敏度大于25 V/m/s。同质三轴排列允许将三个类似的单通道地震检波器组合成一个三轴地震动传感器。需要一个周期扩展器来向下扩展地震检波器带宽,以达到宽带传感器的标准仪器规格。当设计采用单电源供电时,周期扩展器还可以用作增益放大器,并将输入信号的偏置设为ADC范围的中心。
MEMS加速度计固有的频率响应使其容易受到失调漂移和高频噪声的影响。带通滤波器可改善局部地震学感兴趣的频率范围内的加速度信号。地震检波器周期延长器和加速度计带通滤波器都需要低噪声、低失调电压和低输入偏置电流的精密运算放大器,例如ADA4610-1 26。
基准电压设置ADC的测量范围和周期扩展器的输出信号摆幅。如果使用模拟输出传感器,基准电压值还应考虑三个加速度信号的电压摆幅。基准电压的失调电压温漂必须非常低,特别是对于室外设施(通常在0?0?8C至50?0?8C)。ADI公司的超低噪声和高精度基准电压源ADR45xx系列是行业标杆,可以轻松满足这些要求27。
对于有电力线的设施,例如建筑物和测站,地震传感器的电源可以从有线直流电源转换器获取;对于远程和现场设施,电源可以从电池获取。从有线直流电源转换器获取时,低噪声开关稳压器和低噪声、低压差(LDO)稳压器适合应用。ADI公司LDO稳压器(例如ADM717x系列)具有高电源电压抑制比(PSRR)、低温漂和低噪声特性28。电池供电的设计需要高负载效率且低功耗的充电控制器和电池充电器,以便维持仪器长期运行而无需维护。此外,如果仪器能够从容易获得的能源(例如太阳能和热能)中收集能量,那么更好。ADP5091超低功耗能量采集器具有最大功率点跟踪和迟滞模式,可确保能量传输效率最高29。它有电源路径管理功能,可以在收集器、充电电池或原电池之间切换,使得自供电仪器能够可靠地运行。
如果使用模拟输出加速度计,Σ-?6?2型转换器会接收来自周期扩展器的三个通道速度信号和另外三个通道加速度信号。该设计需要至少有六个输入通道的转换器。如果可能,速度和加速度信号须同时采样。对于采样时在通道之间切换的多通道ADC,采样速率需要更高。地震的目标信号最大频率为100 Hz。对于这些信号,无混叠的采样频率应为至少200 Hz或每周期5 ms。每个加速度和速度通道应以至少1.2 kSPS的采样速率采样。地震信号的分析推动了每个通道的过采样。因此,应选择采样速率远高于1.2 kSPS的ADC。AD7768是一款8通道24位Σ-Δ ADC,支持同步采样,无需更高采样速率30。其最大采样速率为256 kSPS,但在低功耗模式下,采样速率可降至32 kSPS。它非常灵活,支持以不同方式实施和应用地震仪器设计,并能轻松达到A类数据采集单元的标准要求。
低成本处理器的功能因应用而异。对于使用外部计算设备进行数据分析的远程节点,处理器是一个数据记录仪,它将所有通道的地震数据存储并打包为标准格式(SEED或SEG-Y),然后通过数据接口将其发送到计算设备。此应用的处理要求较低,因此可以使用低功耗微控制器。ADuCM4050是一款超低功耗ARM® Cortex®-M4微控制器,推荐用于物联网应用31。它有低功耗模式,休眠模式功耗为650 nA,快速唤醒关断模式功耗为200 nA。此外,它还有两个实时时钟(RTC)外设用于计时和时间同步数据采样。
对于内置数据分析功能的独立仪器,DSP会根据应用计算地震特征和其他参数,例如用于结构健康监测的建筑物健康指标。地震数据分析需要计算各种数学和统计函数。例如,地震强度的计算需要对数函数和用于加速度和速度的峰值检测窗口。此外,处理时间应足够短,以便能连续进行数据采样和处理。ADSP-BF706是一款低成本、低功耗DSP,处理速度高达400 MHz,是现场仪表应用的业界首选DSP32。它提供多个无缝外围接口,使得连接数据接口和ADC等外部器件更容易。
仪器的位置数据可以从GPS模块中提取,或者在安装过程中手动设置。对于时间数据,低成本DSP可以使用其内部RTC外设,或通过数据接口使用NTP。数据接口有多种选择,具体取决于安装类型。仪器可以使用工业RS-485接口进行有线通信(尤其是在建筑物内部),或使用以太网接口轻松将设备连接到现有数据网络。对于无线通信,仪器可以使用Wi-Fi设备或ADI公司SmartMesh® IP33,后者可在动态环境中实现全面的数据可靠性。
应用
随着各个位置部署的地震传感器数量的增加,地震数据的可靠性也会提高。从地震数据中可以提取大量信息,这些信息可用于广泛的应用,例如结构健康监测、地球物理研究、石油勘探甚至工业和家庭安全。本部分概要介绍地震传感器网络的三种常见应用。
远程地震网络
火山学和地震学研究将地震传感器部署在险峻(有时甚至危险)的地形中34。监测火山内部过程需要在多点进行地震动监测。在火山活动的某些阶段之后,这些位置可能会变得危险,并使地震传感器无法取回。低成本、低功耗地震传感器将会降低研究成本,同时保持很长的使用寿命。另一个类似情况是板块运动的特征,这也需要沿着断层线部署大量地震传感器。
地震预警系统
S波和面波是更具破坏性的地震波,但其传播速度比破坏性最小的P波要慢。利用这种特征可以实现一种检测地震早期迹象的地震预警系统。这样,所有类型的系统都有一个很短的时间来作出响应,防止地震造成重大破坏。在剧烈地面震动发生前的一刻,住宅和商业建筑将能够关闭电力系统和天然气管道。使用受保护区域周围多个位置部署的地震传感器网络,将有助于增加允许的反应时间。另外,非地震源引起的误报也会降到最低。图10显示了用于保护特定区域或结构的地震预警系统的可能设置。
预警系统允许的响应时间与地震传感器距受保护结构的径向距离成比例,如式5所示。假设P波以3.5 mi/s或5.6 km/s的速度行进,而S波以2.0 mi/s或3.2 km/s的速度行进,则可以计算出,地震传感器与保护区的距离每增加7.51 km,响应时间就会增加一秒。此外,以较短的间距放置多个地震传感器将能为响应时间提供更高的时间分辨率。
式5展示了预警系统响应时间与地震传感器距保护区的径向距离之间的关系。
tresponse × (7.51 km⁄s) = dradial
其中:
tresponse = 允许响应时间(单位为秒) (5)
dradial = 地震传感器距保护区的径向距离
结构健康监控
通过监测建筑物对受迫振动测试的响应并建模,可以提高建筑物的地震安全性。在建筑物中安装地震传感器将有助于地震灾后评估、响应和恢复。在广泛损坏的情况下,广泛分布的地震传感器网络可以定位结构损坏区域,从而降低目视检查的风险和成本。一项关于强震动仪器的研究将此应用于20层钢制MRF建筑——Atwood大楼,使用部署在10个层级的32个基于加速度计的地震传感器来精确监测大楼的结构健康状况36。
结论
地震传感器网络在工业技术、地震研究和结构健康监测中应用广泛。应用需求已改变地震仪的传感器和系统需求,使其更青睐远程系统和较低运行成本。现代低成本地震动检测技术的测量能力已经能够与传统仪器相媲美。采用ADI公司的各种产品,可以实现一种满足不同地震检测应用的检测设备。
图10.使用地震传感器网络的地震预警系统,传感器部署在相距6英里至12英里的多个位置。图片由Erin Burkett (USGS)和(Orange County Register)制作。由美国地质调查局ShakeAlert项目提供35。
参考文献
1 Hiroo Hanamori、Egill Hauksson和Thomas Heaton。“实时地震学与地震危害减轻”。自然,第390期,第461-464页,1997年12月。
2 “地震预警”。美国地质调查局,2019年。
3 Erhard Wielandt。“测震学”。国际地震与工程地震学手册,A部分,Elsevier B.V.,第283-304页,2002年。
4 Ana María Zambrano、Israel Pérez-Llopis、Carlos E. Palau和Manuel Esteve Domingo。“物联网技术应用于地震预警系统”。Future Generation Computer Systems,第75卷,2017年。
5 Giuseppe Olivadoti,“在地震的最初时刻进行检测、分析并采取行动”。《模拟对话》,第35卷,2001年1月。
6 Ruwan Rajapakse。“地震学短期课程”。桩设计和施工经验法则,第241-245页,2016年。
7 John Douglas。“地震动预测方程1964–2019”。University of Strathclyde,2019年。
Lepolt Linkimer。“哥斯达黎加峰值地震动加速度与修正Mercalli强度之间的关系”。中美洲地质学报,第38卷,第81-94页,2008年。
9 Khosrow T. Shabestari和Fumio Yamazaki。“根据三分量加速度记录评估的与MMI兼容的仪器地震强度量表的提案”。Earthquake Spectra,第17卷,第4期,第711-723页,2001年11月。
10 关于地震监测系统的一切”。IMV Corporation,2019年6月。
11 Brendon A. Bradley、Misko Cubrinovski、Gregory A. MacRae和Rajesh P. Dhakal。“基于频谱加速度方程的SI地震动预测方程”。美国地震学会通报,GeoScienceWorld,2009年2月。
12 M 5.8 - 蒙大拿州林肯市东南11公里”。美国地质调查局,2017年7月。
13 地震信号与传感器”。GeoSIG,2009年9月。
14 Neil R. Goulty。“地球物理学中的应变仪和倾斜仪”。Tectonophysics,第34卷,第3-4期,第245-256页,1976年9月。
15 “监测仪器”。美国地质调查局,2019年。
16 Yong-hui Zhao、Li-ming Wang和Xiao-ling Yan,运动线圈速度检测器的原理与仿真”。第二届国际电子电气会议:Techniques and Applications (EETA),2017年。
17 “SM-6地震检波器”。Input/Output, Inc.,2003年10月。
18 Dieter Stoll。“地震仪、扩展响应”。地震工程百科全书,Springer-Verlag Berlin Heidelberg,2015年。
19 B. John Merchant。“MEMS在地震学中的应用”。地震仪器技术研讨会。桑迪亚国家实验室,2009年11月。
20 “低噪声、低漂移、低功耗3轴MEMS加速度计:ADXL354/ADXL355”。ADI公司,2016年。
21 Michael S. Hons。“地震检测:使用实验室和现场数据比较地震检波器与加速度计”。University of Calgary,2008年9月。
22 ANSS 技术集成委员会工作组D。“国家先进地震系统仪器指南”。美国地质调查局,2008年9月。
23 “地震数据格式(SEG-Y格式)”。美国地质调查局,2001年。
24 Incorporated Research Institutions for Seismology (IRIS)。“SEED”。国家科学基金会,2019年。
25 Norman M. Cooper。“地震仪器——有何新闻?。..是否真实?”Recorder,第21卷,第10期,加拿大勘探地球物理学家学会,2002年12月。
26 “低噪声、精密、轨到轨输出、JFET单/双/四运算放大器:ADA4610-1/ADA4610-2/ADA4610-4”。ADI公司,2019年6月。
27 “超低噪声、高精度基准电压源”。ADI公司,2018年12月。
28 “6.5 V、500 mA、超低噪声、高PSRR、快速瞬态响应CMOS LDO:ADM7170”。ADI公司,2019年9月。
29 “集成MPPT和充电管理功能的超低功耗能量采集器PMU”。ADI公司,2017年5月。
30 “8/4通道、24位同步采样ADC,具备功耗调节功能、110.8 kHz带宽”。ADI公司,2018年7月。
31 “集成电源管理的超低功耗ARM Cortex-M4F MCU”。ADI公司,2019年4月。
32 “Blackfin+® Core 嵌入式处理器:ADSP-BF70x”。ADI公司,2019年2月。
33 “SmartMesh IP 应用笔记”。ADI公司,2017年2月。
34 Vyacheslav M. Zobin。“火山活动的地震监测与火山喷发预测”。《火山地震学导论》(第二版),第407-431页,Elsevier,2011年12月。
35 Robert de Groot。“ShakeAlert®:美国西海岸地震预警系统”。ShakeAlert,2019年。
36 Z. Yang, U. Dutta、M. Celebi、H. Liu、N. Biswas、T. Kono和H. Benz。“阿拉斯加州安克雷奇市中心Atwood大楼的强震动仪器与结构响应”。第13届世界地震工程大会,2004年8月。