时间:2020-03-13 08:54
人气:
作者:admin
监测和控制不同的系统需要能够直接访问传感器和驱动器,最好是从一个中心位置,采用标准化通信方法(例如串行外设接口(SPI))进行访问。SPI是一种同步串行数据总线,帮助设备和中央控制单元之间进行长距离的数据交换。通信操作遵从主从原则,是全双工的。SPI接口包含三行:SDI、SDO和SCK。
SPI通信方法适用的线缆距离不超过10米,通信距离更长时,通常需要用到中继器,这是因为随着线缆增长,其线缆阻抗相应增加,由此导致信号衰减。然后必须再次放大信号。与此同时,线路会获得更高的信噪比(SNR)。可利用ADI公司提供的isoSPI通信接口IC LTC6820 等器件来读取这些信号。
得益于该器件的创新式设计,可以使用双绞线电缆和适用的变压器来增强电气隔离,由此相对轻松地最大化SPI通信。
由于工业环境通常比较恶劣,所以需要使用电气隔离通信部件来保护用户免受危险电压影响,同时确保系统的可靠性。此外,尽管偶尔会出现共模电压,隔离也可以帮助实现精确测量。因此,要将输入级与系统的其余级分隔开来,同时仍然实现连接,隔离栅的使用就非常关键。
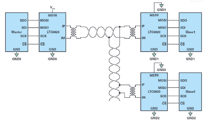
图1显示了所有从服务器如何受一个主服务器控制。主服务器和从服务器可以是微控制器或ADC,通常通过自身的SPI接口与传感器或微控制器连接。因此,LTC6820能够在两个完全电气隔离的器件之间实现SPI通信所需的双向数据传输。它将来自主服务器的SPI信号编码为速率最高1 Mbps的差分信号,然后通过电气隔离栅和双绞线传输。到了电缆另一端之后,差分信号再次由LTC6820接收并解码为SPI信号,然后再路由到从服务器总线。LTC6820还提供驱动信号通过隔离栅所需的电流。这些电流通过外部电阻,调整为符合系统要求的值,例如所需的线缆长度、SNR和抗扰度。

图1.隔离式SPI接口,通过共用的主控制器来控制多个电路板(从控制器)。
但是请注意,虽然使用了SPI中继器,数据速率仍是有限的,取决于电缆长度。例如,图1中使用100米CAT5电缆的电路的数据速率仅为0.5 Mbps左右,是LTC6820所能提供的1 Mbps最大值的一半(见图2)。

图2.使用CAT5电缆时,数据速率与电缆长度的关系。
通过使用isoSPI通信IC,可以简化远距离隔离传输SPI通信信号电路的复杂性,因为可以省去传统电路通常需要的大量组件。此外,使用LTC6820可以实现最长100米的通信距离(在工业设置中并不少见)。LTC6820还可轻松实现菊花链应用(一个主控制器控制多个从控制器)。而且,该器件非常适合电池监测系统应用,这是因为电池监测系统包含部分可能存在爆炸风险的充电单元(例如,锂离子电池),需要实施电气隔离通信。
责任编辑:ct
上一篇:如何增强汽车的网络安全性