时间:2011-09-27 12:16
人气:
作者:admin
1.以太网雷击保护
以太网是广泛用于访问和城域网络基础设施。这些接口通常必须符合GR1089雷击浪涌测试。为了防止雷电浪涌,低钳位电压是必须的。
新一代的物理层更敏感雷击。为了防止雷电浪涌,(如GR1089,IEC61000-4-5,K.20/21)和ESD事件,低钳位电压的设备是必要的。
新一代的物理层更敏感雷击。给千兆以太网保护我们开发的解决保护方案是给最敏感的PHY。
Semtech公司的RClamp3304N/2504N采用Semtech的专有的保护技术EPD。EPD提供大量减少漏电流和电容对硅雪崩低对峙电压二极管工艺。
它们还配有一个2.5伏特和3.3伏特的真正卓越的保护工作电压。
这两个产品已被应用到桌面(个RJ45)成功。
2.RClamp2504N/3304N在电脑上的保护应用
I.IEC61000-4-5雷击规格:

Note:1)开路电压波形是10*700us
2)短路电流波形是5*310us
II.解决方案:
为了选择一个强大的千兆以太网应用防雷解决方案,这个方案将用于千兆以太网的RJ-45连接器里,因此,只有保护元件的数量限制,因此,Semtech公司已提供下列解决方案:
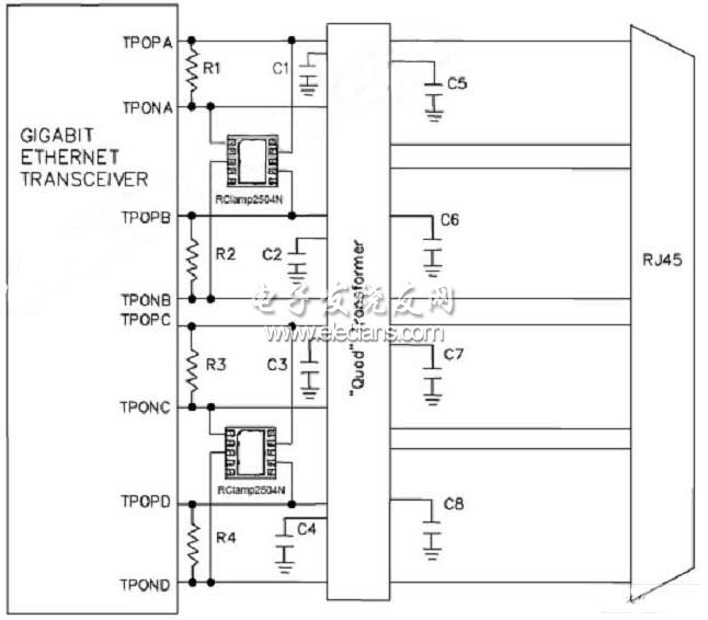
两个RClamp2504N/3304Ns放置在物理层芯片这边,下列是原理图:

Semtech公司RClamp2504N/3304N被作为推荐的保护配置,是因为它提供了TVS的最低工作电压为2.5V或3.3V。低工作电压可以快速的瞬态响应时间,使低钳位保护电压敏感的物理层芯片。
此外,该解决方案只提供线对线的保护。线对地的保护需要特殊的RJ45连接器和好的PCB设计.
III.测试结果总结
•线对线测试结果
测试数据:
基本上,当测试电压在+/-3KV时,钳位电压低于15V,我们可以看到2504N好于3304N
•线对地测试结果:

基本上,由于客户有好的连接器结构和PCB设计,当雷击发生时,它能通过结构和PCB设计释放,从这个+6KV雷击测试结果看,我们发现波形看起来像振铃,在PHY端钳位电压非常低,这说明大部分雷击能量已被释放,这时能很好的保护PHY芯片。

IV.结论
Semtech公司的RClamp2504N/3304N已被成功地应用在电脑的RJ45连接器里,它具有较低的钳位电压,电容和工作电压,这样可以保护一些敏感的物理层的芯片。该解决方案将非常好,成本低,加上好的RJ45连接器结构和PCB设计给线对地保护。
上一篇:ZigBee在生命子系统中的应用
下一篇:ASON网络技术现状及组网应用