时间:2011-09-01 15:16
人气:
作者:admin
为使现有的基于RS232 、RS485 或CAN 总线的串口设备以以太网的方式组网运行,文章介绍了一种基于S3C44B0 的串口服务器系统的设计,详细阐述了系统硬件、软件结构及其工作原理。实际应用表明,该系统实现了以太网与串口的数据交互,使现有的串口设备能快速接入以太网。
引言
目前,各自动化监控装置绝大部分仍然采用RS232 、RS485 或CAN 总线组网方式,严重影响了矿井安全监控系统运行的实时性、可靠性、交互性。而工业以太网从10 M、100 M 带宽发展到现在的千兆网,已成为矿井监控系统的主要组网方式。
因此,如何使现有的基于RS232 、RS485 或CAN 总线的串口设备以以太网的方式组网运行,是目前需要解决的一个问题。本文介绍一种基于S3C44B0的串口服务器系统,该服务器系统可将串口数据转换成TCP/ IP 协议进行数据传输,具有广泛的应用前景。
1 系统硬件结构
基于S3C44B0 的串口服务器系统硬件结构如图1 所示。

图1 基于S3C44B0 的串口服务器系统硬件结构图
该系统主要功能: 从串口设备读取数据,将所得到的数据进行TCP/ IP 协议封装,通过RJ 45 的接口发送到上位机,与上位机的服务器程序进行交互;同时,将上位机发送给串口服务器的数据转发到串口,进而通过网络远程监控现场的串口设备。
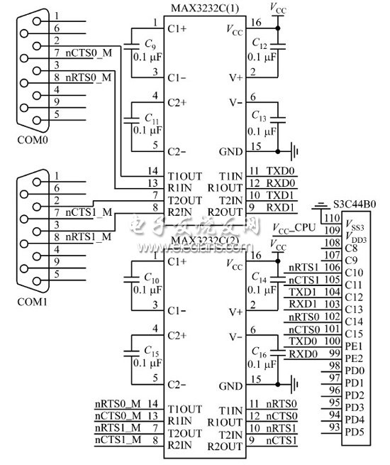
RS232 接口电路如图2 所示。在本系统中,扩展出2 个独立的串行口,该串行口可以三线通信或者与Modem 通信。该接口采用2 片MAX3232C芯片,其中MAX3232C(1) 负责串行口发送接收信号的电平转换,MAX3232C (2) 完成握手信号的电平转换。处理器S3C44B0 的C10~C15 分别作为nRTS1 、nCTS1 、TXD1 、RXD1 、nRTS0 、nCTS0 信号,PE1 和PE2 作为TXD0 和RXD0 信号。

图2 RS232 接口电路图