网站首页

人工智能P2P分享搜索全网发布信息网站地图标签大全

当前位置:诺佳网 > 电子/半导体 > 通信网络 >

确定DS3xxx CCFL控制器的LCM和OVD门限

时间:2010-08-21 21:34

人气:

作者:admin

标签: ccfl  O  lcm 

导读:确定DS3xxx CCFL控制器的LCM和OVD门限-DS3881、DS3882、DS3984、DS3988、DS3991、DS3992和DS3994是CCFL (冷阴极荧光灯)控制器,为LCD (液晶显示屏)提供背光。每路控制器都有2个输入引脚LCM和OVD,用于荧光...
DS3881、DS3882、DS3984、DS3988、DS3991、DS3992和DS3994是CCFL (冷阴极荧光灯)控制器,为LCD (液晶显示屏)提供背光。每路控制器都有2个输入引脚LCM和OVD,用于荧光灯监测和电流调节。这2路输入对应有4个门限。本文介绍了这些门限的定义,以及如何根据具体的应用确定正确的门限值。

LCM和OVD门限及其对应的基准

DS3881、DS3882、DS3984、DS3988、DS3991、DS3992和DS3994 CCFL (冷阴极荧光灯)控制器的每个通道都有两路输入:LCM用于灯管电流监测,OVD用于过压检测。LCM和OVD对应有4个门限。表1列出了每个门限的说明和符号。

表1. 门限说明和符号
Associated Pin Symbol Description
LCM VLOT Lamp off threshold
VLOC Lamp overcurrent threshold
VLRT Lamp regulation threshold
OVD VOVDT Lamp overvoltage threshold

LCM和OVD引脚均具有一个内部直流偏压VDCB,对于DS3881和DS3882,该偏压为1.1V;对于DS3984、DS3988、DS3991、DS3992和DS3994,偏压为1.35V。门限可以以VDCB信号地(GND)为参考。

根据所采用的电压基准不同,在数据资料中规定的门限值似乎有所不同,尽管实质上它们是相同的。在DS3881、DS3882、DS3984和DS3988的数据资料中,这4个门限以VDCB为参考。在DS3991、DS3992和DS3994的数据资料中,这4个门限以地为参考,所以包含 VDCB。例如,数据资料中给出的DS3984的灯调节门限(典型值)相对于VDCB为1.0V,而相对于VDCB为1.35V。在DS3994的数据资料中,相同参数值为2.35V,而该值是以信号地为参考。所以,DS3984和DS3994的灯调节门限实际是相同的,这两份数据资料的注释3对此作出了说明。

根据应用确定正确的门限

由于门限值会随所用基准的不同而不同,用户需要确定正确的基准(VDCB或地),从而选择正确的外部补偿值。若LCM和OVD信号是交流耦合,通常以VDCB为参考,这适用于每个通道驱动单个灯管的应用。然而,如果没有使用交流耦合,门限则应以地为参考,这个规则通常适用于每个通道驱动多个灯管的应用。以下两个示例解释了这一原理。

每个通道驱动一个灯管

在这类应用中,LCM和OVD引脚上的内部直流偏压允许采用交流耦合输入。这种设计会使外部电路非常简单。图1所示为这类应用的典型工作电路。

图1. 每个通道驱动一个灯管的典型工作电路
图1. 每个通道驱动一个灯管的典型工作电路

在该应用中,门限以VDCB为参考。表2列出了门限值,这些值对于其它部件可能有所不同。

表2. DS3994的LCM和OVD门限(图1)
Parameter Symbol Min Typ Max Units
Lamp off threshold VLOT 0.30 0.40 0.50 V
Lamp overcurrent threshold VLOC 1.80 2.00 2.20 V
Lamp regulation threshold VLRT 0.94 1.00 1.06 V
OVD threshold VOVDT 0.90 1.00 1.10 V

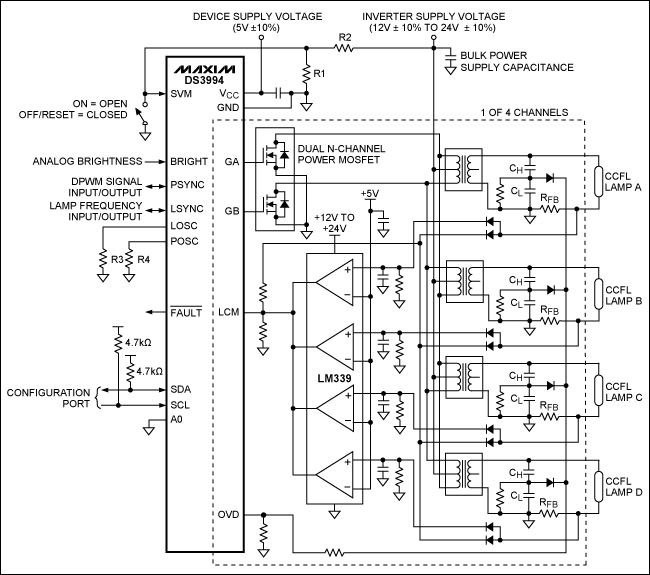
每个通道多个灯管

图2给出了DS3994的每个通道驱动多个灯管的典型工作电路。这类应用中,灯管电流和电压必须为“线或”逻辑,并馈送至DS3994的LCM和OVD输入。电路中使用了一些外部电路,包括分压器和峰值检测器。与每通道驱动一个灯管的应用不同,每通道驱动多个灯管的应用在LCM输入没有采用交流耦合电容。DS3994根据在LCM输入测得的峰值信号控制灯管电流。在没有交流耦合电容的情况下,峰值控制电平为直流偏压(1.35V)加上灯管调节门限(1.0V),也就是2.35V (标称值)。所以,在LCM输入处,灯管的电流反馈电阻产生的峰值电压必须衰减至目标值2.35Vpeak,从而使器件可将灯管电流控制到合适的水平。同样,该应用的OVD门限为对地2.35V。

图2. 每个通道驱动多个灯管的典型工作电路
图2. 每个通道驱动多个灯管的典型工作电路

图2中所用门限请参见表3,电压以地为参考。对于其它部件,这些值可能不同。

表3. DS3994的LCM和OVD门限(图2)
Parameter Symbol Min Typ Max Units
Lamp off threshold VLOT 1.65 1.75 1.85 V
Lamp overcurrent threshold VLOC 3.15 3.35 3.55 V
Lamp regulation threshold VLRT 2.29 2.35 2.41 V
OVD threshold VOVDT 2.25 2.35 2.45 V

总结

  1. DS3xxx CCFL控制器的每个通道有4个门限,用于灯管监测和调节。
  2. 依据所用基准的不同,相应数据资料中给出的门限值可能不同。
  3. 当LCM和OVD信号为交流耦合时,门限通常以直流偏压(VDCB)为基准。这种方法一般适用于每个通道驱动一个灯管的应用。
  4. 当LCM和OVD信号没有通过交流耦合电容连接到相应引脚时,门限值以地为参考。这种设计通常适用于每个通道驱动多个灯管的应用。
温馨提示:以上内容整理于网络,仅供参考,如果对您有帮助,留下您的阅读感言吧!
相关阅读
本类排行
相关标签
本类推荐

CPU | 内存 | 硬盘 | 显卡 | 显示器 | 主板 | 电源 | 键鼠 | 网站地图

Copyright © 2025-2035 诺佳网 版权所有 备案号:赣ICP备2025066733号
本站资料均来源互联网收集整理,作品版权归作者所有,如果侵犯了您的版权,请跟我们联系。

关注微信