时间:2010-05-25 09:31
人气:
作者:admin
PoE技术超越IEEE802.3at标准
随着IEEE80 2.3at(大功率标准)的问世,以太网供电(PoE)功能正迅速成为主流技术,应用于众多新产品之中。支持PoE的产品为用户提供极低的安装复杂度和高度的系统灵活性。新的PoE产品如今可以支持功率电平远高于现有IEEE80 2.3af/t标准的供电,扩大了具备PoE功能的产品/设备数量。
PoE市场发展趋势
在相同导体上融合数据和电能似乎已成为智能系统集成的明确选择。在汽车、航空和工业应用中,专有标准使用了几十年。而IEEE802.3标准的出现,催生了支持新概念的低成本、高数据率协定。原有的IEEE802.3af标准支持为负载提供高达13.4W的功率,帮助推动互联网协定(IP)电话及其它类似数据节点在企业环境中的应用扩展。这些早一代的设备在外形和功能方面目标明确且直接。
数据设备用户的期望已经不仅是丰富特性集和高性能,还包括物理外形在造型方面有着同样高的表现,通常要省去墙插式电源变压器及其在特征上平淡无奇的电力线。这种性能的提高不可避免地导致能耗升高。IEEE802.3at标准(2009年发布,也称PoE+)旨在应对能耗需求的增高,但随着市场演变,标准正趋向滞后于前沿的设计领域。
诸如家用/商用自动化面板、上网本和低耗电膝上型电脑等新产品的能耗要求可与PoE IEEE802.3 at标准的供电能力相适应。在概念上,这表示接插座(docking station)能够接受单个RJ45连接器的外形。在家用及商用自动化面板中,集成PoE的优势非常明显,因为无需配接不同的电力线。这类特殊设计领域的局限是除了以太网线缆以外,还须支持PoE的路由器或交换机。由于整合方便,大多数家庭及小企业主已采用无线连接,企业自然会提倡集成PoE,因此,安装简单而轻松,耗费人工极少。
许多公众场合开始出现了信息站(information kiosk),常用于接受订单、销售点(POS)终端机、旅行或客户服务。这类信息设备对IEEE802.3af/t标准的功率限制带来挑战,诸如平板显示器、打印机和计算平台增加了大额功率预算。虽然许多精细设计的信息站能以25W之内(使用备用线对时为50W)的功率工作,但更高性能的设备需要更高的功耗。随着该技术进一步获得市场接受,支持PoE功能的信息端/站将大幅增加。
无线设计域是PoE增长最快的细分市场。接入点(WiFi、WiMax等)都必须连接至路由器、交换机或主网络连接。IEEE802.3at标准支持提供的额外功率使所有这些设备都能整合PoE,让无线接入点的安装或服务变得极为简单,仅要求插入单个RJ45连接头。
无线设计最新的细分增长市场是小型移动接入点,它们也被称作毫微微蜂窝基站(femto cell)或微微蜂窝基站(pico cell),在非传统区域提供移动接入。这个概念的大功率版本最初用于为大型楼宇提供更好的信号覆盖,如今正用于在人口稠密区替代大型移动基站。这将大幅简化安装,并提供在物理尺寸上更具吸引力的连接方案。小区域移动基站的能耗颇高,远高于现有PoE标准支持的25W。
超越IEEE802.3at标准
PoE的基本功率限制很容易理解。加在以太网线缆上的最大电压限制,公认为超过60V就很危险。大多数地方性及全国性电气法规对于导体承载升高的电压都制定了严格的规则和指引。因此,为了务实起见,用电设备(PD)节点提供的电压为57V。对于给定系统元件而言,由于平方关系及功率耗散(P=I2R),电流是能效损耗的主要原因。
如果要增大提供给节点的总功率,分析显示必须首先减小串联电阻,还必须顾及整个PoE系统的热性能。大多数(庆幸不是全部)PoE器件仅符合标准工业温度要求;而如果超过了PoE标准制定的供电限制,PoE器件可能只提供边际性能, 甚至会受到可用寿命缩短的影响,结果可能就是方案变得更复杂一些。
PoE电子设备必须使用户能够外部配置内嵌电流限制,并且需要采用在温度升高时能支持长期工作且性能不降低的技术来制造。大多数PoE用电设备(PoE-PD)及PoE电源设备(PoE-PSE)产品支持限流配置,但其中仅有少数产品能提供真正的高温工作。
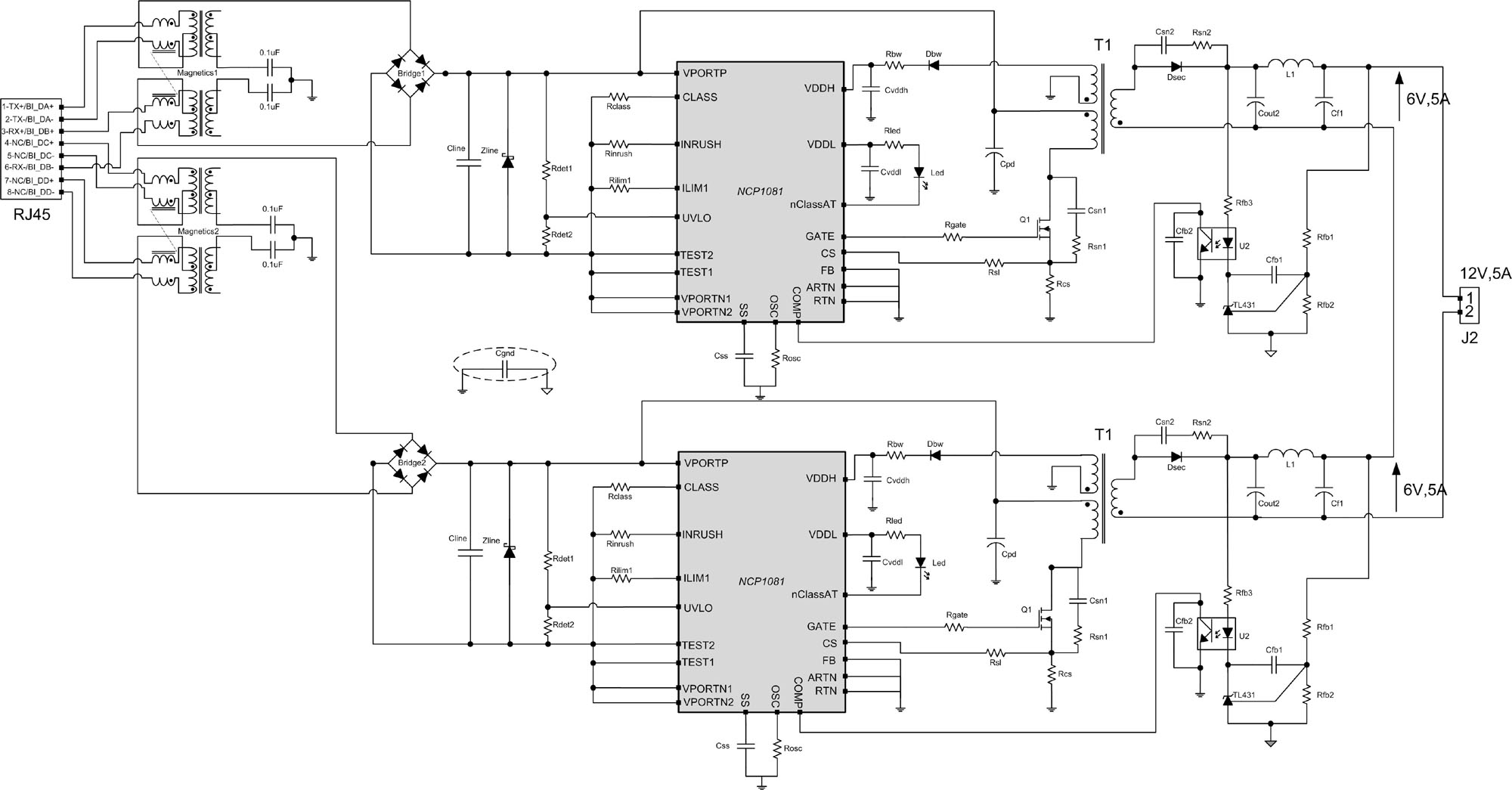
如果使用了“备用线对(spare pairs)”,就容易设计带两个PoE控制器的PD节点,并在电源变压器的次级端合并输出(见图1)。市场上有少数几种支持PoE的商用产品为每个线对提供达30W的功率,并同时保持符合IEEE802.3af和IEEE802.3at标准,因而能给负载提供提供60W的功率。如果电源设备以更高的电流限制工作,扩展所选PoE控制器的热性能,每个线对就支持提供40W功率,总功率达80W。
安森美半导体推出的NCP1081和NCP1083等支持80W功率的PoE-PD如今能够为更多的应用提供足够的功率,包括小型移动接入点、网络存储节点、众多膝上型电脑及小外形计算机。
尺寸、成本和性能的权衡
市场上有大量PoE的选择正好说明了每项设计挑战都涉及尺寸、成本和性能等经典限制的不同组合。随着PoE功能成为主流,这三项条件都更为重要。在WiFi和数据设备等消费应用中,尺寸和成本至关重要,但性能则由整个平台来共享。最常见的性能衡量指标是工作负载周期内的系统总能效。因此,对尺寸和成本敏感的应用,简单但更耐用的PoE-PD模块需要配备更先进的PSE电路,以提供出众的性能。在对成本不太敏感的设计中,可以应用某些更新颖的PD控制器,但还必须开发外部软件支持以提供高性能,不过它们可以与不太先进的PSE电子设备一起应用。
本文小结
PoE市场持续扩张,使得设计人员能够以集成大功率PoE功能优化安装复杂度和用户体验。近期发布的IEEE802.3at标准支持给单个PoE节点提供高达25W功率。PoE供电也能够扩展,支持高于IEEE802.3标准限制3倍的功率,从而造就新的细分市场,并保持反向兼容性。PoE集成将惠及此前不符合标准PoE功率限制的大范围产品。

图1:安森美半导体双PoE-PD为负载提供60到80W功率。