时间:2010-06-10 08:38
人气:
作者:admin
首先用 Q 表测量了这个球形调感线圈的 Q 值。
Q 表的电容器固定在 55 pf,测量的结果是:
最大电感:550 KHz Q = 68
中间电感:745 KHz Q = 60
最小电感:2770 KHz Q = 30
Q 表的电容器固定在 80 pf,测量的结果是:
最大电感:478 KHz Q = 77
中间电感:995 KHz Q = 47
最小电感:2300 KHz Q = 15
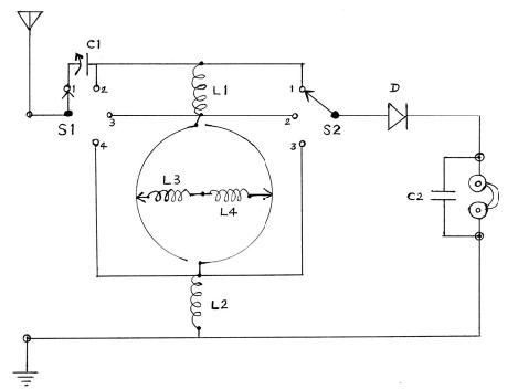
可见这种线圈的 Q 值并不高,尤其是内外两线圈反转,电感互相抵消的时候,Q 值更低。但是用它做矿石机调谐,可以不用可变电容器,线路更简单。下面是电路图。利用天线的分布电容(一般有数十到一百多 pf )和线圈并联,组成电感调谐电路,连固定电容器也可以省掉。

C1:110 pf 空气式陶瓷绝缘半调整电容器,可以根据天线的实际情况选择适当数值的固定电容代替。
调感线圈固定在直径 4.5 英寸的高冲压苯乙烯排水管接头上,这种材料的接头具有比较低的介质损耗。开关和接线柱分布在排水管接头两侧。半调整电容器安装在后面,可以通过小孔用螺丝刀调节电容量,和天线匹配。
初步试听的结果:
接上我一向试机的天、地线,用高频信号发生器的输出线在天线上绕几圈,构成一个很小的交连电容输入高频调幅信号。S1 接第 1 档(即天线通过 C1 接线圈)检查可变电感线圈的谐振频率。C1 约用 70 pf 的时候,谐振频率范围是 530 - 2200 KHz,可以覆盖整个中波段。但是对于不同频率的几个电台,调整 S1 和 S2 至适当位置,可以得到更大的声音。
不接天、地线,天线只空悬在矿石机旁边,可以收到几个电台。
只接地线,声音相当大,选择性不错。
只接天线,调整 S1 和 S2,选择性不错,四、五个电台可以分隔清楚。声音比较大。
接天、地线,调整 C1、S1 和 S2,选择性不理想,中波低端和中间尚可。高端电台基本上听不到。强台声音很大。
上一篇:如何在ATM网络支持IP
下一篇:利用新一代以太网技术构建节能系统