时间:2010-04-09 11:21
人气:
作者:admin
嵌入式USB的以太网应用系统设计
随着USB技术的迅速发展,人们对USB的期望也越来越高。虽然USB技术在台式计算机领域的地位已经固如磐石,但是由于其以主机为中心的拓扑结构,任何一次USB的数据传输都必须由主机来发起和控制,所有的 USB设备都只能与主机建立连接。不仅如此,软件复杂性以及较高的功率要求,使得人们对嵌入式设备中使用USB的兴趣与日俱增。嵌入式USB结合以太网技术可以将USB设备转换到TCP/IP,让USB 设备不再受距离限制,可以通过网络随时随地访问USB设备,可以让一个USB设备供多个用户使用,从而提高USB设备的利用率。通过使USB设备具备联网能力的设备联网服务器,可以实现联网使用USB存储、USB视频和USB打印等。本文提出了一种利用ARM7来实现嵌入式USB的方法,并结合以太网应用技术,使得通过网络可以方便地访问USB设备。
1 系统组成及工作原理
系统硬件结构如图1所示,系统采用LPC2148控制嵌入式SL811HS和ENC28J60,实现了USB设备与以太网的连接,便于USB设备的网络共享和数据的远距离传输。SL811HS主要实现USB HOST的功能,它能够识别USB设备,并能够对该设备进行读写操作。ENC28J60主要完成系统的网络通信,实现对系统USB设备的远程访问。
2 系统模块设计
LPC2148是一个支持实时仿真和跟踪的16/32位ARM7TDMI-STM CPU的微控制器,并带有512KB嵌入的高速片内FLASH存储器。片内128位宽度的存储器接口和独特的加速结构使32位代码能够在最大的时钟频率下运行。对代码规模有严格控制的应用可以使用16位Thumb模式将代码降低超过30%,而牺牲的性能却很小。LPC2148具有较小的64脚封装,最多可以使用46个GPIO。其极低的功耗、多个32位定时器、多路10位ADC、1路DAC以及丰富的接口使其特别适合于工业控制、医疗系统、访问控制嵌入式MODEM等各种类型的应用。选用LPC2148的原因是它片内集成了FLASH、RAM、SPI接口,使得外围电路简单,性价比高。
ENC28J60是美国微芯科技公司于2005年推出的全球首枚28引脚独立以太网控制器,可为嵌入式应用提供低引脚数、低成本且高效易用的远程通信解决方案。此外,ENC28J60以太网控制器采用业界标准的SPI串行接口,只需很少的连线即可与主控芯片机连接,使如图2所示。其中的CS和RESET接到主控芯片是为了使软件设计更灵活。
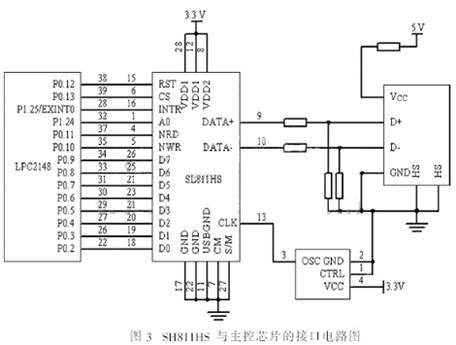
SL811HS是Cypress公司设计的嵌入式USB主机设备控制器,在嵌入式系统中应用很广泛,能通过软件控制选择主从方式,支持低速和全速传输并自动检测低速或全速设备,通过A0区分地址和数据,并支持地址自增模式。SL811HS与主控芯片的接口电路如图3所示。
3 软件设计
系统软件主要由嵌入式TCP/IP程序和嵌入式USB两个部分组成。系统程序通过收到的以太网数据包的类型来进行相应的处理,完成特定的功能。例如通过以太网远程登陆的方式浏览和修改本地数据,达到本地数据网络共享的目的。
3.1 嵌入式TCP/IP实现
嵌入式TCP/IP实现包括以太网控制器ENC28J60底层驱动、TCP/IP协议。ENC28J60 可与许多主控制器上的SPI接口直接相连。此器件只支持SPI 的0,0模式。另外,SPI 端口要求SCK 在空闲状态时为低电平,不支持时钟极性选择。在SCK 的每个上升沿移入数据,命令和数据通过SI 引脚送入器件。 ENC28J60在SCK的下降沿从SO引脚输出数据。当执行操作时CS 引脚必须保持低电平,当操作完成时返回高电平。
3.1.1ENC28J60底层驱动
在使用ENC28J60发送和接收数据包前,必须对器件进行初始化设置。根据应用的不同,一些配置选项可能需要更改。通常初始化任务会在复位之后立即完成,并且不再需要更改。初始化任务主要包括:(1)初始化接收缓冲器:在接收数据包前,必须编程ERXST和ERXND指针来对接收缓冲器进行初始化。ERXST与ERXND之间的存储空间专供接收硬件使用。(2)初始化发送缓冲器:所有未被用作接收缓冲器的存储空间都将作为发送缓冲器,故不需要专门对发送缓冲器进行专门的初始化。(3)等待OST:如果在上电复位后立即进行初始化,应查询ESTAT.CLKRDY位,确保在开始修改MAC和PHY寄存器前已经经过足够长的时间。(4)PHY初始化:PHY寄存器不能通过SPI控制接口直接访问,而是通过一组带有MIIM的特殊MAC控制寄存器来完成的。程序中在配置LED时用到了PHY写函数。写PHY寄存器时,先将PHY寄存器的地址写入MIREGADR,然后将要写入高低8位的内容分别写入MIWRH、MIWRL即可。
发送数据包时,ENC28J60会自动生成前导符和帧起始定界符。此外MAC还可以根据配置自动生成填充和CRC字段。主控制器要生成所有其他帧字段,并将他们写入缓冲器,以待发送。此外,ENC28J60还要求在待发送的数据包前添加一个包的控制字节。接收数据包时可以使用中断的方式,也可以使用查询的方式。由于本设计对实时性要求不是很高,故采用查询的方式。如果有数据包到达,ENC28J60将置位EIR寄存器的PTKIF位。程序运行时不断地查询该位以判断有无数据包到达。
3.1.2 以太网数据包处理
网络协议通常是在不同的协议层上进行开发,每一层负责不同的通信功能。TCP/IP 协议是一组不同层次上的多个协议的组合。当系统收到以太网的数据时,数据就开始从协议中由数据链路层逐层剥离其中各层协议所加的首部。主程序按照以太网数据帧分用的思路进行编制,程序框架如图4所示。
3.2 嵌入式USB实现
嵌入式USB软件主要分成4个部分:SL811HS初始化、USB设备的识别及配置、海量存储协议和FAT文件系统。SL811HS共有16个配置寄存器,其中00-04H、08H-0CH是USB-A、USB-B的工作配置寄存器,05H是控制寄存器1,06H是中断使能寄存器,07H的各位均为保留位,0DH为状态寄存器,0EH为SOF计数寄存器,0FH为SOF计数寄存器的高位和控制寄存器2。在SL811HS上电开始工作之后,首先将寄存器05H的第3位置1,延时30 ms后清零,便可以对USB总线复位;然后在06H寄存器中写入61H,使能设备检测中断。
当有设备插入时,会使SL811HS的D+管脚置高,SL811HS的寄存器0DH的第7位置1并产生中断,系统会识别到有USB设备插入,即可对USB设备进行配置了。通过标准设备请求函数ClearFeaure()、GetConfiguration()、GetDescriptor()、SetAddress()等函数完成对设备的配置。
本系统可以检测U盘的状态(如接入、拔出),通过网络对U盘的访问,包括创建文件、目录和读写文件等,实现了USB设备网络共享的目的。 但是由于不同USB设备的驱动通常也不同,USB作为嵌入式应用时不可能像PC机操作系统把所有的驱动都装上。但是随着嵌入式技术的发展,可以采用网络更新驱动的方式,只要某种USB设备接上就可以通过更新系统的固件,达到识别该设备和使用该设备的目的。这也是本系统目前这也是本系统目前需要完善的地方。
下一篇:实施隔离以进行通信