时间:2010-01-26 10:48
人气:
作者:admin
ADSL收发器片上系统芯片的设计与实现
非对称数字用户环路(ADSL)是目前宽带接入网技术中最具有前景及竞争力的一种[1]。虽然欧美一些先进国家在ADSL示范网上取得了成功,但在当前Internet的应用环境中,要广泛应用ADSL还有阻力。主要原因是ADSL系统技术较为复杂,采用集成电路(IC)设计方法,通过印刷电路板(PCB)来将多芯片集成为系统,系统实际性能并不理想,同时使得ADSL设备制作成本较高,因此难以推广使用。采用片上系统设计方法[2][3][4]把各个子系统有机地集成到一个芯片上去,可以很好地克服多芯片集成系统所引起的系统性能问题,使ADSL真正成为一种高速、低成本的Internet高速接入技术。本文介绍ADSL收发器片上系统芯片设计,给出了硬件实现的具体描述。
1 ADSL收发器片上系统芯片总体设计
设计的片上系统(System on a Chip)芯片如图1所示。其中存储器核采用NMI Electronics存储器核,PCI采用Eureka Technology的PCI核,DSP核选用某公司的DSP核,DSP算法自主设计开发。MCU核完成与DSP核、ATM成帧器核及各种接口的通信、控制、管理功能,包括PCI总线接口、USB接口、10BASE-T接口及内部总线的协调控制工作,通过专用逻辑模块来完成;DSP核致力于完成收发器设备中各种核心算法,包括ADSL子信道划分算法、DMT(离散多音频调制)子信道比特分配算法、功率调整、非线性回波抵消算法、自适应均衡算法等;模拟前端AFE核完成A/D、D/A转换、线路驱动及分离器功能;ATM成帧器核完成ATM帧头定位及成帧功能,其中的逻辑电路完成CRC编解码、扰码与解码、RS编解码、交织与解交织和TCM编解码;通过模式选择本设计可以工作于ATM和STM两种模式下;本芯片还提供了控制通道(RS232接口),实现对系统的管理、监视和调试功能。设计特点:(1)模拟前端核与其他核集成在一起,避免了线性驱动器件中常见的四个电源至少需要三个的情况,实现了高效率、低功耗的设计。(2)可在局端DSL接入复用器中直接当作线卡来用,以提供高速因特网接入服务。(3)支持所有最新的ADSL标准,包括ANSI T1.413Issue 2、ITU G.992.1和ITU G.992.2。它还提供了G.Lite运作所需要的低开销、快速启动和再训练功能。(4)通过控制口提供配置和控制ADSL线的所有功能,减轻主机控制器的管理负担。
2 芯片中的典型电路设计与实现
2.1 ATM成帧器设计
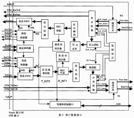
ATM成帧器完成用户数据接口功能。用户数据接口将接收的Utopia接口或者STM接口数据分为快速Utopia接口或者STM接口。用户数据接口分为接收方向和发送方向两个部分,发送方向是由芯片外向芯片内,所处理数据包括ATM数据(utopia接口)、STM数据,将其组成为ADSL超帧,并分为交织通道和快速通道;接收方向是将交织通道和快速通道 的数据通过解帧等变换发送出去,也分为utopia接口数据、STM数据。其大致的结构如图2所示。
STM接口在发送方向包括STM_Data和STM_CLK两种信号,在接收方向包括STM_Data和STM_CLK两种信号。在发送方向,STM信号经过并串转换后,以串行方式进行传送,SLT_Data0传送偶数比特,SLT_Data1传送奇数比特,然后在通道分类中根据外部微处理器的配置(通过控制接口)将数据送入fast通道或者interleave通道。在接收方向,从fast通道和interleave通道中来的数据在通道合并中合并为串行数据,SLR_Data0传送偶数比特,SLR_Data1传送奇数比特,再经过串并转换送到STM接口中。其中,超帧指标模块主要产生指示超帧的信号(包括接收和发送方向),VAL和REQ是字节数据有效信号,Frame信号是数据超帧开始信号,CLK信号是超帧时钟。根据Utopia协议可以知道,Utopia接口每个字节数据都是由一个时钟周期来传送的,所以传送一个信元可以用53个时钟周期。在发送方向和接收方向的同步时钟信号都是由ATM层发出的,可以把他们看成是异步时钟。从Utopia接口进入芯片的数据首先通过地址译码,选择发送的端口地址,然后由发送控制器控制从Utopia接口来的数据,将它们存入发送缓冲,然后到信元速率接口控制器。信元速率控制器模块的功能为:当ATM层发送的信元速率小于ADSL的下行传送数据速率时,信元速率控制器就插入一些空信元来使两乾的数据速率匹配。HEC生成模块的功能:处理信元的HEC,提高出现滑码时的信元定界能力。在处理信元在接收误码计数器中记录下来,用于以后的性能监测中。信元加扰模块的功能:防止在信元负荷中出现与HEC相同的情况。帧适配模块的功能:将信元数据流整理成适于ADSL超帧数据结构。一方面实现同步,在ADSL中可以通过填充字节LEX、AEX来实现。如果发送时钟稍快一点,将把固定的字节数用完,这时可以用LEX、AEX来传送数据。如果发送时钟稍慢一点,固定的字节数将不会被用完,这时候可以不用信号(ib)来表示,由外部微处理器来处理。帧适配模块的另一方面功能是可以提取aoc、eoc、ib等子节。并串转换模块的功能:将数据流进行并串转换后送入通道分类模块。通道分类模块的功能:将奇数和偶数的串行数据流合并成一列数据流,根据Utopia接口的TxAdd信号或者外部微处理器的配置(控制接口中的寄存器)送入fast通道或者interleave通道。需要指出的是接收方向与发送方向数据流向相反,不再解释。
2.2 数字接口设计
根据ADSL协议要求,数字接口主要将信道中的快速和交织的数据经过扰码、FEC编码后形成可以传送的数据。大致框图如图3所示。
在发送方向,从用户数据接口来的fast(快车)通道和interleave(交织)通道的数据先分别进行CRC校验,然后进入解帧模块,在这个模块中,将超帧分解为一个一个的数据帧,存入缓冲中。然后对fast和interleave数据分别进行加扰,这种加扰是对每个数据帧进行加扰,加扰后的数据进入RS编程模块,之后进入发送FIFO。对于Interleave数据,从发送FIFO出来以后就进行交织处理,然后将两种数据进行比较分配,对每个子信道分配一定的比特数,这可以参考比持分配表格(在初始化时计算出来,存放在缓存之中)。
在接收方向,从DMT调制模块来的数据进入比特解配,对Interleave数据再经过de_interleave模块之后进入接收FIFO,然后进入RS解码模块,当发现错误时,将误码计数器加1,计数结果将用于性能。从RS解码出来的数据经过解扰后,送入组帧模块,在个模块中,将各个数据帧组合成超帧,然后将数据进行CRC校验,最后送到用户数据接口。
2.3 DMT调制电路设计
DMT调制是ADSL收发器片上系统芯片中的重要模块之一,主要完成数据在每个子信道上的调制,它的好坏直接关系到ADSL收发器芯片性能的好坏。DMT中大部分的计算都通过DSP来完成,如FFT/IFFT、FEQ、TEQ、星座编码和解码、Trellis编码和Viterbi解码等功能。与DSP的联系主要通过数据和程序地址总线来完成。DMT调制模块大致框图如图4所示。
在发送方向,从数字接口来的数据流已经是每个子信道的比特分配流,这种数据流在星座编码模块中进行星座编码,将频域的比特流信号转换成时域的星座平面上的复数(X+iY)信号,然后进行2D QAM调制。这时候可以选择Trellis编码(四维格状态调制),用以产生冗余比特来增强发送的可靠性。然后将经过星座编码后的数据存入发送缓冲。由于信道失真或者其他的原因,从缓冲出来的数据在频率和相位上都与主时钟频率和相位不匹配。所以为了调整这种不匹配,从缓冲出来的数据先经过频率调整和增益微调(FTG)。频率调整是调节发送频率,保证发送频率和理想频率的一致,FTG是调节每个子载波上的增益稀疏。然后再进入快速傅立叶逆变换(IFFT),将频域的DMT符号转换成时域的信号,送入发送缓冲之中,最后送入模拟前端接口。
在接收方向,从模拟前端接口来的数据是经过时域均衡(TEQ)以后的,这些数据首先进入接收缓冲,之后进入快速傅立叶变换(FFT),将时域的DMT信号转换成频域的信号(512点),然后在频域均衡(FEQ)和相位调整模块中消除相应的干扰,送入接收缓冲,之后进行星座解码,从而将星座平面的复数点转换为比特流。如果接收的数据使用了Trellis编码,那么在星座解码后的数据将再通过Viterbi解码模块之后,送入数据接口。
在第64个子信道中传送的时导频信号,在发送和接收方向都是通过DPLL数字锁相环来保证发送和接收时钟与导频信号一致。当星座编码和解码时,发现导频信号的星座点的位置与理想的点位置不一致时,就要通过DPLL和相位调整/频率调整模块来纠正。同时,监视器可以发送中心断R_INT4信号到管理和控制接口。通过ASB与内部ARM核通信。DPLL的功能有:(1)DPLL中恢复导频信号的功能。为了保证收发时钟有固定的相位关系,在ADSL中采用了插入导频的方法来传送和恢复时钟信号。发送器在发送数据的同时用64号子信道传送独立的导频信号,抽样时钟频率为2208kHz,而导频信号的频率为276kHz,恢复了导频信号后,利用锁相环锁住抽样时钟频率,从而实现时钟的恢复。(2)在PLL中通过一个时钟源产生内部的所需时钟。其中内部所需时钟包括:CPU时钟、DSP时钟、各种算法的时钟等。PLL锁相环的外界参考晶体的频率可以为:35.328MHz。
在Trellis编码和Viterbi解码时,分别有一个误码计数器与之相连,当发生错误时,误码计数器加1,加到一定数值,就通过发送中断信号T_INT5、R_INT5通知内部ARM核。
3 非对称数字用户环路收发器的睡上系统芯片设计难点
3.1 DSP算法设计及实现
DSP算法是ADSL收发器SOC芯片的核心,其工作的好坏直接影响整个芯片的性能,而ADSL收发器中涉及的DSP技术又非常复杂,给设计增加了难度。DSP算法的设计首先要建立管理模型,以模型为基础进行算法设计,继而设计优化模型并以此为根据对算法进行优化,使算法准确、稳定,能很好地满足性能要求。下一步就是硬件软件实现及二者的协同设计和验证,验证是为了优化VLSI硬件和功能结构,有效快速地执行算法,最后进行DSP系统集成。
3.2 数模混合设计
为了降低功耗,提高电子器件的效率,把模拟前端AFE与微控制器MCU核等集成到一起。在一个数字芯片上集成混合信号内核时,缺乏线性电阻是一个主要问题,因为连续时间序滤波器要求片上电阻具有良好的可控性和线性。电流开关DAC也要用线性电阻把电流转变成电压。把数字噪音与模拟噪音隔离开是另外一个问题,必须采用具有较高共模抑制比(CMRR)和电源抑制比的完全差动设计。
3.3 系统验证问题
随着系统级芯片(SOC)复杂性的增加,传统使用HDL软件模拟器来进行验证的方法已经不够用了,它无法提供所需的性能,以检查系统功能的正确性。而且SOC芯片的验证需要对整个系统建立模型,要将很多实际的情况加入到模型之中,来证明整个系统经及芯片都工作正常。因此,需要有一个灵活的建模环境,以便处理大量的系统级方案。处理界面入口(TIP)可以在抽象层软件和详细的硬件实现之间提供一个高速链接,执行任务软件、验证系统级操作以及快速发现设计中的问题。
3.4系统测试问题
SOC芯片的测试技术难度较大。SOC芯片测试设备则必须能够精确地检测模拟和数字两种电路,并支持扫描检测和嵌套式存储器检测。对输入引脚加测试向量,再从输出引脚观察结果的传统检测方法已不适用。因为,传统方法测试向量集会过分庞大,执行时间也会长得惊人。
4 设计实现
采用软硬件协同仿真设计,在大型EDA仿真软件Cadence的数字模拟混合设计工具Spectra上,用硬件描述语言Verilog完成设计输入,进而完成设计综合、功能仿真、布局布线、后仿真和产生构造位流文件。
以上介绍了ADSL收发器片上系统芯片设计,给出了相应硬件设计的具体描述,对设计特点、难点进行了阐述。