时间:2010-02-01 10:43
人气:
作者:admin
DP83640同步以太网模式:在PTP应用中实现次纳秒精度
1.0引言
美国国家半导体产品DP83640的独特性能,即100Mb/s下的同步以太网技术,可在用以太网连接的IEEE1588精密时间协议(PTP)系统之间实现非常精确的同步。采用这种特性,便可工作在要求的网络拓扑约束内,实现PTP应用达到次纳秒级的主从同步精度。同时也能产生一个与主PTP时钟锁定和校准的从结点时钟输出。
本应用注释首先提供了采用同步以太网模式测量主从结点同步所得到的经验结果的总结。然后,提供了与同步以太网模式相关的工作原理和拓扑限制有关的背景信息。接着讨论了典型应用,通过经验数据清楚地解释了采用同步以太网模式的潜在精度。本应用注释适用于下列产品:DP83640
2.0测量同步
同步精确性可定义为主时钟计数器和相应的同步从时钟计数器之间的瞬间时差。通过测量在特定时间触发的主信号和由本地同步时钟计数器在相同时间触发的相应从信号之间的时间差,可以确定同步精度。通常,在PTP讨论的上下文中,这些触发信号每1秒发生一次,故定义为平均每秒脉冲,或称之为PPS(秒脉冲)信号。
根据主从同步的精确性,也可直接测量控制PTP计数器的主从PTP时钟输出的相位关系。
在扩展周期内重复进行测量,采集的统计数据可提供主从时钟或者PPS信号之间的平均值、标准偏差和一个最大时间或“峰峰值”差。
当连接从器件并与主器件进行同步时,在主从PTP时钟之间确立一个固定的相位关系。采用在特定时间内积累的统计数据的平均值来测量这种固定的相位关系。这种相位关系变化的程度受到内部PTP计数器的精度限制。在DP838640T器件中,内部PTP计数器(或数字时钟)在125MHz频率下以8ns为增量不断更新。因此,固定的相位关系,或者主从器件之间确定的平均值变化范围从+8ns到-8ns。主PTP时钟和从PTP时钟之间的物理层双向路径中的任何不对称也会导致额外的变化。
只要维持同步连接,平均值就会保持恒定。然而,当连接断开并重新建立时,就会确定一个新的,采样时钟限制内的固定平均值。
根据本文的用途,用术语“精度”来描述当确立同步时在符合固定平均值的一个主信号和一个从信号之间测得的标准偏差。
3.0结果总结
在为同步以太网工作配置的点对点PTP系统中,正常条件下在扩展周期内进行的测试表明,主时钟到从时钟的同步可获得优于100ps的精度,测量的峰峰值小于1ns。这些结果与同步以太网模式禁止时的类似测试相比大约精确100倍。
经验数据还说明了产生的高达125MHz的从时钟并将其与PTP主时钟连接的网络锁定和校准的性能。采用一个外部精确时钟器件,例如NSCLMK3000系列的器件,可实现更高的锁频时钟。
还需注意,若使能同步以太网模式,可以消除任何本地从参考时钟的不稳定性,因为从PTP时钟被锁定到主时钟上。
4.0背景介绍
IEEE1588精密时间协议在主从系统之间提供了网络连接、基于信息包的同步功能。当仅使用纯软件过程时,系统获得的同步精度一般在毫秒数量级。
在PTP使能的点对点连接中使用DP83640提供的硬件主导的优势,有可能实现优于10ns的同步精度。
此外,使能同步以太网模式,在点对点连接中有可能实现次纳秒级的精度。
为了利用同步以太网模式,网络系统必须符合特定的拓扑约束。为了帮助解释这些限制,一些关键参数,器件的内部时钟结构和网络拓扑要求描述如下。
4.1重要术语
主结点:主结点是已使能精密时间协议(PTP)的一个网络结点,其包含或传播一个主PTP时钟信号和主PTP计数器数据。
从结点:从结点是已使能PTP的一个网络结点,其包含了一个从PTP时钟和计数器。从结点通常会通过网络连到一个主结点。采用PTP将一个从PTP时钟和计数器同步到一个主PTP时钟和计数器。
PTP时钟:一个PTP时钟是与PTP计数器锁定的输出时钟信号源。在DP83640中,本地PTP时钟工作在250MHz,配置时钟用来控制CLK_OUT信号。这种PTPCLK_OUT信号可被编程为250MHzPTP时钟的整除频率,整除数范围从2到255(相应频率为125MHz到0.98MHz)。
PTP计数器:PTP计数器包含时间信息,并与PTP时钟锁定。在主结点上,PTP计数器是使用精密时间协议时的数据源,目的是同步PTP从结点中的计数器。PTP计数器的增量值为8ns。
本地参考时钟:本地参考时钟用来产生网络流量。本地参考时钟被嵌入到发送的网络信息流,并在接收器结点从网络信息流中恢复。所有以太网物理层器件都采用本地参考时钟源。在DP83640内部的本地参考时钟工作频率为125MHz。
4.2关键的配置要求
当网络结点执行PTP从器件功能时,结点必须连到一个对接点(为结点,开关或者转发器)上,提供到主PTP时钟的通路,PTP协议必须被使能并且是活动的。
此外,对接点必须将其本地参考时钟锁频到PTP主时钟上。如果也要求在主从器件之间进行PTP时钟相位对准,PTP主时钟必须与主PTP计数器进行相位对准。(欲知DP83640中输出时钟相位对准的信息,请参考应用注释AN—1729–“DP83640IEEE1588PTP同步时钟输出”。)还有一点也很重要,仅在用作一个从PTP时钟结点的器件中使能同步以太网模式。在主结点中使能同步以太网模式将会产生不希望的结果。
4.3使能同步以太网模式
仅在指定为从结点的结点上使能同步以太网模式。只要设定PHYCR2扩展页0寄存器的SYNC_ENET_EN位为1(Reg0x1C:13=1),便可使能同步以太网模式。
4.4DP83640时钟结构
DP83640具有几个内部时钟,包括本地参考时钟,一个以太网接收时钟和一个PTP时钟信号源。同时还包括一个内部的PTP数字计数器,以及可以控制数字计数器和PTP时钟速率(频率)的逻辑(参见图1)。

图1.同步以太网模式被禁止的DP83640内部时钟
一个外部晶振或振荡器对本地参考时钟提供了激励。本地参考时钟成为器件中所有时钟的核心。从接收的以太网包数据流中恢复接收时钟,并锁定到对接点中的发送时钟。在正常工作时,利用IEEE1588PTP包将从器件中的PTP时钟和计数器与主器件中的PTP时钟和计数器相匹配。通过控制速率调节逻辑可完成这种匹配。
使能同步以太网模式时,将PTP时钟,数字计数器和PTP速率调节逻辑的控制从本地参考时钟切换到已恢复的接收时钟上(参见图2)。这具有将从系统的PTP时钟和计数器锁定到主系统的PTP时钟和计数器的效果。最后,同步精确性会显著增加(参见图3)。

图2.同步以太网模式被使能的DP83640内部时钟

图3.在点对点网络拓扑中同步以太网模式使能的DP83640的工作框图
4.5系统拓扑的考虑
如前所述,为了以同步以太网模式工作,主结点参考时钟必须与主PTP时钟锁定。这是当DP83640本地参考时钟采用PTP数字计数器和PTP时钟时的默认配置。如果在主系统中采用一个外部的PTP时钟源,可以用外部PLL将参考时钟源与外部PTP时钟锁定。
注意到,没有必要为了使附接的DP83640从结点能工作在同步以太网模式而在主PTP时钟结点去利用一个DP83640器件。将一个外部PTP时钟与任何以太网物理层接口器件(Phy)的参考时钟输入作相位锁定就足够了。
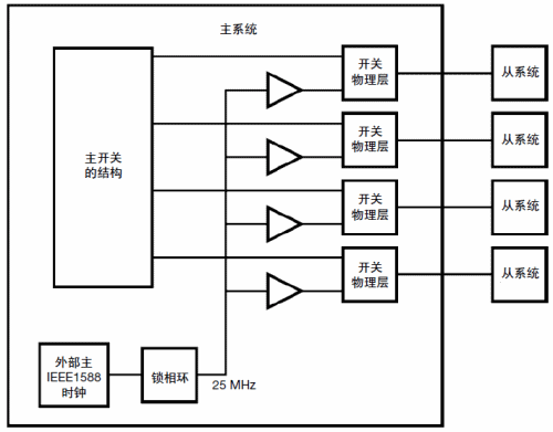
如果利用能将所有以太网通道同步到主PTP时钟的一个多口集线器或者开关结构,便可把多个从器件同步到一个单独的主时钟上。参见图4。

图4.分布式主时钟的开关拓扑结构
类似地,可能会通过开关树状结构传播同步以太网模式工作,其中每个从开关结点将其本身与主网络源同步。(参见图5)

图5.两端口的同步转发器系统
5.0典型应用
同步以太网模式的一种典型应用是要求非常精确的数据记录仪器。采用图4的分布结点,一个主系统会触发一个激励,例如能量突波,每个从结点可以代表一个精确的仪器或者传感器,能用来测量在精确时间点的激励效果。
此外,有的应用还会要求在本地网络中的几个仪器上传播一个锁定的时钟信号。若在同步以太网模式使能时给定1ns的峰峰值精度,采用125MHz输出时钟可以将几个仪器与采样数据同步触发。采用器件的输出时钟控制外部PLL时钟源,例如美国国家半导体的LMK3000系列器件,可获得更大的频率选择范围。
最后,因为主时钟的频率通过网络传递,当使能同步以太网模式时,本地振荡器的稳定性并不是一个重要的误差来源。
从属结点的稳定性直接取决于其相应PTP连接主结点的稳定性。因此,不需要特别的环境控制来维持同步精度。采用一个高稳定性的OCXO的从结点将会实现相同于标准25MHz晶振的精度水平。
6.0同步测量的设置
如之前所提到的,使用一个示波器来比较主时钟或结点的输出信号与从结点的相应同步信号之间的时延,可测得同步的精确性。典型情况下,主从输出信号连到示波器的输入端。采用主信号来触发示波器,依靠主触发信号来测量从信号时间。
有些示波器有直方图功能。通过累计从结点输出信号的大量采样,可确定从结点到主结点相对同步的统计信息。在IEEE1588应用中,一般通过将主器件的一个秒脉冲(PPS)触发输出连接从器件输出的相应PPS信号,来测量同步性能。
使用DP83640能测量同步,可以使用输出触发器(包括一个周期性的PPS输出触发),或者使用实际的PTP时钟信号,可通过对器件的CLK_OUT引脚(引脚24)上的输出编程来实现。参见图6。

图6.同步测量的设置
根据本应用注释的用途,将两个DP83640演示板卡分别用作主从器件来进行测量,采用1米电缆进行连接。主器件采用OCXO25MHz参考时钟源。从器件采用OCXO和晶振,以此表明同步以太网模式提供了对于本地温度/频率不稳定性的抗干扰性能。在25℃室温和3.3V的VCC等正常条件下进行测量。采用了Tektronix784C示波器。
7.0测量结果
表1总结了在正常条件下同步数据的长时间(几个小时)累计。统计数据代表了主示波器触发信号和相应的从信号在扩展周期内测量的时间。在数据表中每行的相关直方图也用附加的示波图表示出来。
为了进行比较,在表1(图7)中的测试编号1代表了同步以太网模式禁止时采集的同步数据。主从器件利用非常稳定的OCXO参考时钟源测量数据。可以看到,当以主时钟为参考时,测量捕捉到的从时钟分布的标准偏差约为5ns,最大峰峰值约为48ns。
测试编号2(图8)表示了同步以太网模式禁止时在相同配置中采集的数据,但是将晶振作为一个从参考时钟源来比较。可以发现,在测量的最大峰峰值约为119ns时,标准偏差几乎倍增到约9.5ns。如果最大峰峰值结果大于100ns,就不可能得到一个稳定的10MHz信号直方图迹线,所以会采用1MHz时钟输出信号来代替。
作为对比,测试编号3(图9)显示了当使能同步以太网模式时标准偏差约为80ps,此时峰峰值测量约为900ps。测得的精度比采用同步以太网模式禁止时的相应数据高出50倍以上(测试编号1,图7)。
测试编号4(图10)显示了同步以太网模式使能时在相同配置下测试的数据,但再次使用了晶振作为从参考时钟源以进行比较。以大约77ps的标准偏差和大约700ps的峰峰值,很清楚地阐明了同步以太网模式提供的对本地时钟不稳定性的抗干扰能力。与以太网模式禁止下的参照数据相比,精度高出约100倍以上。
测试编号5(图11)可将代表10MHzCLK_OUT信号的数据与代表秒脉冲触发输出同步的数据作比较。数据表明,当标准偏差与类似的10MHzCLK_OUT数据(测试编号3)可比拟时,测得的数据峰峰值加倍到约2ns。
最后,测试编号6(图12)表明标准偏差约为79ps,最大幅值约为760ps时,125MHz主时钟到从时钟输出的性能与10MHz条件下的性能可比拟。
表1.同步输出测试结果



8.0结论
通过提供的经验数据,能清楚地说明美国国家半导体DP83640的同步以太网模式特性的优点。可以看到,同步以太网模式使能与同步以太网模式禁止时在类似配置下得到的结果相比,精度可提高100倍以上。
对于要求记录数据达到次纳秒级精度的任何应用而言,在PTP使能的网络环境中,同步以太网模式是很有用的。同步以太网模式对于网络链路上主时钟源需要精密锁定扩展的应用,或者在同步从系统须与本地参考时钟的不稳定性影响相隔离的应用中也很有用。
在显著改善精度时,为了正确应用同步以太网模式,必须满足要求的网络拓扑限制。这些限制包括将主PTP时钟对主物理层时钟的相位锁定,以及在锁频网络链路上,将锁相的主PTP时钟结点和从PTP时钟结点直接相连。
上一篇:配电综合测控仪通信模块的设计